window wiper does not work?

2006 HYUNDAI ELANTRA
Avatar
POP1660
  • MEMBER
  • 1 POST
the window wiper does not work its not the motor its something else could u tell me what it could be?
Oct 30, 2010 at 12:21 PM
Advertisement
Avatar
JACOBANDNICKOLAS
  • CERTIFIED EXPERT
  • 110,175 POSTS
Hi,

If you are sure the motor is good, we need to determine where power is lost.

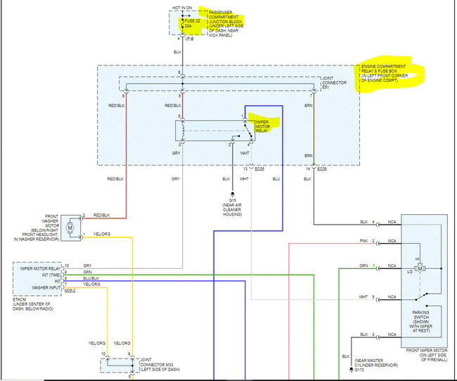
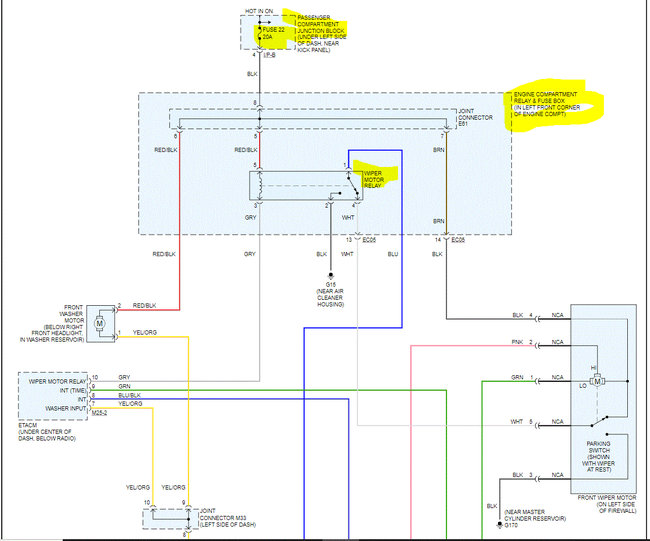
First, check fuse number 22 in the fuse box under the dash. In addition to checking the fuse, confirm there is power both to it and from it.

Here is a link you may find helpful:

https://www.2carpros.com/articles/how-to-check-a-car-fuse

If that is good, move to the wiper motor relay. It is located in the under hood fuse/relay box. If there is another relay having the same part number, switch them. If there isn't, here is a link that shows how to test one:

https://www.2carpros.com/articles/how-to-check-an-electrical-relay-and-wiring-control-circuit

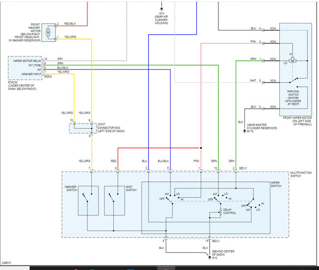
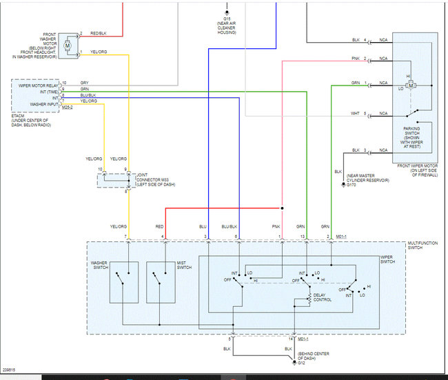
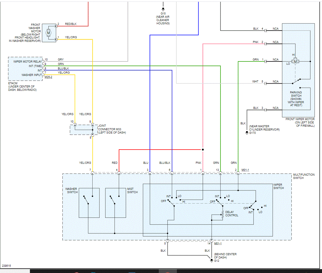
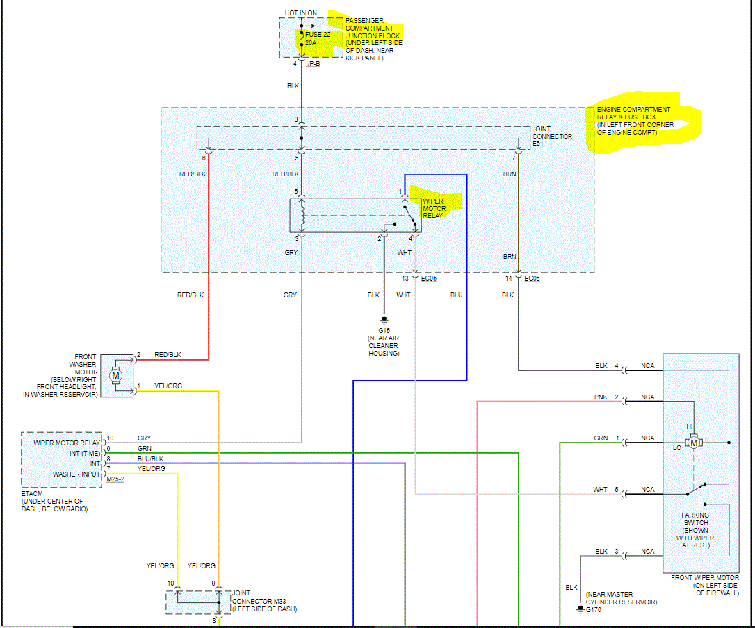
I attached the wiring schematics below so you have a reference. I had to cut the schematic in half to make it readable for you, but I did overlap them so you can follow from one to the next. The last two pics show the locations of the relay and fuse.

I hope this helps. Let me know if you have other questions.

Take care,

Joe

See pics below.

Sep 5, 2021 at 9:59 PM