turn signals

2005 HYUNDAI ELANTRA
Avatar
AMBERLY0409
  • MEMBER
  • 1 POST
Electrical problem 4 cyl Front Wheel Drive Automatic 49000 miles

Last night out of nowhere my turn signals stopped working. I noticed it after getting in it to go somewhere, it didn't happen while I was already driving.

None of the exterior front or back light bulbs work and the interior blinkers don't work either. The head lights and interior dash lights are worked by the same controller and those work fine. Could this be from a blown fuse? If so what size do I need for the car and how do I know which one is for the fuse to change it? I'm guessing the fuses are located in the most uncomfortable & inconvenient spot to get to which is the floorboard area by the pedals.
Oct 31, 2009 at 2:46 PM
Advertisement
Avatar
BLUELIGHTNIN6
  • CERTIFIED EXPERT
  • 16,542 POSTS
Test fuse # 1 (10-Amp) located in the relay box of the passenger compartment. If fuse is OKAY, suspect faulty tail light relay.

Here is a guide and some diagrams (below) to help you check out the problem.

https://www.2carpros.com/articles/how-to-check-a-car-fuse

and

https://www.2carpros.com/articles/how-to-check-an-electrical-relay-and-wiring-control-circuit

Please let us know what happens.

Cheers
Oct 31, 2009 at 10:46 PM
Avatar
LANEYG16
  • MEMBER
  • 1 POST
Electrical problem
2005 Hyundai Elantra 4 cyl Two Wheel Drive Automatic 49,800 miles

While driving today, I went to turn on my turn signal and I heard a bunch of weird clicking and then they wouldn't work. They don't come on in the dash or the front or back of the car. I was told maybe to check the fuse in the passenger side fuse box but I don't know where to find that. From what I have been told, this is an electrical issue more than likely and replacing the fuse won't fix it. Any help would be much appreciated! Is this something I can fix on my own?
Oct 10, 2017 at 2:37 PM (Merged)
Advertisement
Avatar
BLUELIGHTNIN6
  • CERTIFIED EXPERT
  • 16,542 POSTS
would suspect faulty flasher unit, it is located in the passenger compartment relay box (under left side of dash, behind passenger compartment junction block)..
Oct 10, 2017 at 2:37 PM (Merged)
Avatar
TOMNICHOLS
  • MEMBER
  • 1 POST
My elantra blows the turn signal fuse as soon as you turn the ignition on. I replaced the turn signal switch with a factory from dealership part and then replaced the fuse. This did not fix the problem. I also have no reverse lights. All the bulbs in the car are original and no wiring work has ever been done to the car. Could you help me with any ideas were i can look to fix this? Thanks
Oct 10, 2017 at 2:37 PM (Merged)
Avatar
JACOBANDNICKOLAS
  • CERTIFIED EXPERT
  • 110,175 POSTS
Have you checked the light sockets to see if any are melted and causing a short?
Oct 10, 2017 at 2:37 PM (Merged)
Avatar
CULVER
  • MEMBER
  • 2 POSTS
Hi there,

our turn signals sometimes don't work. sometimes they do for periods and then sometimes they don't. when we press the signal rod on the steering column no lights flash on the dashboard and there is no click sound. i have checked all the fuses and they are fine and the bulbs are fine too. any help as to what it could be hugely appreciated.
Mar 21, 2019 at 12:51 PM (Merged)
Avatar
RASMATAZ
  • CERTIFIED EXPERT
  • 75,992 POSTS
It sounds like the flasher unit has gone bad here is the location and a guide to help you fix the problem.


https://www.2carpros.com/forum/automotive_pictures/12900_flasher_36.jpg

please follow this guide https://www.2carpros.com/articles/turn-signals-not-working-blinker Please let us know what you find. We are interested to see what it is.
Mar 21, 2019 at 12:51 PM (Merged)
Avatar
OIDAVEY
  • MEMBER
  • 0 POST
Thanks for this post I had the same problem and had to get a new flasher for $43.00 all fixed!
Mar 21, 2019 at 12:51 PM (Merged)
Avatar
JSISCO85
  • MEMBER
  • 1 POST
My turn signals are not working. no signal inside or outside.
Mar 21, 2019 at 12:52 PM (Merged)
Avatar
BLUELIGHTNIN6
  • CERTIFIED EXPERT
  • 16,542 POSTS
check fuse..hazard lights working? check for faulty flasher relay unit.
Mar 21, 2019 at 12:52 PM (Merged)
Avatar
MICHAEL SCOCCA
  • MEMBER
  • 1 POST
Fuses good parking lights work four ways work, but no left or right turn signals.
Replaced right turn signal light ghar t socket by cutting wires and re-splicing new plug in assembly for light. had left turn light before that. Now no left or right turn lights.
Checked all fuses i could all are ten amp. Wonder if there is another fuse or breaker?
Mar 21, 2019 at 12:52 PM (Merged)
Avatar
HMAC300
  • CERTIFIED EXPERT
  • 48,601 POSTS
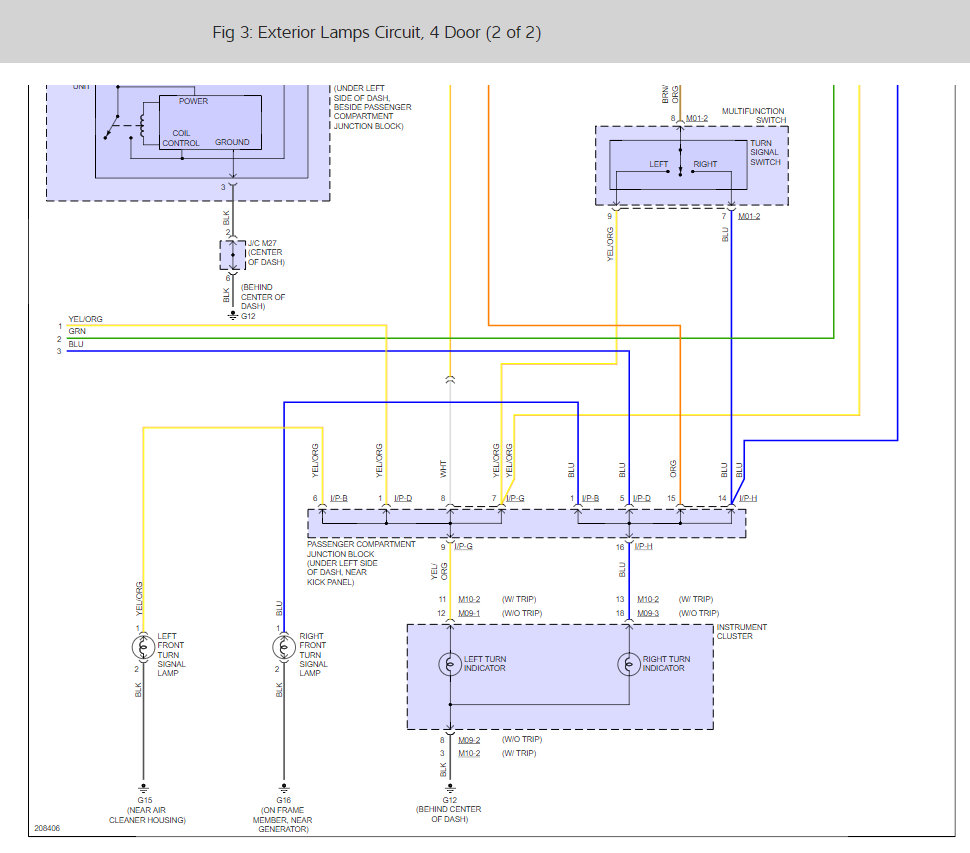
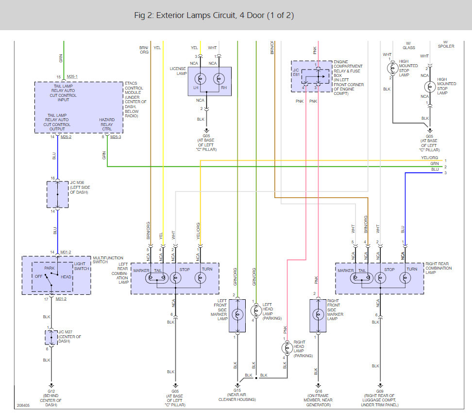
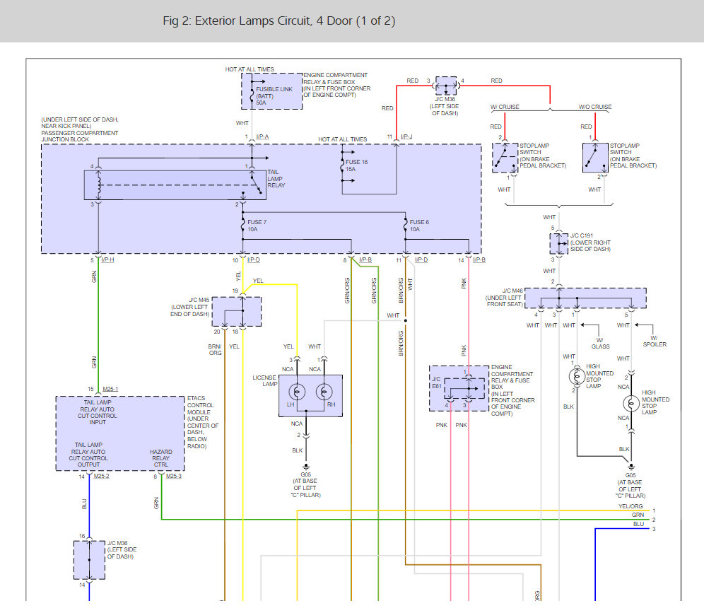
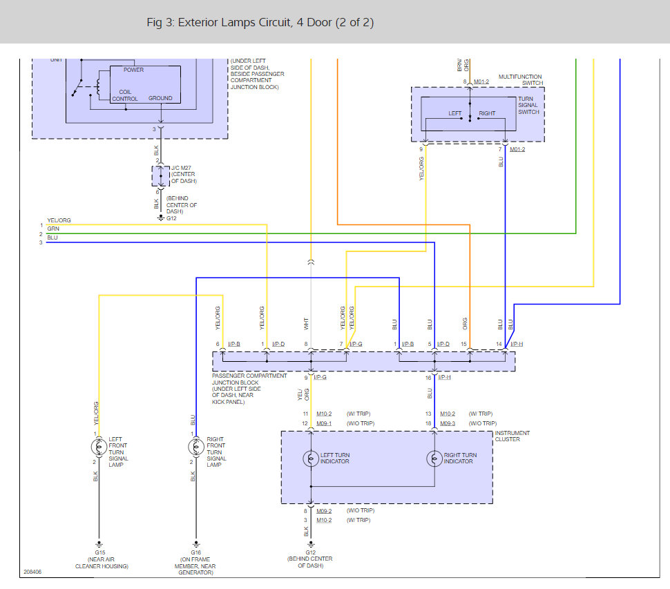
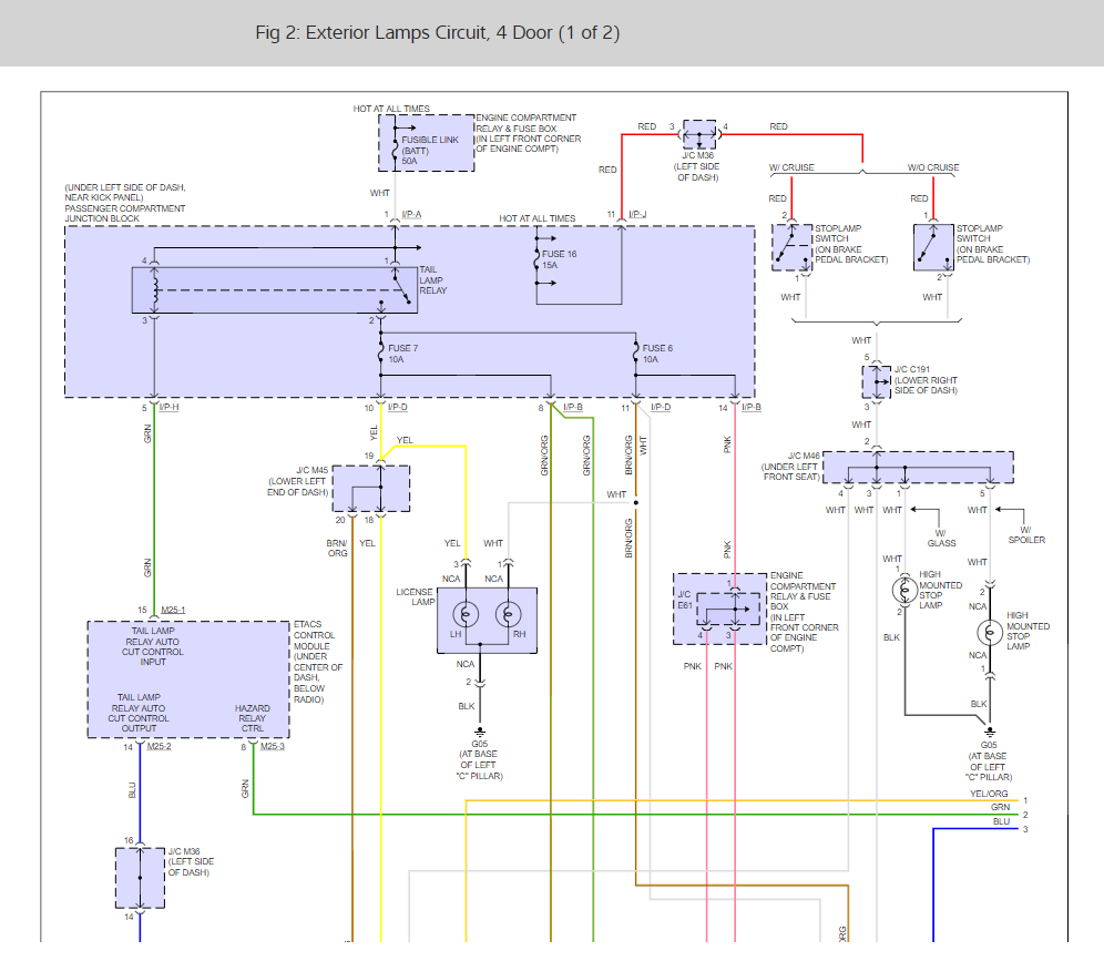
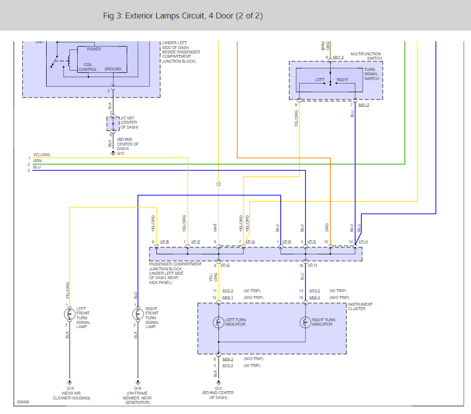
see picture and check multi-function switch to see if power is going to lights also if coming in. it may be the switch also, check fuse three it can also be hazard switch as that is the flasher unit. check ground on tail lights as well, but it kind of sounds like switch is bad for turn signals.
Mar 21, 2019 at 12:52 PM (Merged)
Avatar
KRYSTALBURKE19
  • MEMBER
  • 2 POSTS
Well i went to leave for work today and my turn signal lights are not working. They don't even show up on the dash but my hadzards work fine and they show up on the dash. Please tell me what i need to do :( it is so frustrating :(
Mar 21, 2019 at 12:52 PM (Merged)
Avatar
MHPAUTOS
  • CERTIFIED EXPERT
  • 31,937 POSTS
Check fuse No 9 & 4 also check flasher relay inn relay box under L/H side of dash, start here.
Mar 21, 2019 at 12:52 PM (Merged)
Avatar
RADV
  • MEMBER
  • 2 POSTS
Hi everyone, I have a elantra 1996 1.6l gls. I have change the flasher, the multifunction switch is in good condition. But my question is : Is it possible that my harzards work fine but my turn signal does not work? What can be the problem?

Could you help me please.

Regards

R.V.
Aug 18, 2019 at 10:09 AM (Merged)
Avatar
HMAC300
  • CERTIFIED EXPERT
  • 48,601 POSTS
check items in pic it can be anyone of the three items if t/s switch is good.
Aug 18, 2019 at 10:09 AM (Merged)
Avatar
RADV
  • MEMBER
  • 2 POSTS
Thank you sir. But could you been more specific, because I'm a student and not a car technican.
I buy a new multifunctional switch everythings work but only the turn signal doesn't work. I have change the flasher relay but it doesn't work, I have change all the interior fuse in the fuse box it doesn't work. What would be the problem?

Help please. I would soon for your answer.

Ps. Is in the exterior fuse box that I need to change something
Aug 18, 2019 at 10:09 AM (Merged)
Avatar
HMAC300
  • CERTIFIED EXPERT
  • 48,601 POSTS
it still cold be the hazard switch as well replacing parts and not knowing anything about cars is the wrong thing to do. have a pro look at it to see why power isn't transferring from fuse/relay and switch. I assume your bulbs are ok.
Aug 18, 2019 at 10:09 AM (Merged)
Avatar
ACHIMERA
  • MEMBER
  • 1 POST
Electrical problem
1995 Hyundai Elantra 4 cyl Two Wheel Drive Automatic 101k miles
----------------------------------------------------------------
My turning signals will not work at all. They dont flash inside or outside of the car. I dont know what to look at or how to fix it. I believe it could be a wiring problem.
Aug 18, 2019 at 10:09 AM (Merged)
Avatar
LEGITIMATE007
  • CERTIFIED EXPERT
  • 5,121 POSTS
check your bulbs then your flasher fuse
Aug 18, 2019 at 10:09 AM (Merged)
Avatar
RASMATAZ
  • CERTIFIED EXPERT
  • 75,992 POSTS
Check fuse no.9/2 10amp at kick panel-if okay -find the flasher see below- Do you have the hazard lights? if not replace the flasher-I just did this 3 days ago with an Accent 99


https://www.2carpros.com/forum/automotive_pictures/12900_flasher_12.jpg

Aug 18, 2019 at 10:09 AM (Merged)