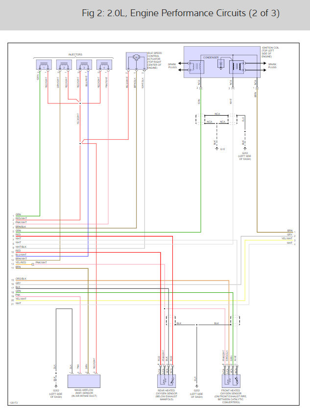
Electrical problem 4 cyl Automatic 120000 miles
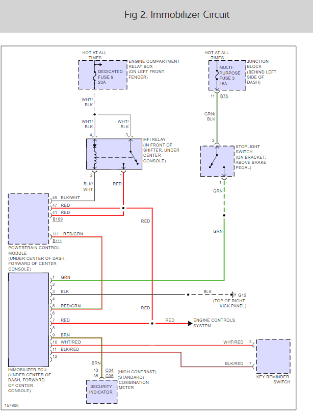
my hyundai died and would not restart checked fuel pump,fuse and relays. i found that i was not getting power to the 12 volt side of relays control side was working. wiring diagram shows straight from fuse box under hood to both relays. any ideas? car turns over and fire with starting fluid
my hyundai died and would not restart checked fuel pump,fuse and relays. i found that i was not getting power to the 12 volt side of relays control side was working. wiring diagram shows straight from fuse box under hood to both relays. any ideas? car turns over and fire with starting fluid
Jun 2, 2009 at 4:09 PM








