a/c wiring diagrams please?

2002 HYUNDAI ACCENT
63,000 MILES • 4 CYL • FWD • AUTOMATIC
Avatar
JKBARS
  • MEMBER
  • 1 POST
When I push the a/c button, it doesn't light up and the air doesn't turn on. Please help, it's hot out here!
Jul 17, 2008 at 9:05 AM
Advertisement
Avatar
KHLOW2008
  • CERTIFIED EXPERT
  • 41,814 POSTS
Hi jkbars,

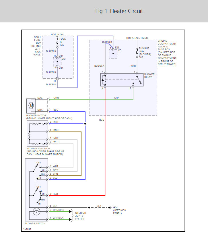
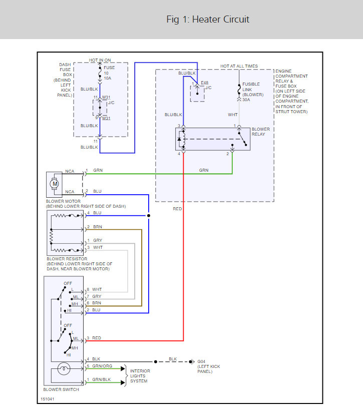
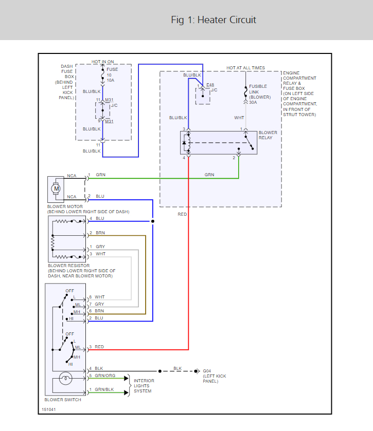
If the blower and AC compressor switch is not working, you need to check for a blown fuse #10 here is a guide to help and the fuse location along with the AC and blower motor wiring diagrams.

https://www.2carpros.com/articles/how-to-check-a-car-fuse

Check out the diagrams (Below). Please let us know what happens.
Jul 20, 2008 at 11:12 AM
Avatar
MARK_WHITE566
  • MEMBER
  • 2 POSTS
I have hyundai accent had a blow out when it happened it tore some of the wires out ive got everything working except the ac. there is one wire left it is red with a yellow stripe. Could that be the one to the ac. I didnt want to try it then something go wrong incase its not it.
Feb 19, 2021 at 12:21 PM (Merged)
Advertisement
Avatar
DOCFIXIT
  • CERTIFIED EXPERT
  • 18,828 POSTS
wire to compressor shows Yellow is there any wire left on Comp?
Feb 19, 2021 at 12:21 PM (Merged)
Avatar
MARK_WHITE566
  • MEMBER
  • 2 POSTS
They put all the wires back together including the yellow wires but it still wont work
Feb 19, 2021 at 12:21 PM (Merged)
Avatar
DOCFIXIT
  • CERTIFIED EXPERT
  • 18,828 POSTS
is there voltage on wire?
Feb 19, 2021 at 12:21 PM (Merged)