Signals and hazards flash in the car hyper fast but not on the outside?

2016 NISSAN ROGUE
51,000 MILES • 4 CYL • 2WD • AUTOMATIC
Avatar
COWBOYTROY79
  • MEMBER
  • 2 POSTS
No fuses or bulbs burnt out. please help!!!
Feb 15, 2023 at 12:53 PM
Advertisement
Avatar
STRAILER
  • CERTIFIED EXPERT
  • 53,854 POSTS
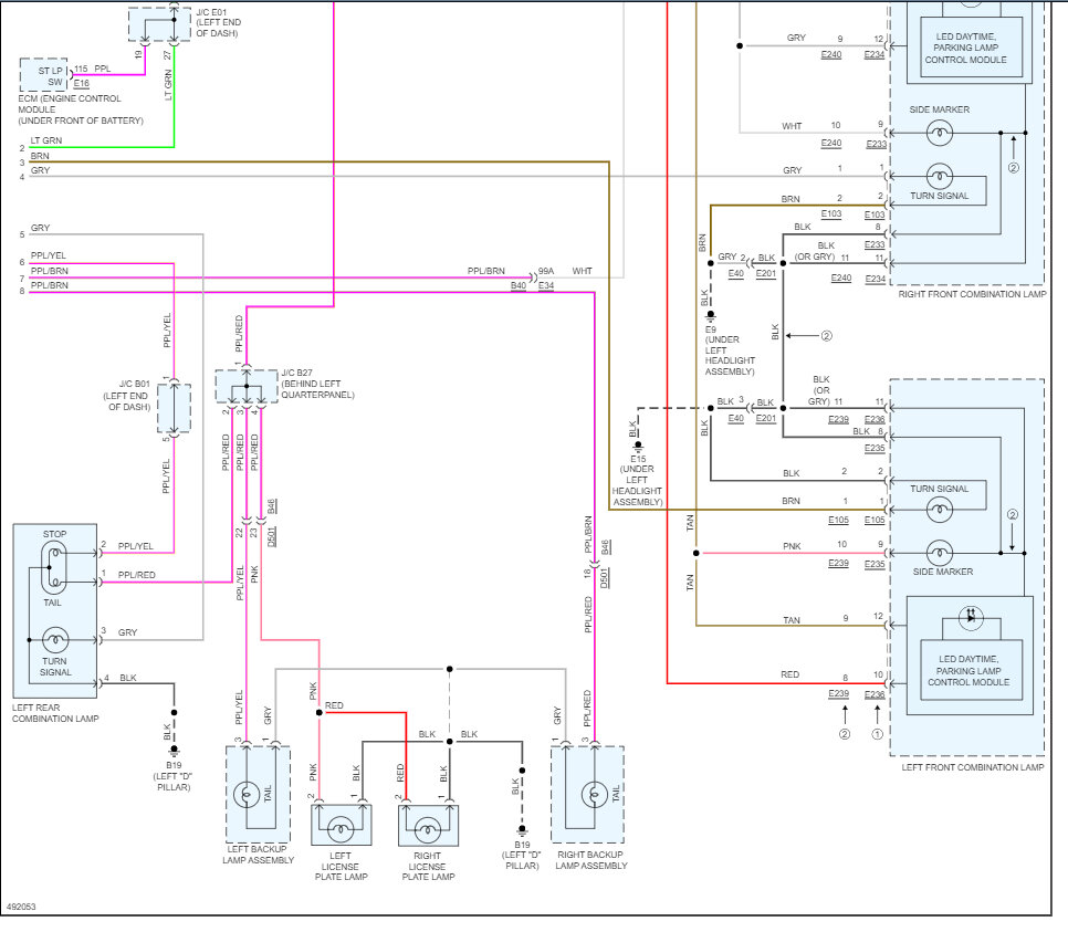
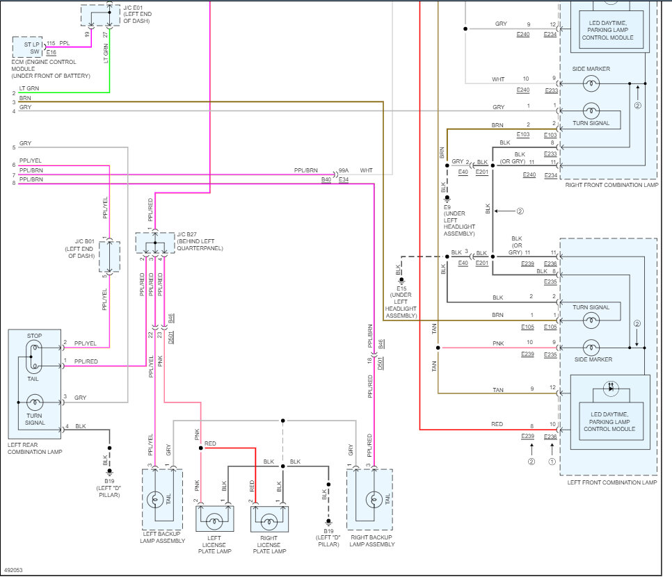
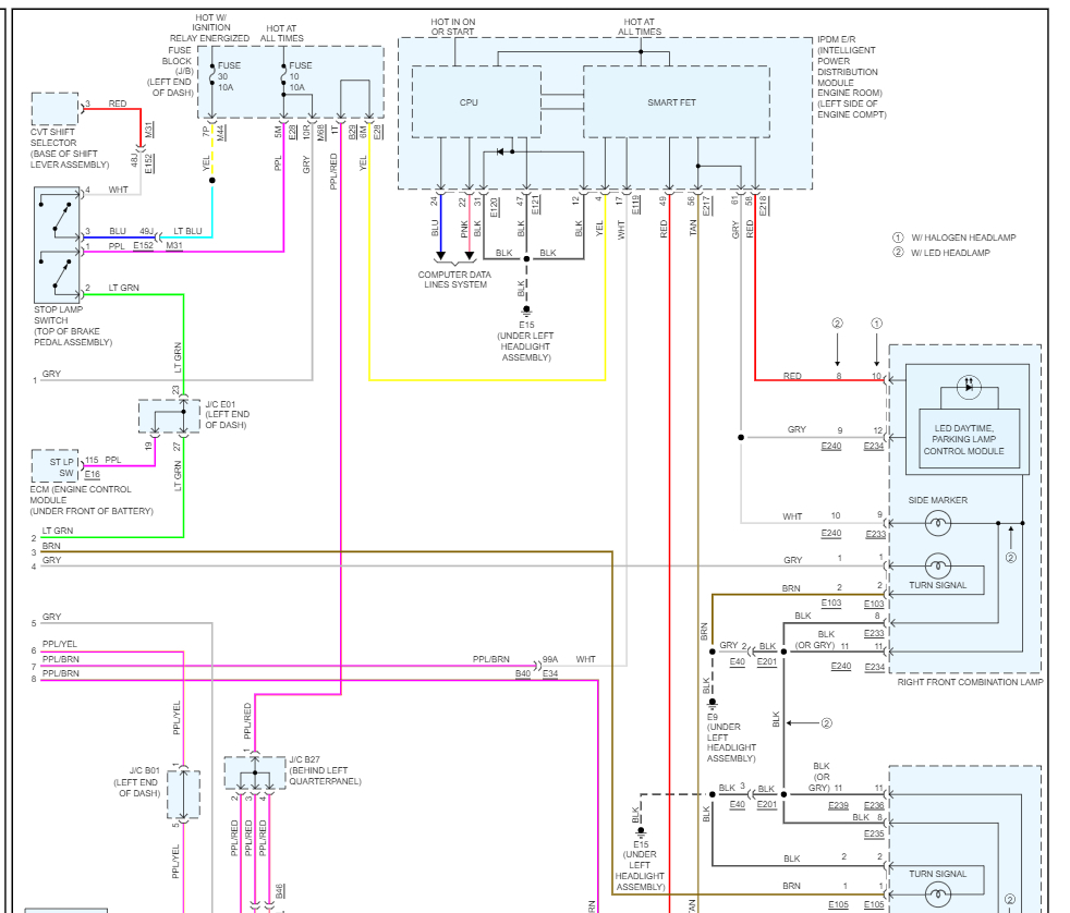
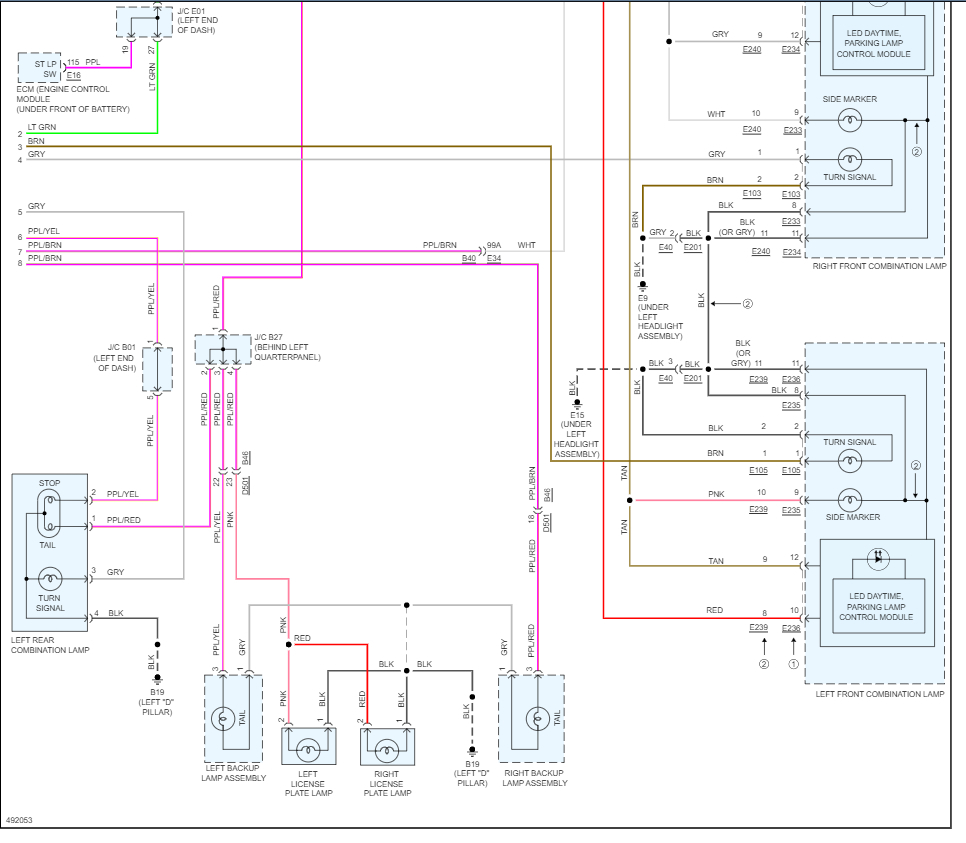
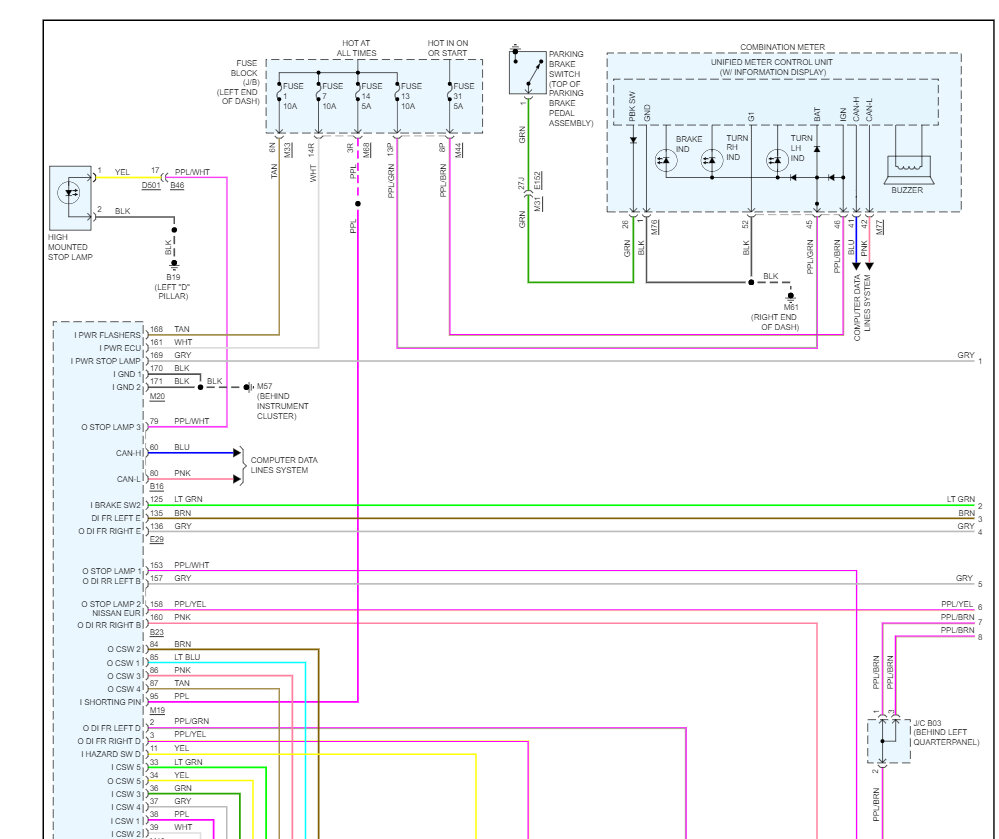
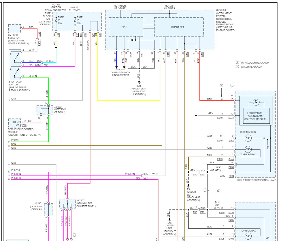
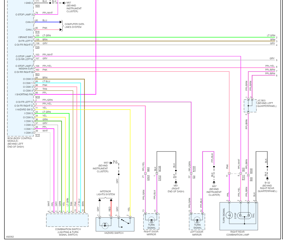
Did you change out the bulbs to LED? If not, I can tell you these vehicles have had problems with the IPDM, I have included the blinker wiring diagrams so you can see how the system works and how to change out the IPDM. To be sure what the problem is we will need to do a CAN scan which is easy, you can get a CAN scanner (Controller Area Network) from Amazon here is a video to show you how. Let's check the fuses # 1, 7, 14, 31 and 13 as well in the fuse panel on the left side of the dash

https://www.2carpros.com/articles/how-to-check-a-car-fuse

Here is the CAN scan information:

https://youtu.be/u-4syLc-ifQ

and

https://www.2carpros.com/articles/can-scan-controller-area-network-easy

Here is a list of CAN scanners starting at about $25.00 on Amazon:

https://amzn.to/3DBMlc7

Please let me know what happens and check the images below here i have included how to replace the IPDM which is plug and play no programming needed.
Feb 16, 2023 at 11:34 AM