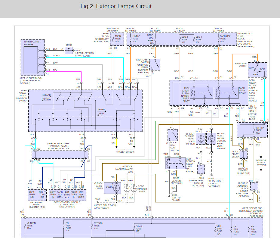
My turn indicators sound like they have been turned on even when not in use. all bulbs intact and work. looked for new part- discount at GM dealer- pulled one from wreck still has "hyper flashing" sound. also tried other new replacement parts from O'Reilly and Napa and AutoZone all failed to install correctly.
Will I need a whole new flasher wiring system?
Will I need a whole new flasher wiring system?
Feb 23, 2019 at 11:21 AM


