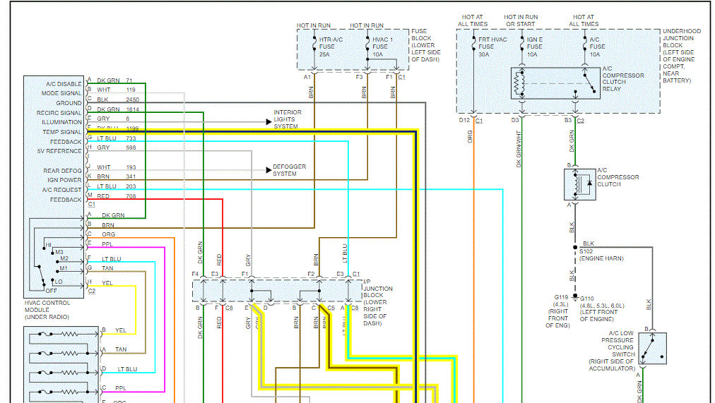
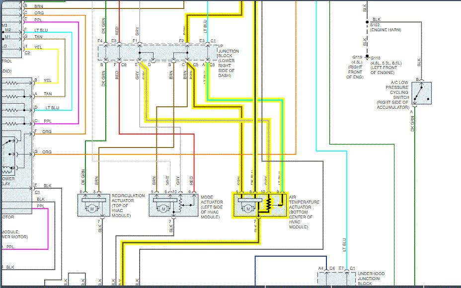
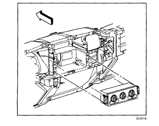
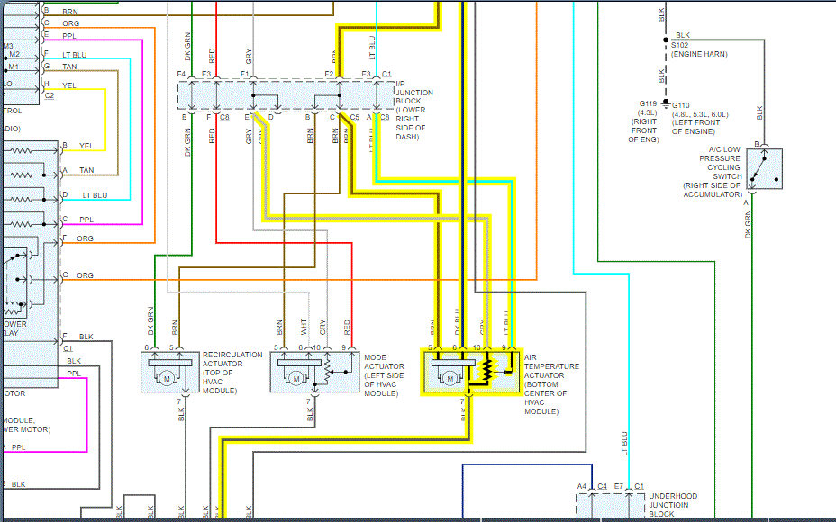
The front HVAC in my vehicle only blows cold air. I've replaced the actuator under the dash on the passenger side of the center console and it doesn't seem to move the blend door at all when I change the temperature on the control panel. I can move the blend door by hand when the actuator is not in place and have verified I'm getting plenty of hot air.
The read HVAC is working fine.
What should I look at next to solve this? I'm getting desperate as this morning was cold and snow (already!) and my feet were frozen by the time I got to work. I included a picture of the control panel in case that helps to see which HVAC I'm dealing with.
The read HVAC is working fine.
What should I look at next to solve this? I'm getting desperate as this morning was cold and snow (already!) and my feet were frozen by the time I got to work. I included a picture of the control panel in case that helps to see which HVAC I'm dealing with.
Sep 8, 2020 at 9:45 AM














