HVAC temperature control issues

2007 CHEVROLET SILVERADO
240,000 MILES • 5.3L • V8 • 4WD • AUTOMATIC
Avatar
PIZTOL143
  • MEMBER
  • 1 POST
A/C was wonderfully working all the way up to this summer. I had it on shut truck off to go into Lowe’s , came out and no cold air at all, it won’t change from defrost on top of dash but you feel hot air coming out of the vents in front of dash (4), the fan speed works though . The light for A/C comes on but does blink, both recirculate and new air functions operate (assuming that cause their lights also come on). which actuator needs replacing and where’s it at amongst the dashboard? I am just trying to get cold air out I could care less about the direction it flows just as long as it’s cold the ways it was before I went into the store that very sad day , (hubby’s truck and it’s now 135 degrees in cab he’s not happy please help me fix this please). Also, the hot air that is coming through is constant no way to turn it off no way to change directions it comes out of but the highest air pressure is coming out of windshield defrosted vents on top . There’s also no change in temperature when it’s changed either way . Heater works wonderfully except for it’s not winter. I need A/C temperature control to work correctly . Please help me . Thank you kindly.
Aug 6, 2021 at 2:28 PM
Advertisement
Avatar
ASEMASTER6371
  • CERTIFIED EXPERT
  • 52,796 POSTS
Good morning,

I attached the procedure for the mode door replacement. It is under the dash on the left side on the end of the heater housing.

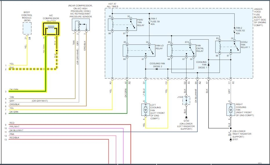
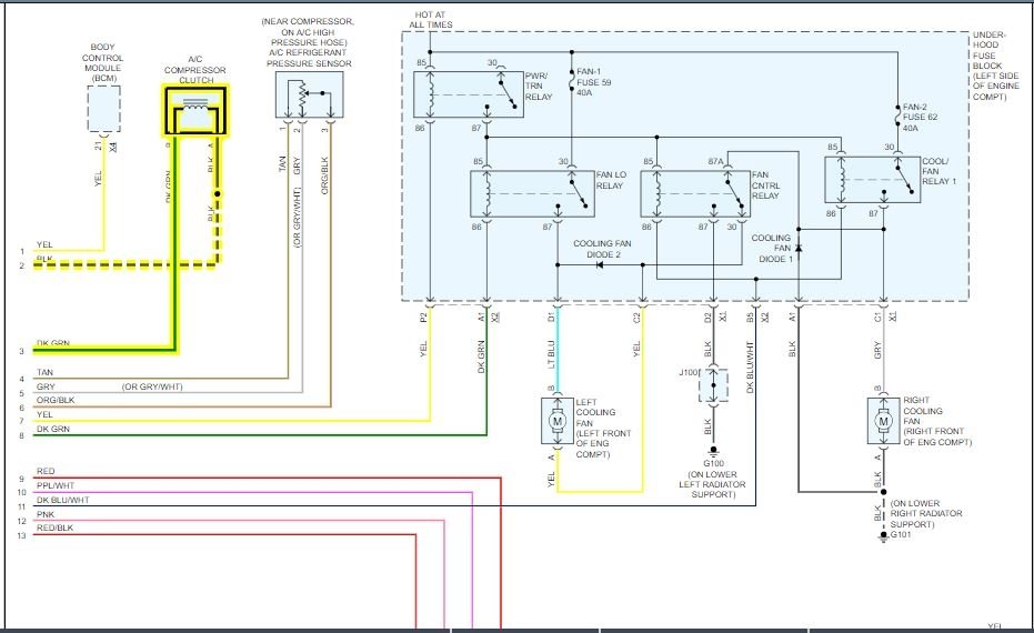
As far as the A/C system, I attached the wiring diagram for that as well. You need to check the fuse for the clutch relay to be sure it has the power to turn on the compressor.

https://www.2carpros.com/articles/how-to-check-wiring

https://www.2carpros.com/articles/how-to-check-a-car-fuse

https://www.2carpros.com/articles/how-to-check-an-electrical-relay-and-wiring-control-circuit

Do you know if there is any freon in the system? That would need to be checked first.

https://www.2carpros.com/articles/car-air-conditioner-not-working-or-is-weak

Roy
Aug 7, 2021 at 3:05 AM