blower motor is full blast even when the controls are off?

2010 NISSAN ROGUE
125,232 MILES • 2.5L • 4 CYL
Avatar
SPEEDHOBBIT
  • MEMBER
  • 1 POST
The blower motor is full blast even when the controls are off. I have changed the AC amp control as well as the blower relay. Where do I go from there?
Nov 11, 2017 at 8:00 PM
Advertisement
Avatar
STRAILER
  • CERTIFIED EXPERT
  • 53,854 POSTS
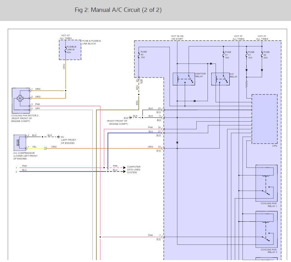
It looks like the motor is controlled by the air conditioner amplifier. You will need to run some wiring/power and ground testing before you confirm the amplifier is out.

https://www.2carpros.com/articles/how-to-use-a-test-light-circuit-tester

and

https://www.2carpros.com/articles/how-to-check-wiring

M50 is the AC amplifier in the diagrams (below).

Please run some tests and get back to us.

Cheers, Ken
May 28, 2021 at 11:48 AM