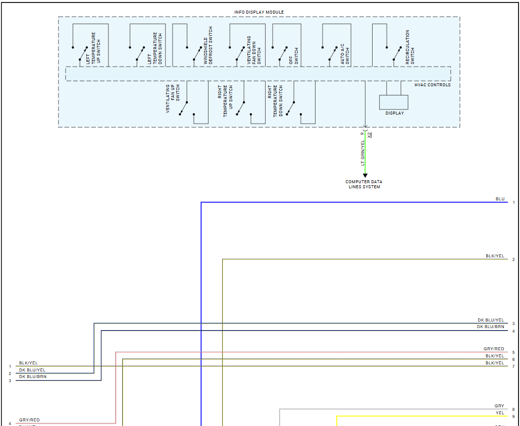
HVAC module pin out needed?

2014 CHEVROLET SILVERADO
83,000 MILES
Avatar
THOMPNATEE
  • MEMBER
  • 3 POSTS
I need the HVAC control module pin out diagram, I need to know what wires are for what.
May 16, 2025 at 8:17 PM
Advertisement
Avatar
STRAILER
  • CERTIFIED EXPERT
  • 53,854 POSTS
What size engine? 4x4?
May 18, 2025 at 6:32 PM
Avatar
THOMPNATEE
  • MEMBER
  • 3 POSTS
It’s the v6 2-wheel drive.
May 19, 2025 at 8:56 AM
Advertisement
Avatar
STRAILER
  • CERTIFIED EXPERT
  • 53,854 POSTS
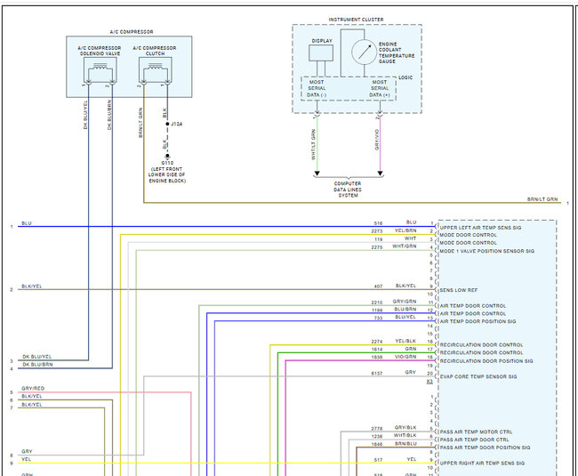
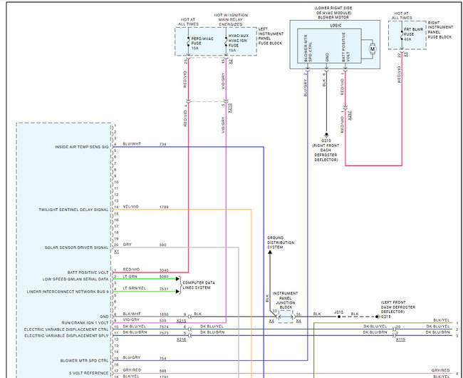
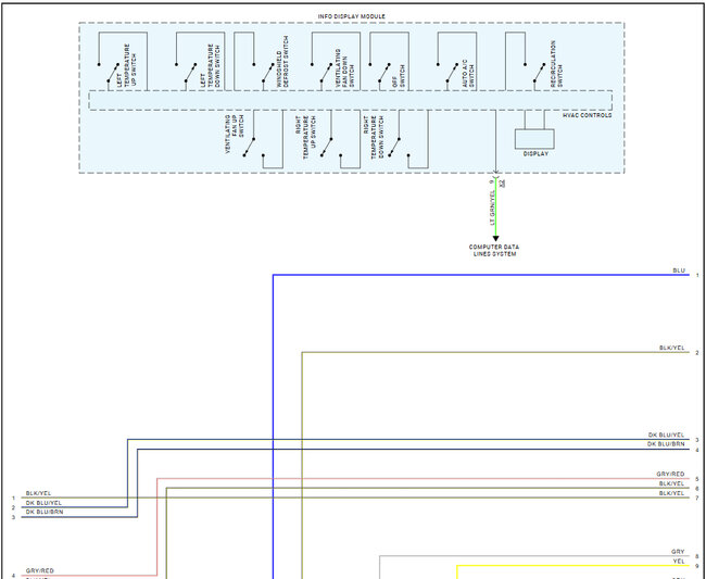
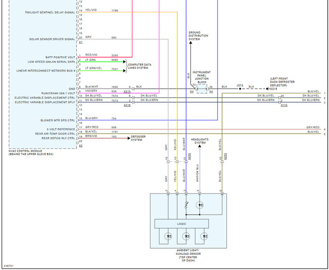
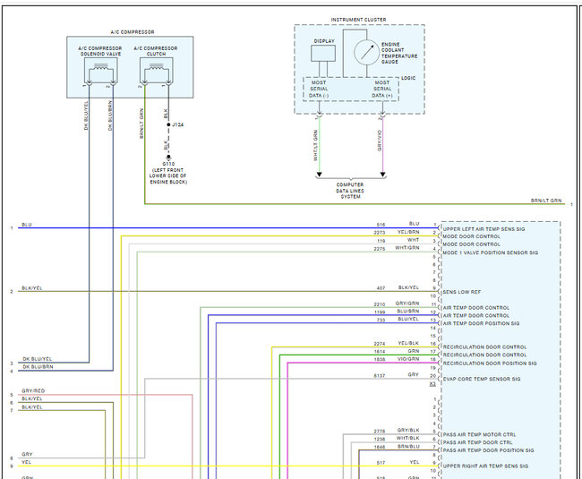
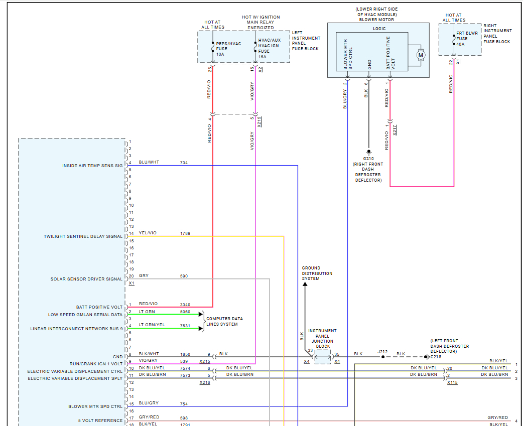
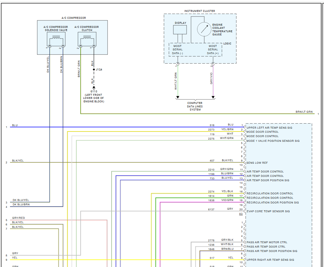
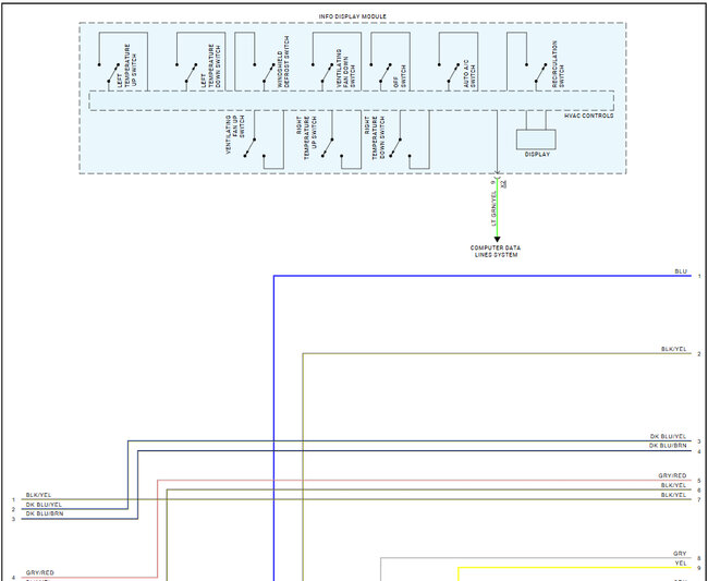
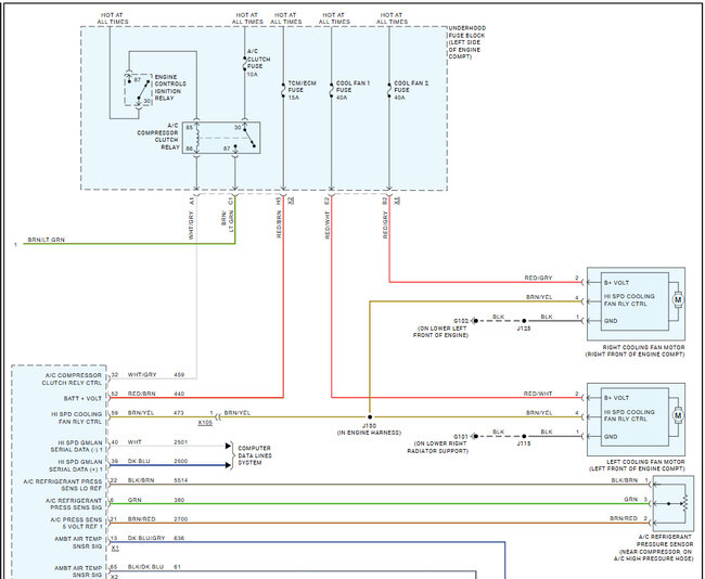
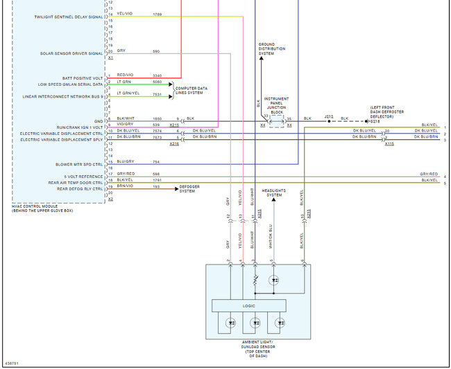
Here are the HVAC wiring diagrams so you can see how the system works.
Check out the images (below). Let us know if you need anything else.
May 19, 2025 at 10:04 AM