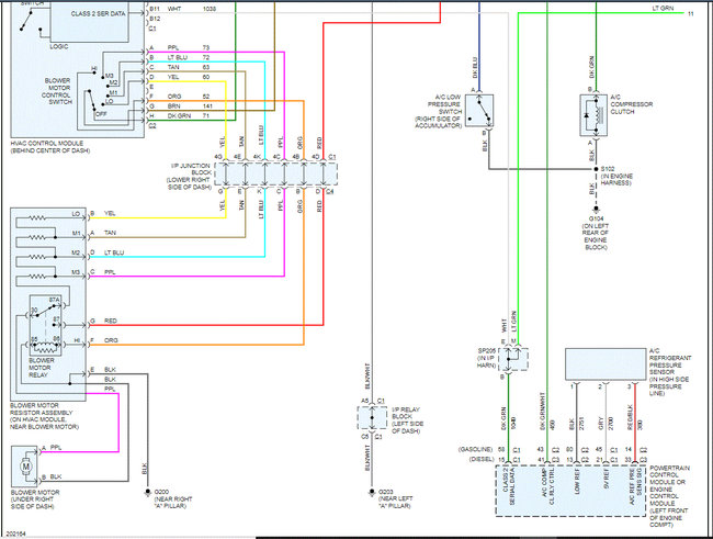
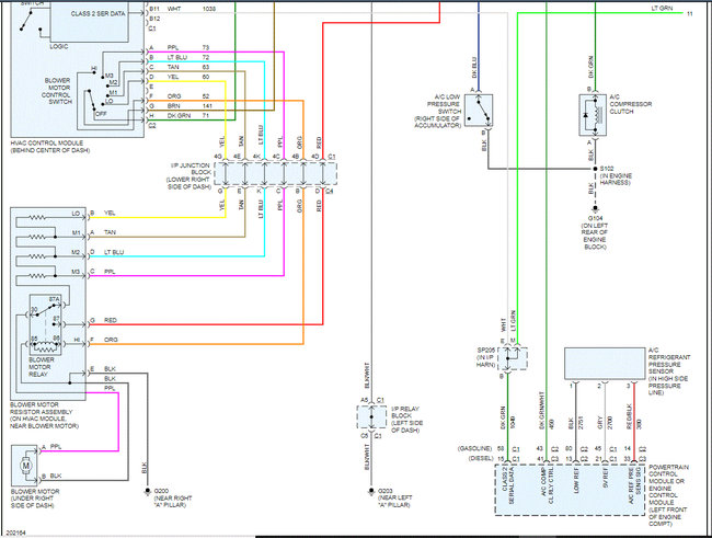
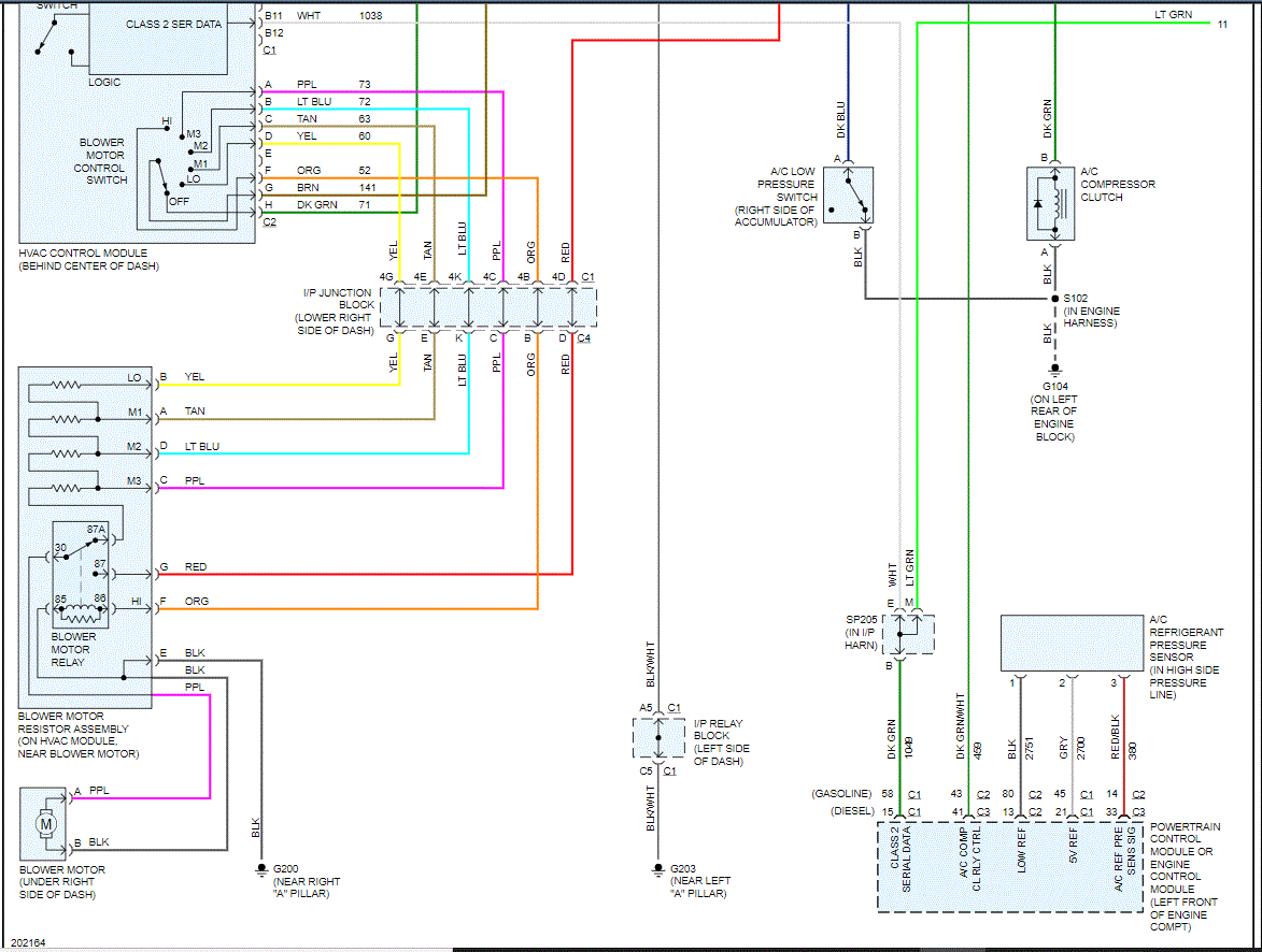
My mode actuator will not move when hooked up to wiring harness in the truck. I have removed the actuator and hooked it up to a 9 volt battery. I was able to move it in either direction.
As far as I know the actuator itself works. I can’t figure out why it won’t move when I try to control it with the HVAC head unit. All other functions work including heat/AC and fan speed.
My thought is that there may be a loose connection somewhere or the HVAC head unit is not sending correct signal to the mode actuator. What should the readings be on this harness from a multi meter? Any idea on which direction I should go from here?
As far as I know the actuator itself works. I can’t figure out why it won’t move when I try to control it with the HVAC head unit. All other functions work including heat/AC and fan speed.
My thought is that there may be a loose connection somewhere or the HVAC head unit is not sending correct signal to the mode actuator. What should the readings be on this harness from a multi meter? Any idea on which direction I should go from here?
Sep 20, 2021 at 2:09 PM













