HVAC inlet door actuator?

1994 CHEVROLET 1500
112,000 MILES • 5.7L • V8 • 4WD • AUTOMATIC
Avatar
BYRONTODD
  • MEMBER
  • 1 POST
Two things:

1. HVAC inlet door actuator motor burned out. It has two screws holding it in and I need to know how I can better get to and remove the blind screw? Or is there a special tool I can purchase to remove the screw?
2. When the actuator motor burned out the AC instrumentation panel went out, which is under the radio controls. The AC fuse under the driver's side dash is good. Where are the other modules/fuses I need to check and possibly replace?
Aug 17, 2024 at 7:52 AM
Advertisement
Avatar
JACOBANDNICKOLAS
  • CERTIFIED EXPERT
  • 110,175 POSTS
Hi,

The only way I know to remove that bolt is to remove the dash and housing it is mounted to. I know which one you are referring to. I haven't done one in a long time. I just remember the difficulty.

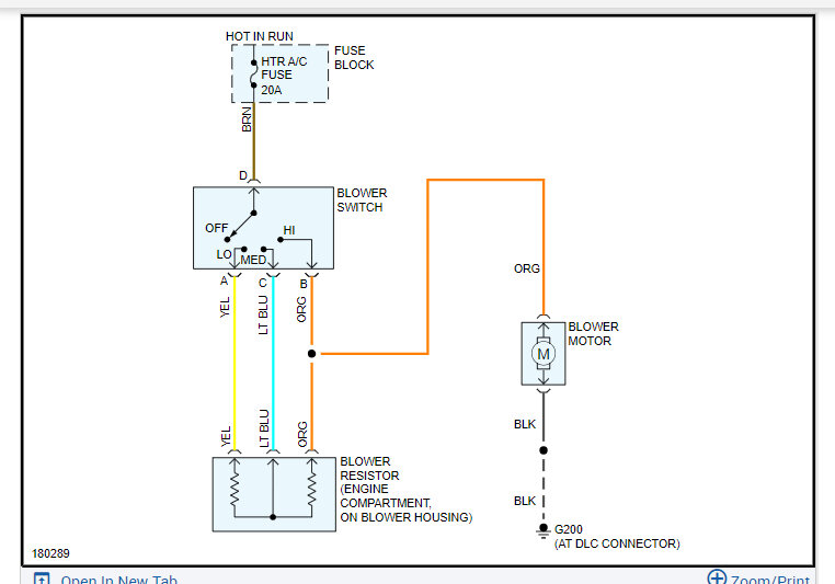
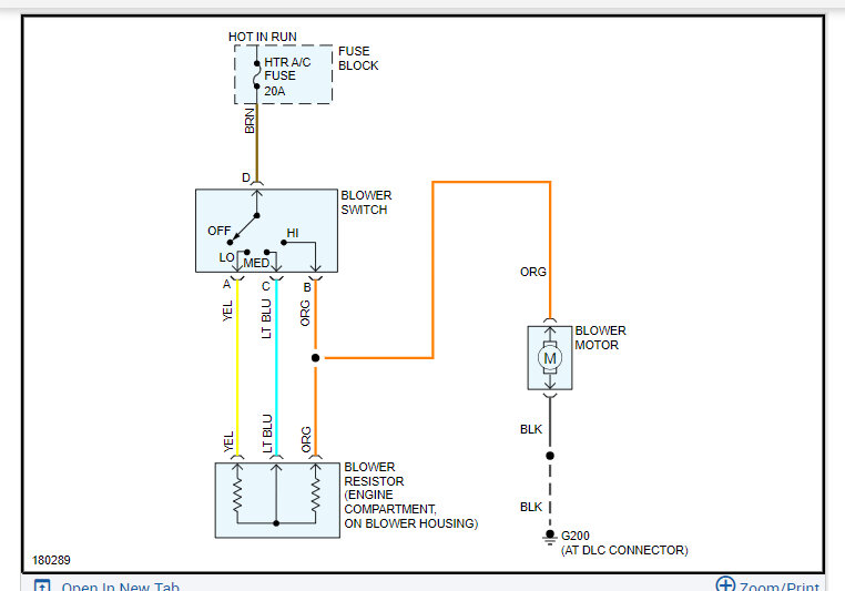
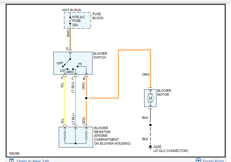
As far as the power supply is concerned, I attached the wiring schematics below for the HVAC circuit. It identifies fuses as well as all electrical components involved.

I hope this helps.

Take care,

Joe

See pics below. Note: Pics 1 and 2 are from the same page. I had to cut it in half to make it readable.
Aug 18, 2024 at 7:48 PM