Blower fan not working

2003 CHEVROLET 2500
145,000 MILES • 6.0L • V8 • 4WD • AUTOMATIC
Avatar
JOEPA
  • MEMBER
  • 7 POSTS
My fan in my truck slowly stopped working. Went from 5 speed to only 2 working to one working intermittently to none working at all.

I have check all fuses and all are good and functioning

I have replaced: blower motor resistor, blower motor and control console with no luck

Tested voltage at resistor and getting 6 volts reference.

When i turn the control for the fan from off to the first speed my anti-lock brake indicator and brake light come on.

Please help
Dec 5, 2019 at 3:52 PM
Advertisement
Avatar
JIS001
  • CERTIFIED EXPERT
  • 3,412 POSTS
General Motors has a special coverage to repair this condition. The resistor gets hot and melts the connector. You are almost out of coverage by mileage. Here is the letter sent out. Make an appointment to get it repaired free of charge.

2003 Chevy Truck C 2500 Truck 2WD

 

V8-6.0L VIN U

 

 

Campaign - HVAC Blower Not Fully Functional/Inoperative

Vehicle Heating and Air Conditioning Technical Service Bulletins Campaign - HVAC Blower Not Fully Functional/Inoperative

CAMPAIGN - HVAC BLOWER NOT FULLY FUNCTIONAL/INOPERATIVE

Related Links

Owner Letter

Owner Letter

Dear General Motors Customer:

As the owner of a 2003-2006 model year Chevrolet Avalanche, Suburban, Tahoe; GMC Yukon, Yukon XL; or 2003-2007 model year Chevrolet Silverado and GMC Sierra vehicle, your satisfaction with our product is very important to us.

This letter is intended to make you aware of a condition that may affect your vehicle. The relay resistor module (which controls blower motor speed) and/or the wiring connector that powers the module may overheat during sustained blower motor operation, or if moisture and other contaminants contact the internal circuit of the module. These occurrences may result in an inoperative blower motor, or result in a blower motor that functions only on certain settings. This may be accompanied by a burning smell or smoke.

Do not take your vehicle to your GM dealer as a result of this letter unless you believe that your vehicle has the condition as described above.

What We Have Done: General Motors is providing owners with additional protection for this condition. If this condition occurs on your 2003-2006 model year Chevrolet Avalanche, Suburban, Tahoe; GMC Yukon, Yukon XL; or 2003-2007 model year Chevrolet Silverado and GMC Sierra vehicle, equipped with a manual HVAC or heavy duty heater, within 10 years of the date your vehicle was originally placed in service or 150,000 miles (240,000 km), whichever occurs first, the condition will be repaired for you at no charge. Diagnosis or repair for conditions other than the condition described above is not covered under this special coverage program.

What You Should Do: If you believe that your vehicle has the condition described above, repairs and adjustments qualifying under this special coverage must be performed by a General Motors dealer. You may want to contact your GM dealer to find out how long they will need to have your vehicle so that you may schedule the appointment at a time that is convenient for you. This will also allow your dealer to order parts if they are not already in stock. Keep this letter with your other important glove box literature for future reference.

Reimbursement: If you have paid for repairs for the condition described in this letter, please complete the enclosed form and present it to your dealer with all required documents by January 31, 2013, unless otherwise specified by State law.

Dec 5, 2019 at 9:46 PM
Avatar
JOEPA
  • MEMBER
  • 7 POSTS
So the vehicle does not meet the requirements for dealer repair being that it is a 2003 which has been in service for over 17 years at this point.

I did check the wiring harness where it meets the blower motor resistor and have 2 burned connectors - the red and purple wire. However these wires were supplying good reference voltage when I checked.

Can you tell me what the dealer actually preforms as I will have to try this next. Thanks
Dec 6, 2019 at 2:41 AM
Advertisement
Avatar
JIS001
  • CERTIFIED EXPERT
  • 3,412 POSTS
They will replace the resistor and splice in a new connector. Below is the part numbers of the parts you need. There are 2 resistor part numbers. Order the one that applies depending if you have A/C or not. Replace the resistor and cut out the old connector and splice the new one in.
Dec 6, 2019 at 7:22 AM
Avatar
JOEPA
  • MEMBER
  • 7 POSTS
Okay, I installed new pigtail wiring harness, and new resistor. The highest speed on the fan began working again but no other speeds work. In addition I measured reference voltage at new harness. I'm getting a continuous 6 volts from the first wire in the harness which is a red wire- I believe it is also the wire responsible for the highest speed on the fan. When i change the fan speed on the control I get reference voltage from corresponding wire however the first wire (red wire) always remains hot. Any help would be greatly appreciated. Joe
Dec 8, 2019 at 11:59 AM
Avatar
TOUGHDIVER
  • CERTIFIED EXPERT
  • 224 POSTS
Hi,

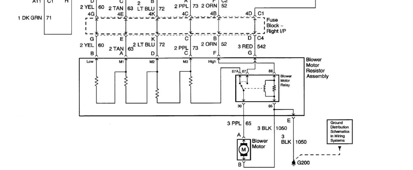
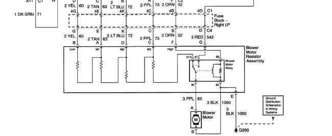
Joe from what I am reading you only have 6 volts on the red wire, This is not good you should have a full 12 volts, It is possible you have a loose or corroded ground wire. I am sending you wiring diagrams of the heater blower motor and the main ground location the links are below. Please look at them and please let us know if this helped you and what fixed problem.

Thank you,
Joe Terwilliger
Dec 11, 2019 at 4:26 PM
Avatar
JOEPA
  • MEMBER
  • 7 POSTS
Thanks for the info. Here's what I've concluded after working on the truck on and off for the last few weeks: There is no G200 ground location as indicated in your wiring diagram. Instead there is a wiring harness that it plugs into on the side of the glove box. I have burned up 2 new plugs that adapt to to the resistor for the blower motor so far. During the process of replacing the harness I discovered that the ground wire (the black wire in the harness is hot as it sparked when it touched another wire in the harness. this happened with the ignition off. So I believe it's a ground issue but i can track it down. Any help would be greatly appreciated. Thanks, Joe
Jan 23, 2020 at 4:35 AM
Avatar
TOUGHDIVER
  • CERTIFIED EXPERT
  • 224 POSTS
Hi,

Joe, the G200 ground wire should be on the drivers side front door pillar but I want to be sure what heating and air conditioning unit we are working with is it manual or automatic. It will make a difference in the wiring system. The first wiring diagram below is for the manual system. With the key in run position not running should have 12 volts at the red, orange, and purple wire and to both black wires I highlighted the wires for you. The second diagram is for automatic heating and A/C control and there should be 12 volts at the red wire to black wire connector C but the purple wire with a white white stripe and the solid purple wire voltage may vary because voltage for these wires are controlled by the heater control module and the heater blower motor processor. It could be a faulty control module behind the center dash or blower motor processor right lower dash were resistor should go. Please let me know if this info is helpful and if you need any more information.
Jan 23, 2020 at 10:58 AM
Avatar
JOEPA
  • MEMBER
  • 7 POSTS
Duff, took me awhile to figure out how to get the dash off. but, I found both ground locations - g200 there is one on both sides of the truck both behind the A pillar's. The grounds are in great condition as well as all ground wires going to them. Everything is tight and I've retested and the problem is still there. I have a manual system if that helps.
Feb 11, 2020 at 1:16 PM
Avatar
STRAILER
  • CERTIFIED EXPERT
  • 53,854 POSTS
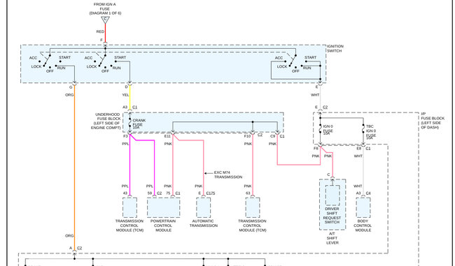
So you have power and ground and replaced the controller blower motor and resistor, there must be a wiring issue. here is a guide to help you with the wiring diagrams for the system enlarged so you can read them. Check continuity to ground on all none ground wires.

https://www.2carpros.com/articles/how-to-check-wiring

Check out the diagrams (below). Please run this test and get back to us.
Feb 14, 2020 at 10:41 AM
Avatar
JOEPA
  • MEMBER
  • 7 POSTS
So I tested the wiring harness where it connects to the blower motor resistor . I have 12 (11.8) volts continuously at the red wire. I also tested each speed and got 12 (11.8) at each of the wires that corresponds with each speed. The fan only works on speed 5 and once I turn the fan from off to on my abs light, brake warning light and service brake system come on in the dash. I'm preparing to take the entire dash out of the truck but before I do was wondering if there's anywhere else I should be looking. I also ran a dedicated ground off the harness to a grounding point to determine that the ground is not the issue. I'm really stumped on this one. Any further help would be much appreciated. Joe
Feb 16, 2020 at 1:58 PM
Avatar
TOUGHDIVER
  • CERTIFIED EXPERT
  • 224 POSTS
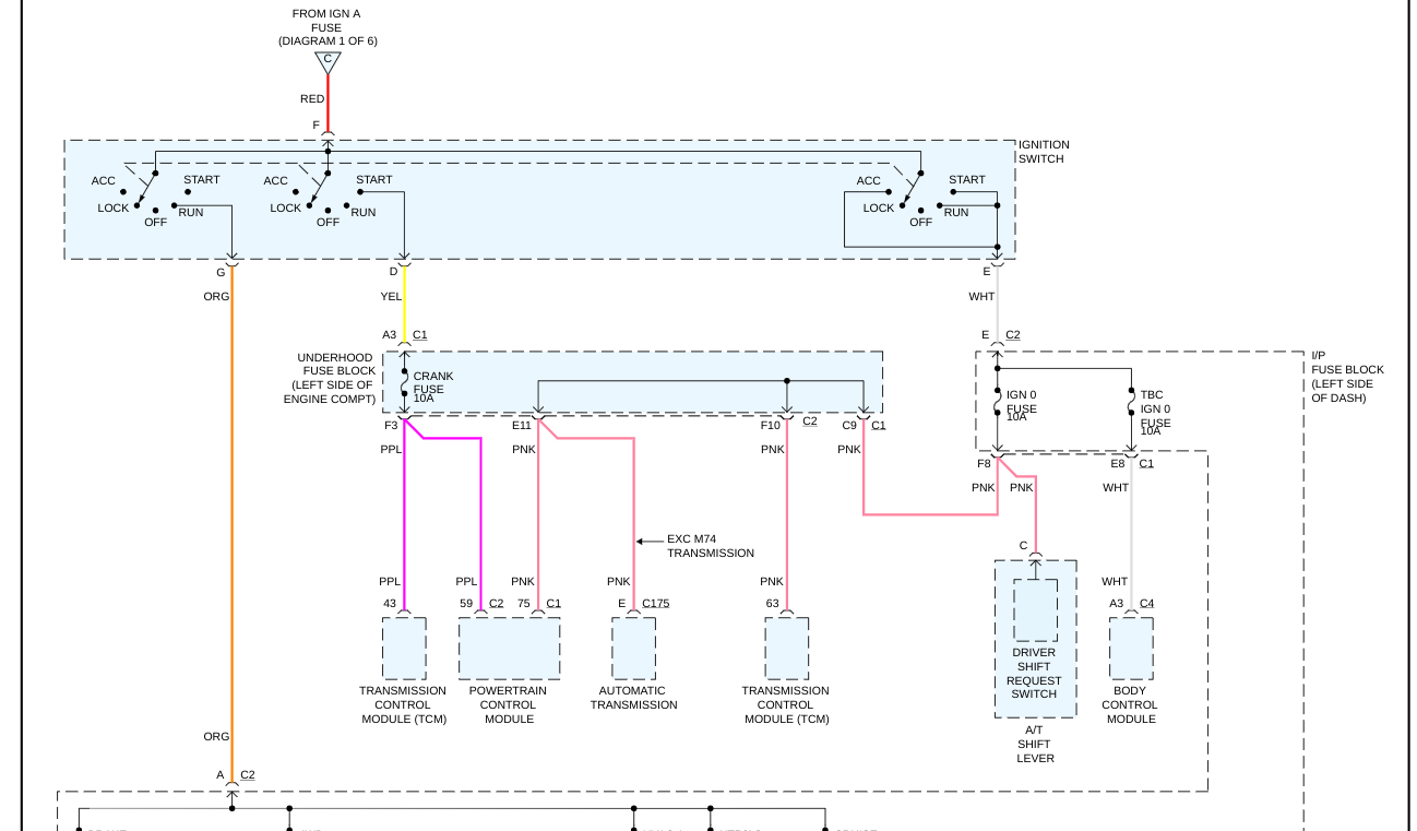
The blower motor circuit is a isolated circuit if the ABS light is coming on the problem could be a voltage drop at the junction block. Check the orange wire C2 terminal A for a voltage drop at the IP fuse block (it's the big wire) this wire runs from the ignition switch to the back of the IP fuse block. You will need to remove the block to access to the wires. Check the back of the fuse block for burnt or melted wire or wires. I'm attaching wiring diagrams and fuse block locations below. The wiring diagrams are into 2 hafts for easier viewing. Please let us know if this was helpful.

Thanks
Joe T.
Feb 17, 2020 at 8:26 AM
Avatar
JOEPA
  • MEMBER
  • 7 POSTS
Duff,

Finally figured it out. Swapped out Ignition Starter Switch and blower works on all speeds as well as the ABS lights and service brake system gone. Thanks for all the help. Hopefully this will save someone some time down the road. - Joe
Feb 26, 2020 at 10:37 AM
Avatar
STRAILER
  • CERTIFIED EXPERT
  • 53,854 POSTS
Glad you could get it fixed, that kind of problem can be tough. Please use 2CarPros anytime we are here to help.
Feb 26, 2020 at 10:41 AM