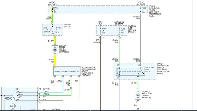
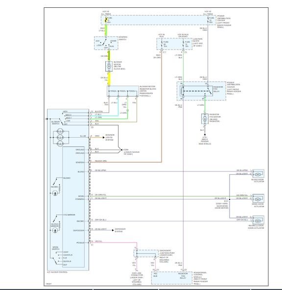
Fan and A/C working while driving. Stopped, shut off vehicle. Started driving again and no fan but A/C light is on. A/C light stays on with switch in any position, usually light would go out when fan switch is in the off position. A/C clutch in engine bay will turn on/off when pushing A/C switch.
Blower motor and resistor was replaced about one and half years ago.
Blower motor and resistor was replaced about one and half years ago.
Jun 23, 2019 at 11:45 AM

