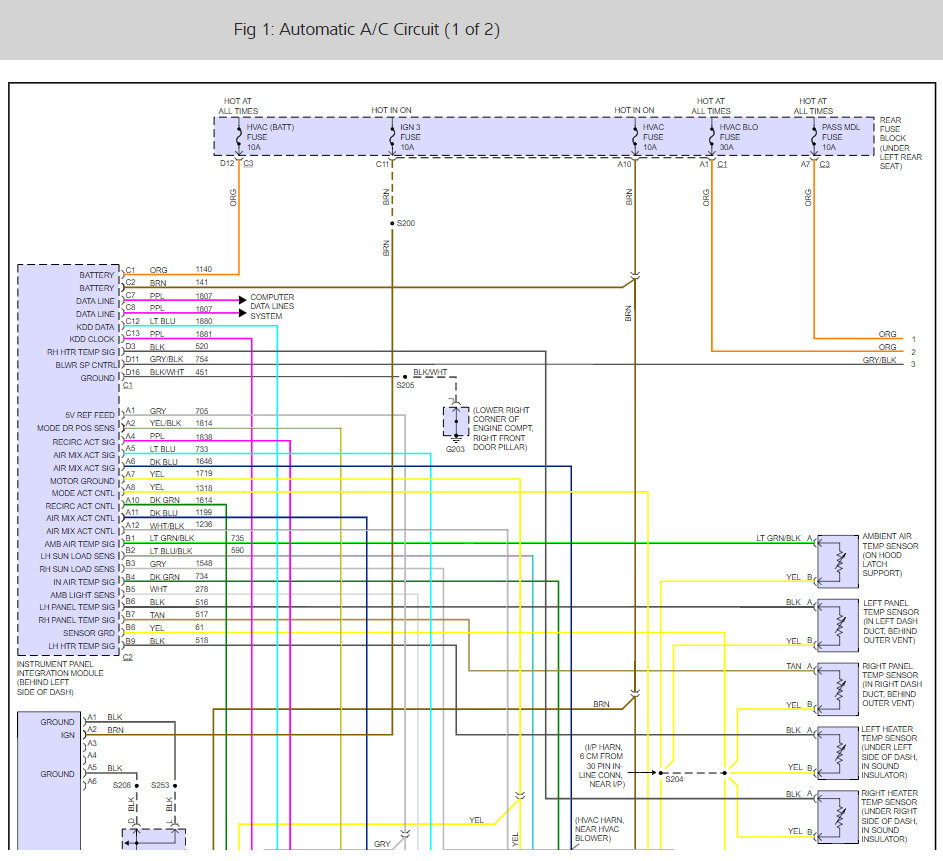
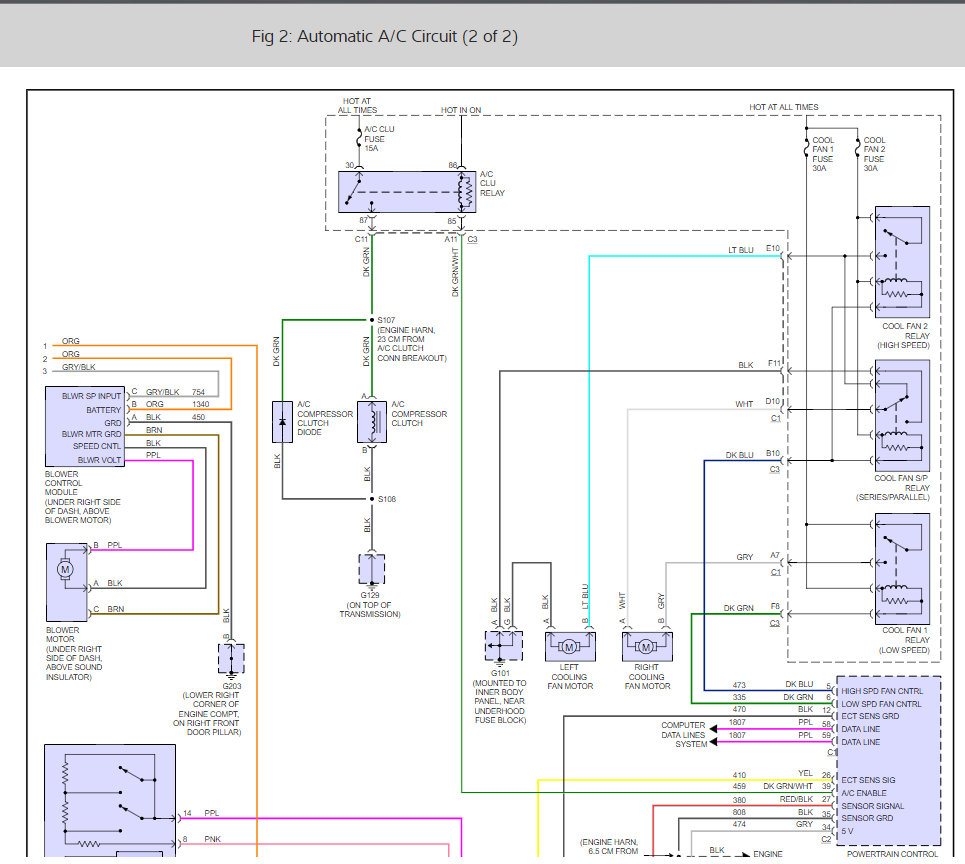
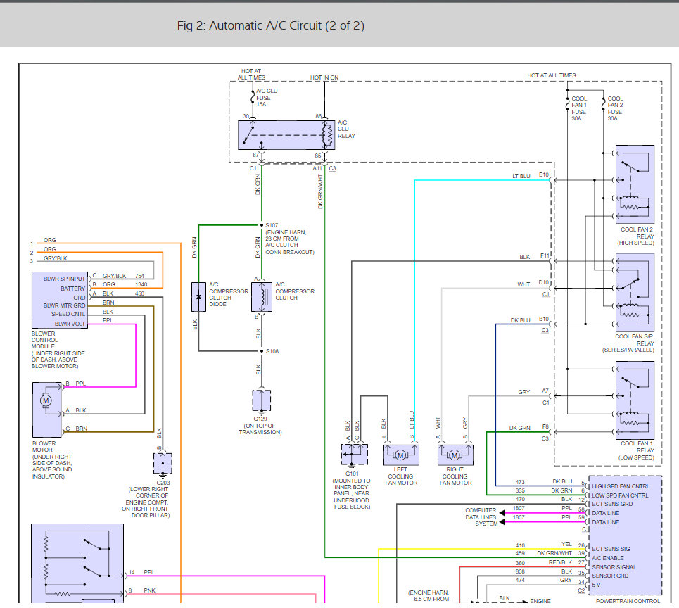
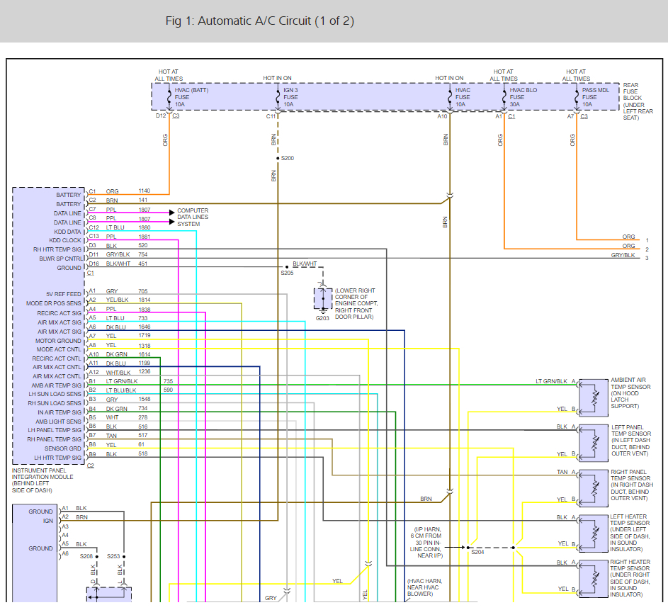
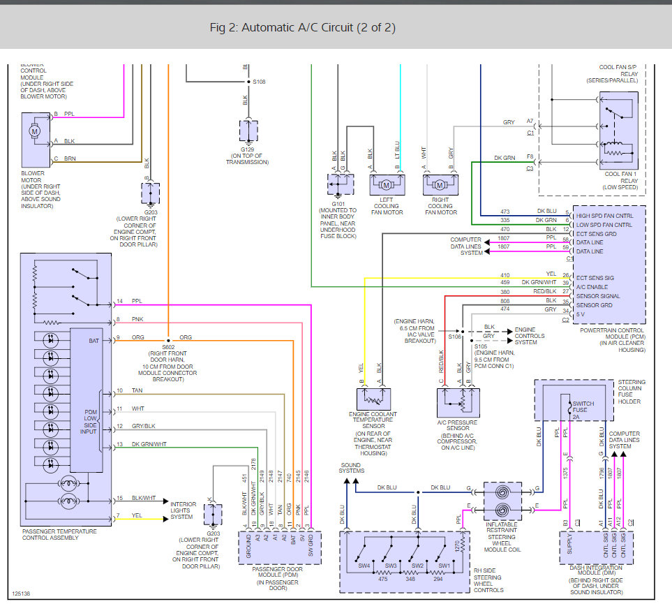
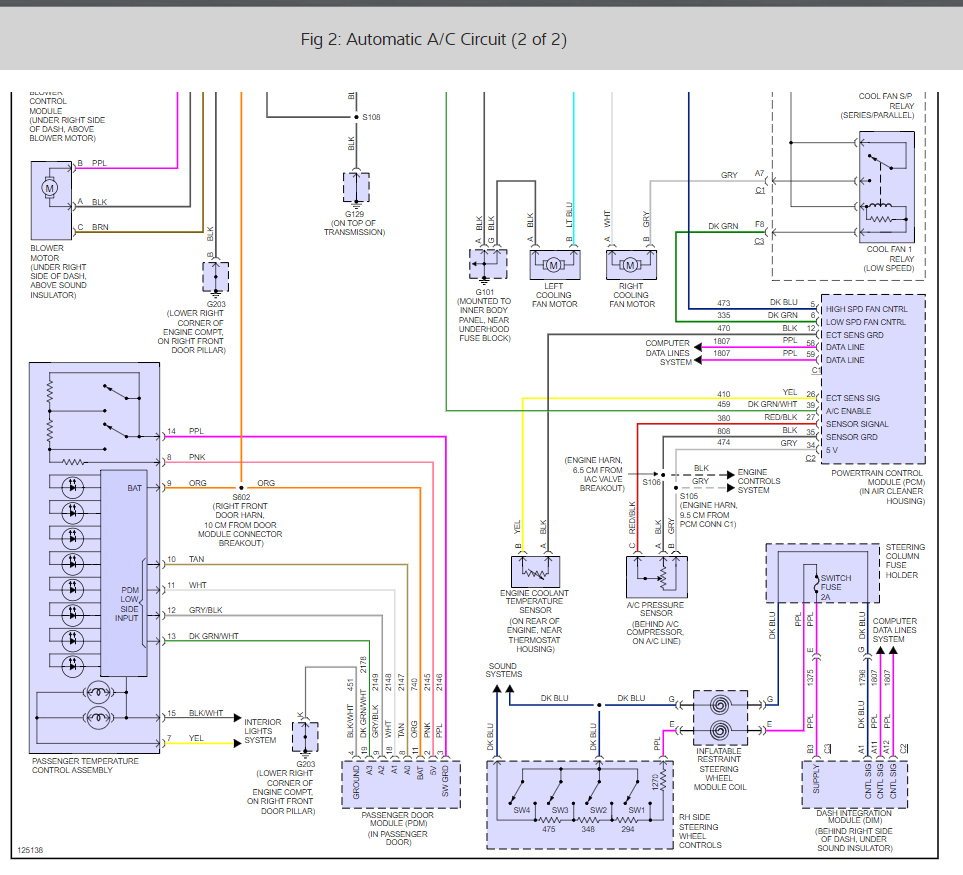
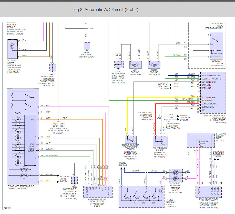
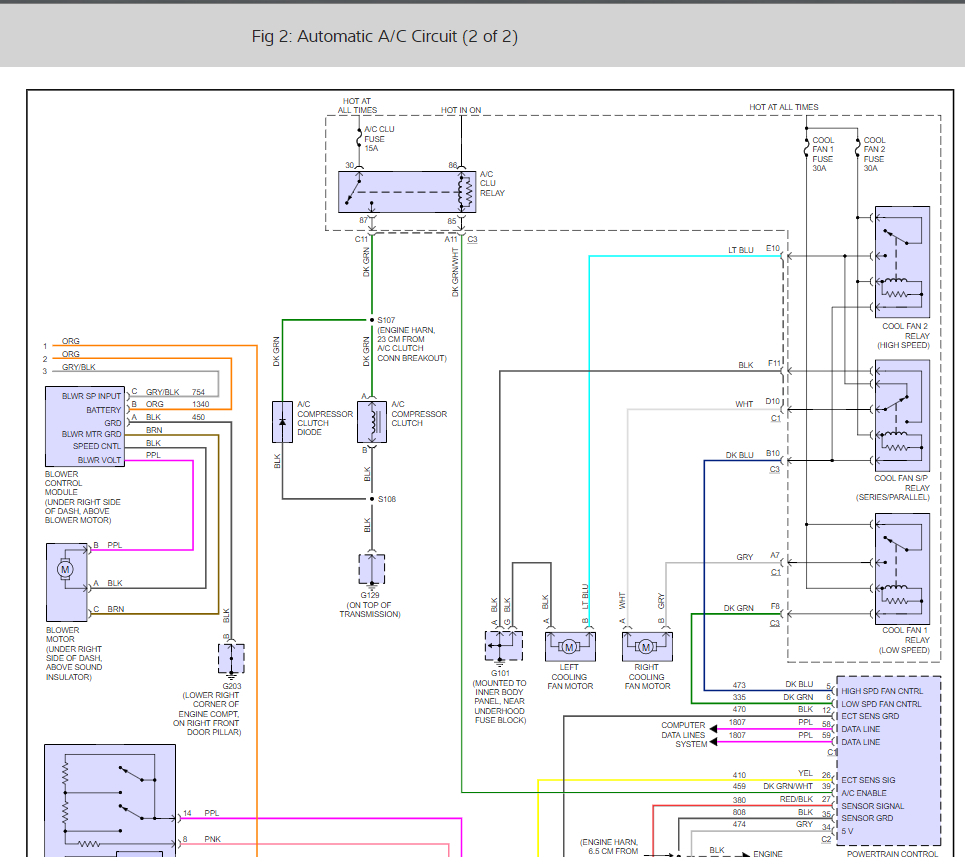
One day my mother got into her car it is the Limited model. the AC/heater/blower motor no longer function it has the digital display not the sliders. the digital display only says only says CF none of the buttons work. it does not have any of the normal icons it is completely blank.
the car worked fine aside from the typical left side blowing hot while the rest blows cold. which I bypassed four years ago by using a lawn mower throttle cable.
there are also no codes given off by the on-board diagnostics. I have searched the internet high and low and I also took it to the Buick dealer. they also did not know what was wrong. I have tried replacing the climate control, unhooking the battery I am completely stumped as to what could be wrong with it.
the car worked fine aside from the typical left side blowing hot while the rest blows cold. which I bypassed four years ago by using a lawn mower throttle cable.
there are also no codes given off by the on-board diagnostics. I have searched the internet high and low and I also took it to the Buick dealer. they also did not know what was wrong. I have tried replacing the climate control, unhooking the battery I am completely stumped as to what could be wrong with it.
Aug 27, 2017 at 3:19 PM



