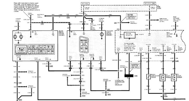
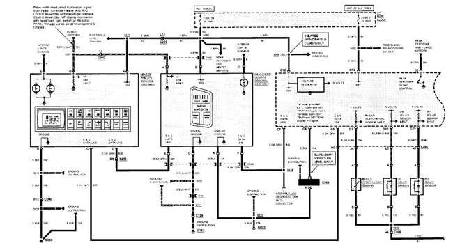
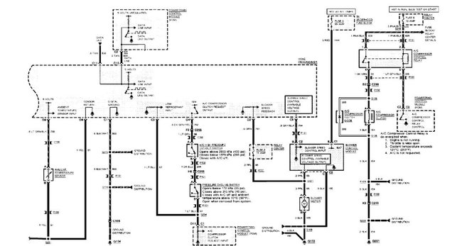
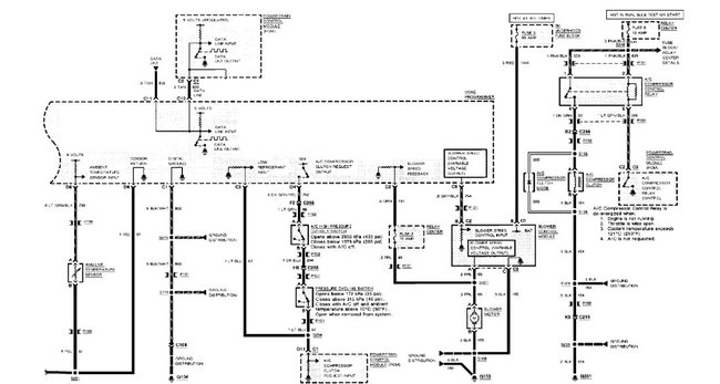
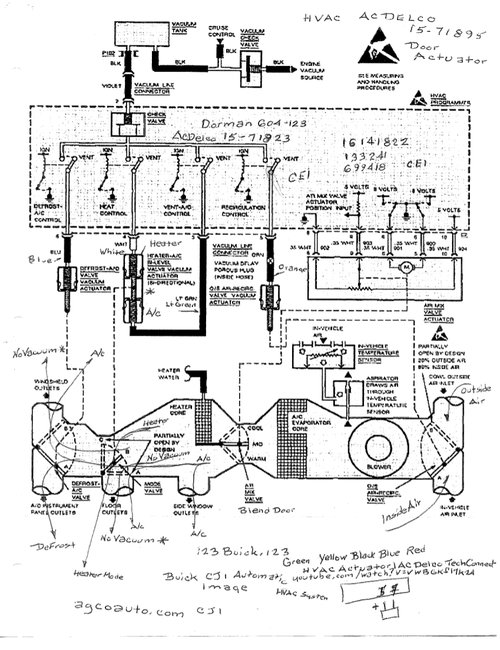
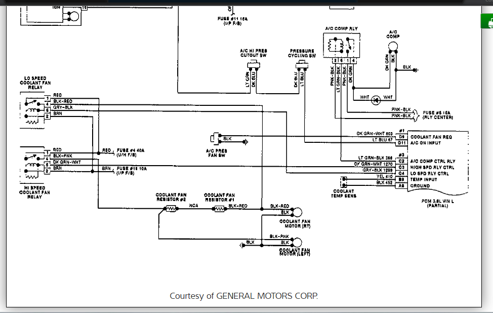
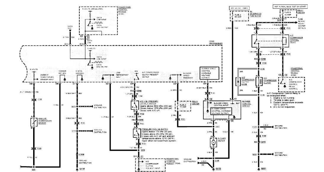
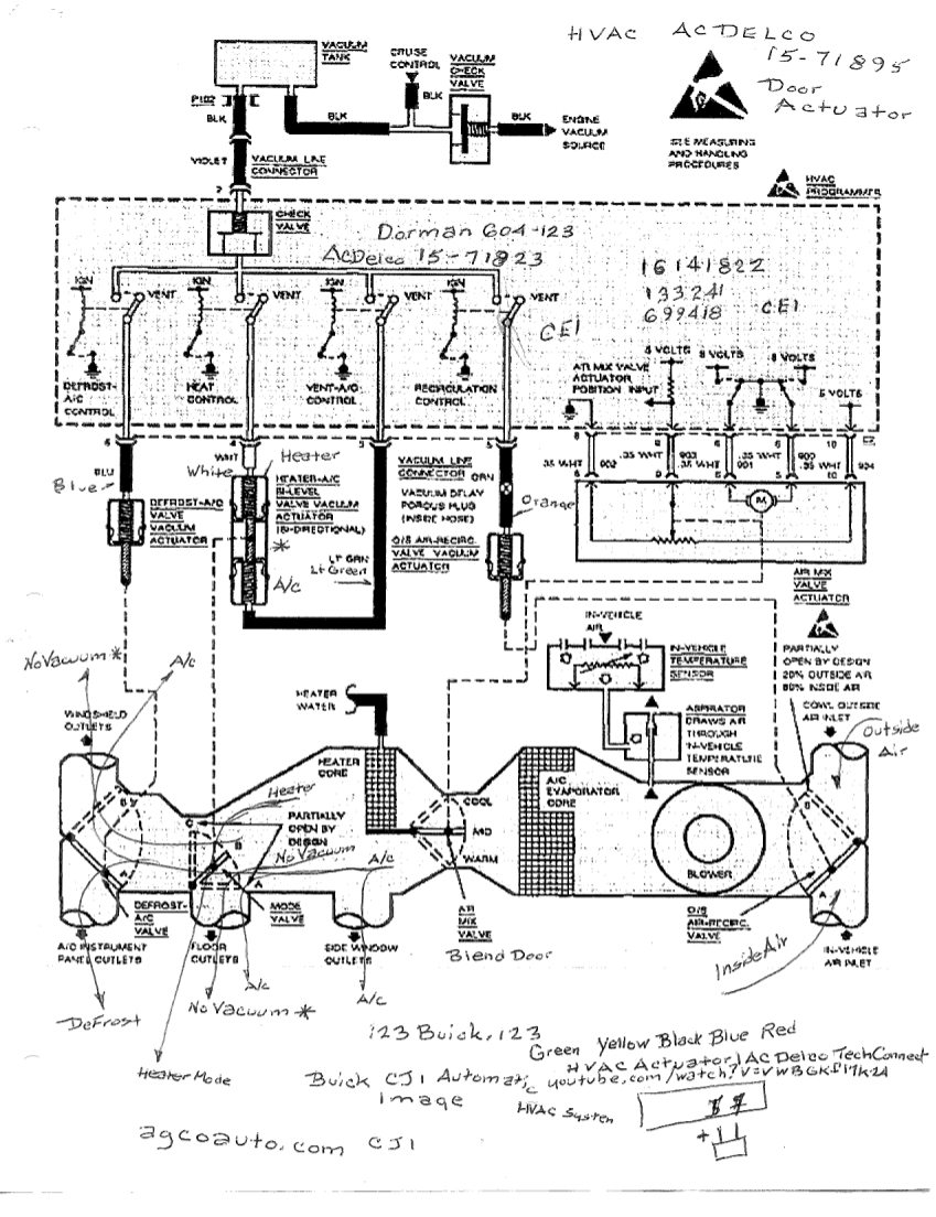
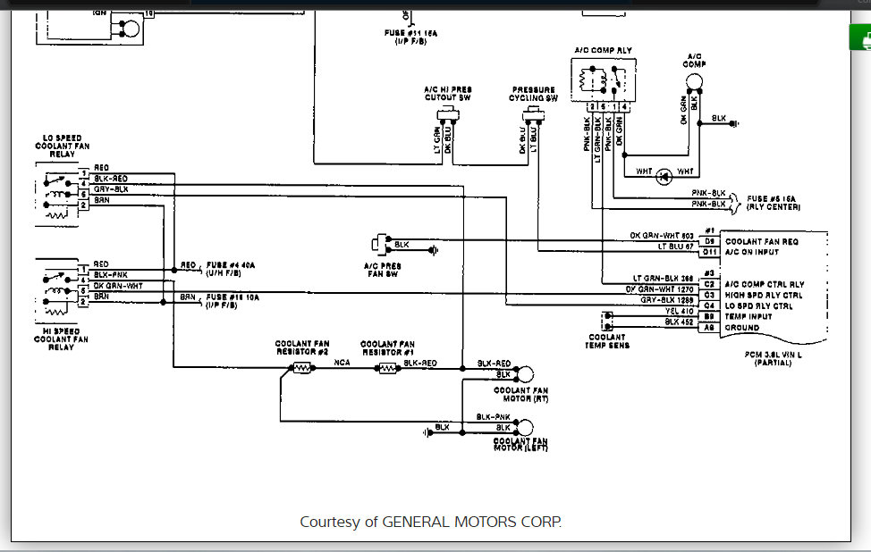
HVAC climate control. Where may a cross section/schematic diagram be found, showing dual zone air doors and all other air doors, together with actuators for same?
Feb 15, 2019 at 2:46 AM









