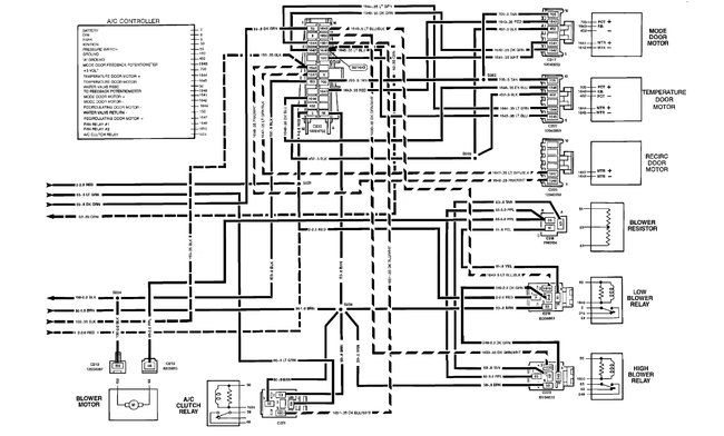
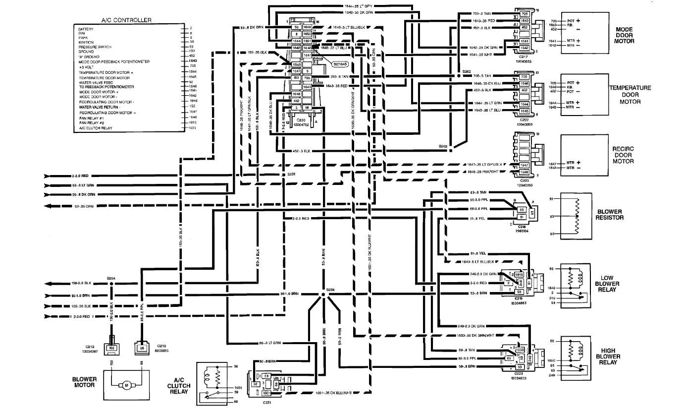
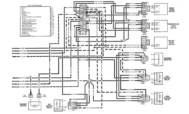
The A/C clutch engages when the vehicle is turned off draining the battery.
I can disconnect the A/C cycling switch and it will disengage. I replaced the cycling switch thinking that was the problem, but I was wrong. I put a test light on one side of the and there is power to it even though the vehicle key switch is off.
I can disconnect the A/C cycling switch and it will disengage. I replaced the cycling switch thinking that was the problem, but I was wrong. I put a test light on one side of the and there is power to it even though the vehicle key switch is off.
Aug 18, 2022 at 2:36 AM


