radio does not turn off after exiting the vehicle?

2004 HUMMER H2
Avatar
BILLWALKER
  • MEMBER
  • 1 POST
The radio does not turn off after exiting the vehicle causing the battery to run down overnight. In addition the instrument panel lights stay on as well. Is this a wiring shortage? What should do about this problem? I have put in new battery and it runs down overnight also.
Aug 24, 2009 at 8:39 PM
Advertisement
Avatar
KASEKENNY
  • CERTIFIED EXPERT
  • 18,907 POSTS
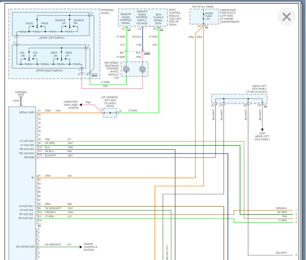
There are a number of things that can cause this, so we need to start with removing the fuses for the radio and see which one cuts it off.

Basically, what is causing this to happen is the radio is getting power when it should be off. So that means the radio is either shorted or there is another component causing the circuits to remain on.

I am attaching the wiring diagram below for us to start checking the voltage along with the fuses.

https://www.2carpros.com/articles/how-to-check-a-car-fuse

https://www.2carpros.com/articles/how-to-check-wiring

If unplugging the fuses does not cause the radio to cut off, then we need to start disconnecting things like the amp and other things on this diagram.

Let's run through this info and let me know what questions you have.
Jan 4, 2022 at 3:55 PM