aftermarket remote start compatibility?

2005 HUMMER H2
140,000 MILES • 6.0L • V8 • 4WD • AUTOMATIC
Avatar
DOLLABILL25
  • MEMBER
  • 44 POSTS
I was wondering if a ultra start U1172XR pro is compatible with my vehicle and if so, could I possibly get a wiring diagram and do I need a bypass for it as well? thank you
Jun 9, 2023 at 12:49 PM
Advertisement
Avatar
STRAILER
  • CERTIFIED EXPERT
  • 53,854 POSTS
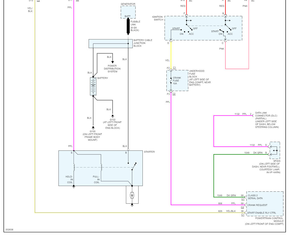
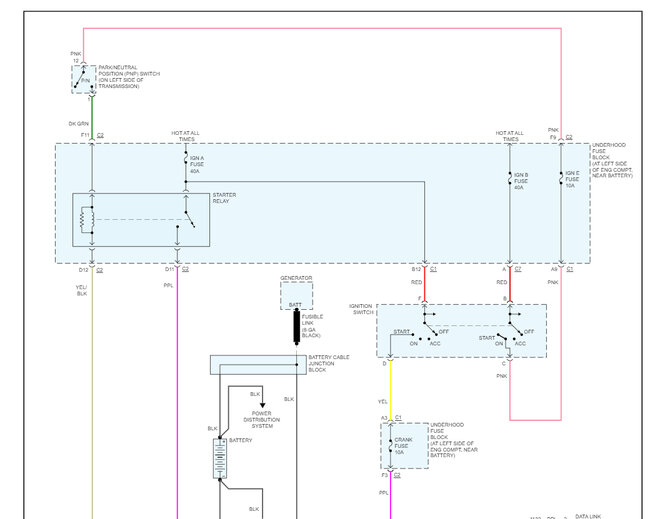
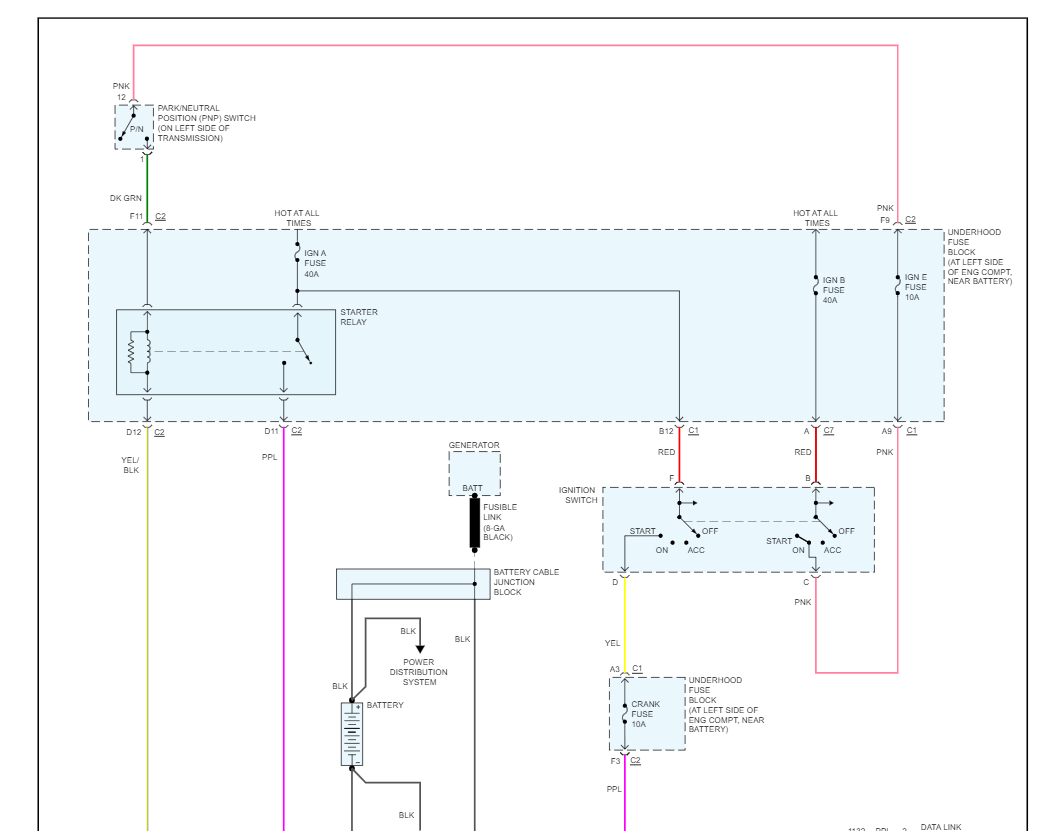
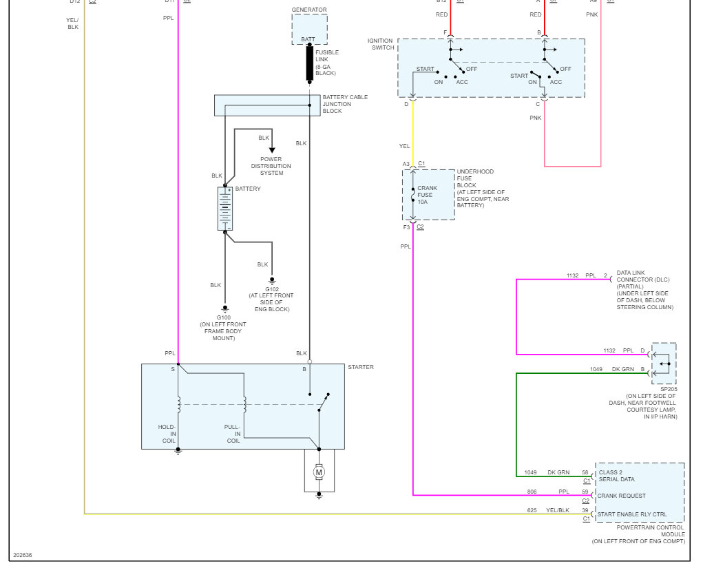
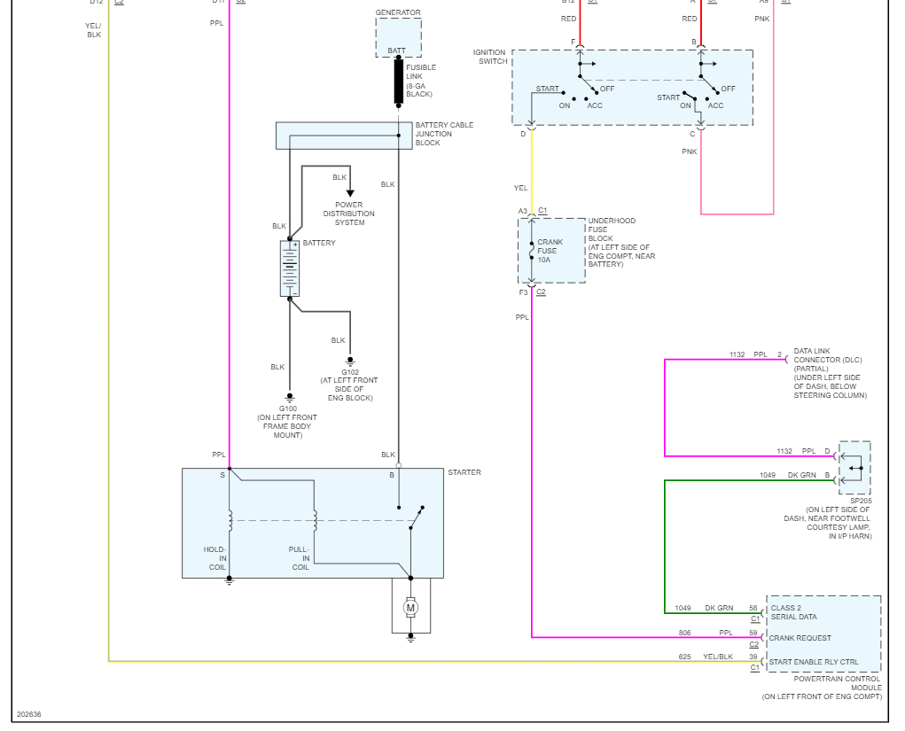
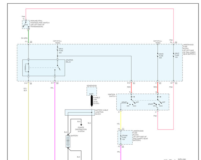
The Ultra Start U1172XR Pro is a remote start system designed for various vehicles, including the 2005 HUMMER H2 here is the starting system wiring diagrams so you can install the remote starting unit. Check out the images (below). Please let us know if you need anything else to get the problem fixed.
Jun 10, 2023 at 11:26 AM
Avatar
DOLLABILL25
  • MEMBER
  • 44 POSTS
Thank you very much, I'll let you know how it goes. And did I need some type of ignition security bypass or anything like that?
Jun 10, 2023 at 12:08 PM
Advertisement
Avatar
STRAILER
  • CERTIFIED EXPERT
  • 53,854 POSTS
I believe the system does not need a bypass. It should say in the instructions for the kit.
Jun 11, 2023 at 11:04 AM