First disconnect the battery so you will not create a short circuit. you will need to move the serpentine belt and then the front balancer.
Here are some guides that will give you an idea on what to do on that:
https://www.2carpros.com/articles/replace-serpentine-belt
and
https://www.2carpros.com/articles/how-a-harmonic-balancer-works
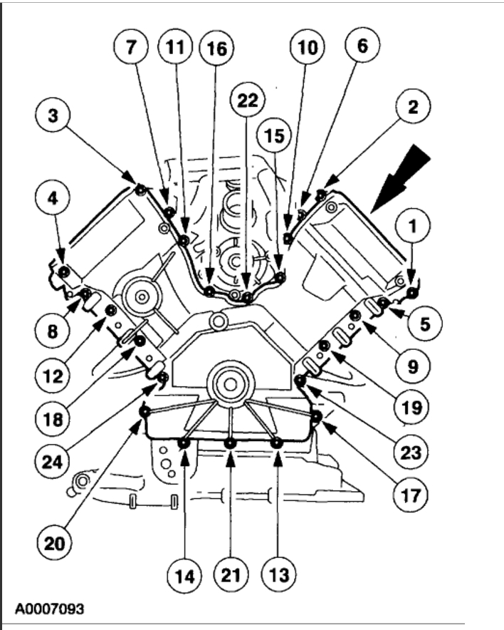
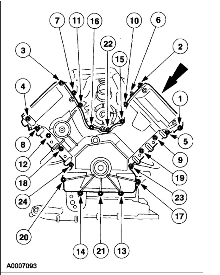
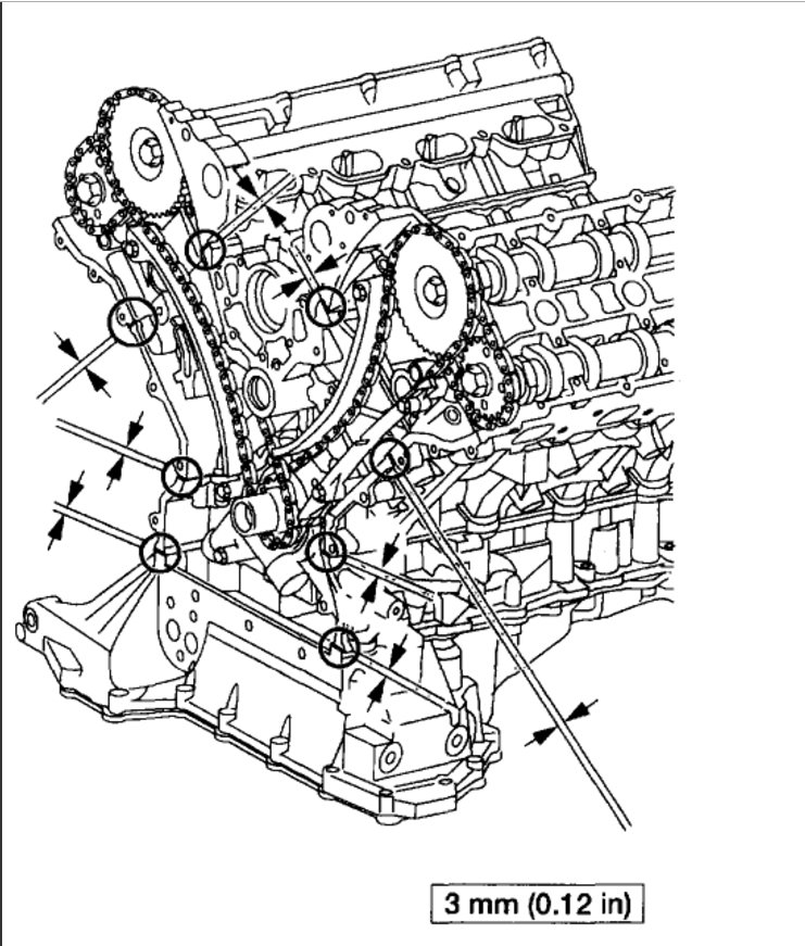
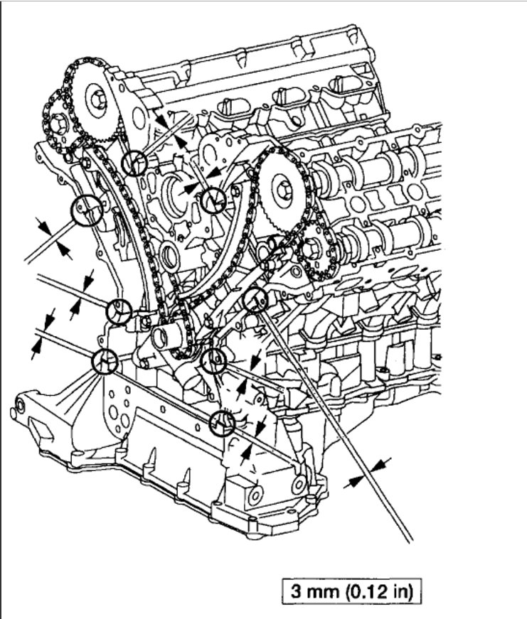
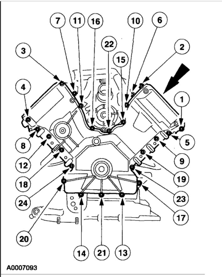
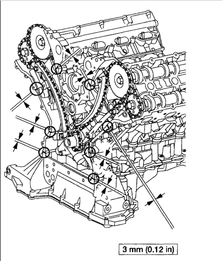
Below are the timing cover diagrams needed to help you do the job.
Please let us know what happens and upload pictures of the problem.
Cheers, Ken
Images (Click to enlarge)
Sep 5, 2017 at 2:42 PM