vehicle will not start?

1999 JEEP GRAND CHEROKEE
200,000 MILES • 4.0L • 6 CYL • 4WD • AUTOMATIC
Avatar
CASCHOM
  • MEMBER
  • 27 POSTS
Car was working fine. i change camshaft and crankshaft sensor i put Mopar. i cleaned the idle control valve and it worked 5 minutes and stopped. since then can't start.
Oct 24, 2019 at 4:46 PM
Advertisement
Avatar
SCGRANTURISMO
  • CERTIFIED EXPERT
  • 4,897 POSTS
Hello,

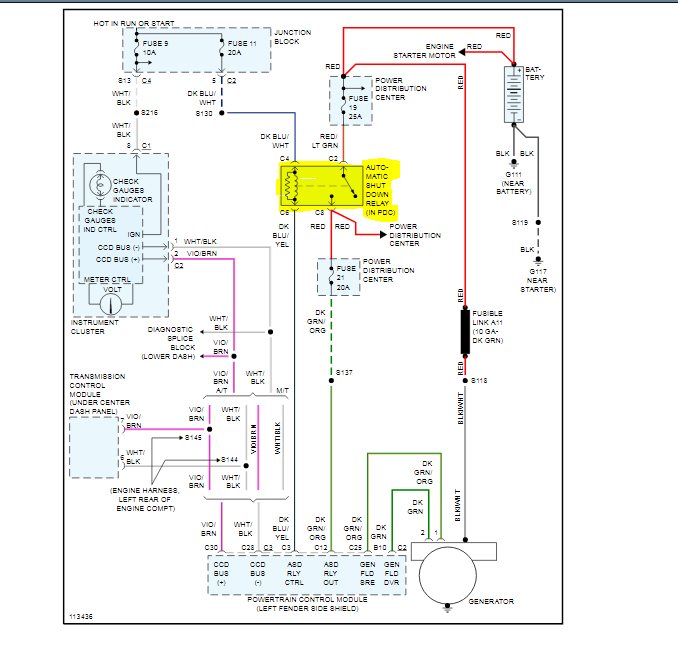
This sounds like your vehicle could be having an issue with the Auto Shut Down[ASD] Relay failing. In the diagrams down below I have included a wiring diagram of your vehicle's charging system wiring diagram, and the location of the Power Distribution Center[PDC] and a diagram with callout of the PDC[showing the ASD Relay]. Please test the ASD Relay and then report back with what you find out. Here is a link explaining how to do that below:

https://www.2carpros.com/articles/how-to-check-an-electrical-relay-and-wiring-control-circuit

When you turn the key to the on position without cranking the engine over can you hear the fuel pump run in the tank for 5 seconds?

https://www.2carpros.com/articles/car-cranks-but-wont-start

Please run down this guide and report back.

Thanks,
Alex
2CarPros

Oct 24, 2019 at 7:17 PM
Avatar
CASCHOM
  • MEMBER
  • 27 POSTS
i change the ASD relay, made most of the test check fuses =okay , still not working . the injector have no electricity and don't click when tested , have no code reading.
Nov 2, 2019 at 8:16 AM
Advertisement
Avatar
SCGRANTURISMO
  • CERTIFIED EXPERT
  • 4,897 POSTS
Hello again,

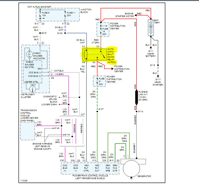
Okay, that's good. Next can you please check fuse 21 in the Power Distribution Center, which is next to the battery in your vehicle. In the diagrams down below I have included diagrams with the location, layout, and callout for the Power Distribution Center[PDC] for your vehicle, and the wiring diagrams for your vehicle's Engine Management for reference for you as well. Here is a link below, if needed, on how to check a fuse:

https://www.2carpros.com/articles/how-a-car-fuse-works

Please go through these guides and check fuse 21 and get back to us with what you find out. We can go from there, if necessary.

Thanks,
Alex
2CarPros
Nov 3, 2019 at 12:24 AM
Avatar
CASCHOM
  • MEMBER
  • 27 POSTS
fuse 21 test okay, good.
Nov 4, 2019 at 8:21 AM
Avatar
SCGRANTURISMO
  • CERTIFIED EXPERT
  • 4,897 POSTS
Hello again,

Okay, can you please check fuses 19 and 24 for me in the Power Distribution Center for me as well too, please.

Thanks,
Alex
2CarPros
Nov 4, 2019 at 3:52 PM
Avatar
CASCHOM
  • MEMBER
  • 27 POSTS
I tested the coil pack and the injector no electricity found, I bought a code tester, Creader V+, I can't find any code reading it keeps scanning and tell me I have to verify if I am connected to DLC, if ignition is on, and vehicle compliant with OBDII, I thought the tester was bad I tried it on 2 other Cars, it reads their codes and gives results. However I see the yellow engine check after a few seconds. What does that mean?
Nov 23, 2019 at 6:34 PM
Avatar
SCGRANTURISMO
  • CERTIFIED EXPERT
  • 4,897 POSTS
Hello again,

It means that your vehicle doesn't have any Direct Trouble Codes[DTC][s] stored in the Keep Alive Memory[KAM] of the Powertrain Control Module[PCM] or "computer". This is a good thing. When a DTC's get stored in the KAM of the PCM, your vehicle's Malfunction Indicator Lamp[MIL] or "check engine" lamp will illuminate. If your vehicle's MIL is illuminated and flashing, then this is considered a "catalyst damaging" event, and needs to dealt with immediately. So, diagnostic testing resulted in no spark or fuel to the engine. How did fuses 19 and 24 in the Power Distribution Center test out?

Thanks,
Alex
2CarPros
Nov 23, 2019 at 9:25 PM
Avatar
CASCHOM
  • MEMBER
  • 27 POSTS
fuses 19 and 24 test okay. I can see the yellow "check engine "yellow light illuminate after 15 seconds , a few mn ago i had a new problem it wont start at all , the motor won't turn when i turn the key to start .. no motor turn ..
Nov 24, 2019 at 12:17 PM
Avatar
CASCHOM
  • MEMBER
  • 27 POSTS
A mechanic came and found the crankshaft sensor loose , the bolt was not tight , he took it off to double check the quality of the part , and put it back , the spacer was still there but he wanted to take it off , he was insisting that the spacer glued to the sensor was not important when i remember reading the contrary , the car still didn't start after he put it back , after he left i tried starting again that's when it wont turn at all after a few try. i wonder if there is a link between the spacer maybe missing and the complete failure of the starting system. if the spacer is that important and missing where can i buy it since its a brand new mopar CKS ?
Nov 24, 2019 at 5:26 PM
Avatar
SCGRANTURISMO
  • CERTIFIED EXPERT
  • 4,897 POSTS
Hello again,

I have included in the diagrams down below the description of the Crankshaft Sensor[CKP] for your vehicle. If your vehicle is not getting the CKP signal your vehicle will not start. I would recommend replacing the CKP sensor in your vehicle. Please go through them and get back to us with how everything turns out.

Thanks,
Alex
2CarPros
Nov 24, 2019 at 8:05 PM
Avatar
MICHAEL LAIR JR
  • MEMBER
  • 1 POST
I turn her over and over. I hear the fuel pump come for a second then try and start but no start. I am wondering if may be the float stuck or the filter is clogged?
Aug 30, 2020 at 10:49 AM (Merged)
Avatar
KASEKENNY
  • CERTIFIED EXPERT
  • 18,907 POSTS
Hi Michael,

If the pump is not continuing to run then you are not building pressure. I would put a fuel pressure gauge on it just to confirm. One other way to confirm it is fuel is to spray starter fluid in the intake and see if it fires until that is gone. If so, then you will probably find low fuel pressure. At that point, it could be a plugged filter so it can't hurt in trying to change that.

Keep in mind, if the filter is clogged that could have worn out your pump. So if you are changing the pump, I would just put a fresh filter on it to be safe.

I included the procedure on how to replace it if that is what you find.

https://www.2carpros.com/articles/how-to-check-fuel-system-pressure-and-regulator

https://www.2carpros.com/articles/how-to-replace-an-electric-fuel-pump
Aug 30, 2020 at 10:49 AM (Merged)
Avatar
SMASCHER
  • MEMBER
  • 3 POSTS
Check engine light came on and four codes came up. P0300, p0352, p0302, and p0305. Three of them were misfire codes and the other one was ignition coil. I replaced the ignition coil and spark plugs and now it will not start at all.
Aug 30, 2020 at 10:50 AM (Merged)
Avatar
CARADIODOC
  • CERTIFIED EXPERT
  • 34,306 POSTS
Did you try reinstalling the old ignition coil? Do you have the single coil or the pack with three coils?

Pull out one of the new spark plugs and check if the gap closed up. If it did, it's the wrong plug.

Did you disconnect a battery cable?
Aug 30, 2020 at 10:50 AM (Merged)
Avatar
SMASCHER
  • MEMBER
  • 3 POSTS
I can't plug the old ignition coil back in because when we took it off, the plug snapped off the old coil. It is the pack of 3. I took all the plugs back out and they are all gapped to .035. Yes we did unhook the cables. I just took the new ignition coil back and exchanged it for a new because I was able to get it started for almost a minute before dying and p0352 code came up. I also seen in some forums that a few people did get a faulty coil that was new from part store. I also replaced the crank pos sensor today.
Aug 30, 2020 at 10:50 AM (Merged)
Avatar
CARADIODOC
  • CERTIFIED EXPERT
  • 34,306 POSTS
When you disconnect the battery, the Engine Computer loses its memory. All the fuel trim numbers and sensor data will start to be rebuilt as soon as you start the engine, except for "minimum throttle". Until that is relearned, the computer won't know when it has to be in control of idle speed. The engine may not start or run unless the accelerator pedal is held down 1/4". You won't get the nice idle flare-up to 1500 rpm at start-up, and it will tend to stall at stop signs.

To meet the conditions for the relearn to take place, drive at highway speed with the engine warmed up, then coast for at least seven seconds without touching the pedals.
Aug 30, 2020 at 10:50 AM (Merged)
Avatar
LOUIS KEMP
  • MEMBER
  • 1 POST
I just had a belt and harmonic balance replaced on my jeep.when i stops or back up i sounds like it want to shut down, when i drives, it jerks and when i pick up speed it jerks even harder. When i was riding down the road pick up speed it started jerking then shut off.. i tried started it back up but it wont start even though it turns over. I also smell like gasoline
Aug 30, 2020 at 10:50 AM (Merged)
Avatar
MHPAUTOS
  • CERTIFIED EXPERT
  • 31,937 POSTS
Take it back to who ever did the work and get them to check that they have tightened everything and run a scan to check for any unresolved fault codes start here.
Aug 30, 2020 at 10:50 AM (Merged)