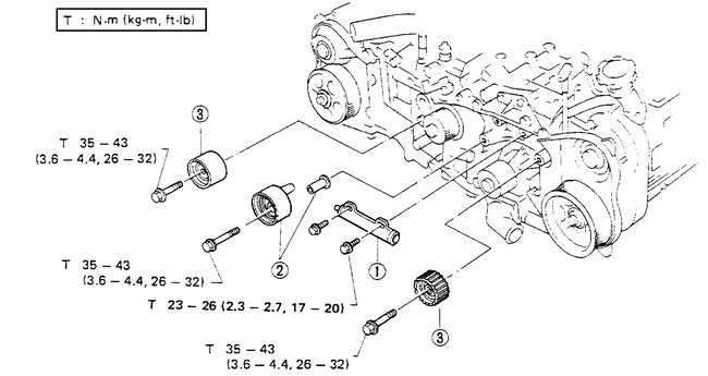
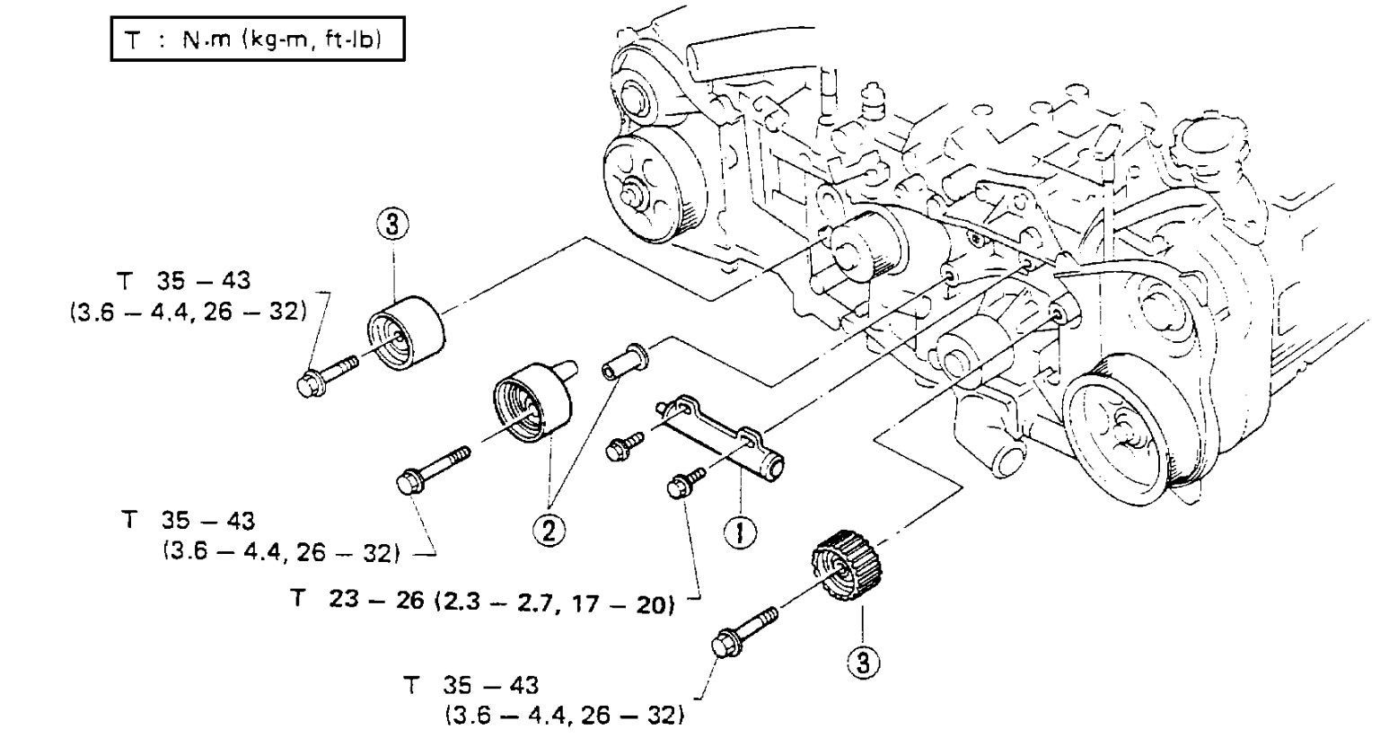
I was changing the water pump and I think I messed up on putting the timing belt back on because now the car won't start, it just makes a noise. which is in the video attached .
Jun 5, 2023 at 1:13 AM













