If you press the release, gently wiggle the connector while turning 1/4 turns back and forth. It should come off.
_______________________________
Here are the directions for replacement. The attached pics correlate with the directions.
_______________________________
2004 Pontiac GTO V8-5.7L VIN G
Procedures
Vehicle Powertrain Management Emission Control Systems Evaporative Emissions System Canister Purge Control Valve Service and Repair Procedures
PROCEDURES
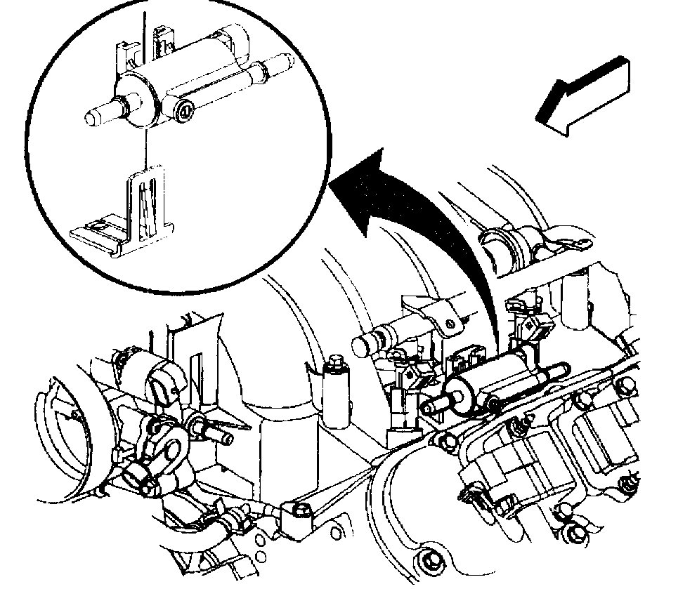
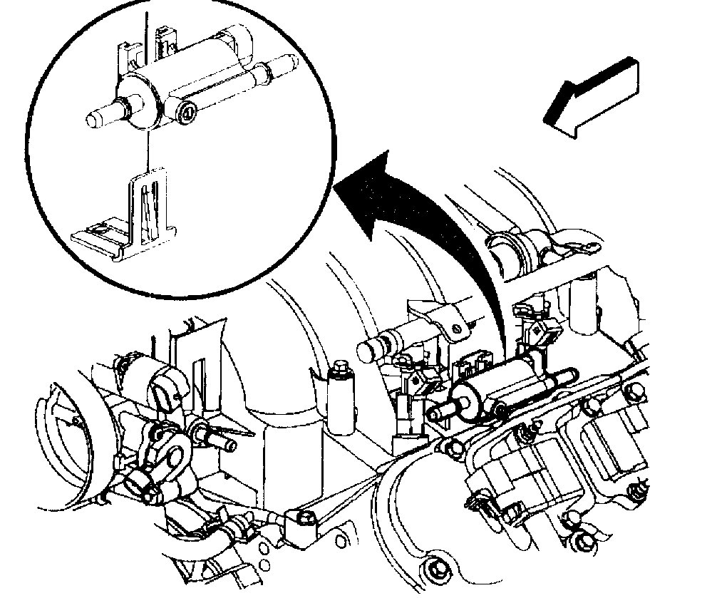
pic 1
Evaporative Emission (EVAP) Canister Purge Valve Replacement
Removal Procedure
1. Disconnect the EVAP engine vacuum pipe from the EVAP canister purge pipe.
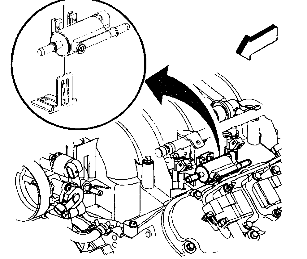
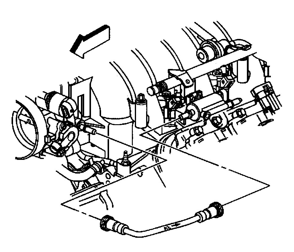
pic 2
2. Disconnect the engine compartment EVAP pipe at the EVAP canister purge valve.
3. Disconnect the EVAP canister purge valve harness.
4. Remove the EVAP canister purge valve.
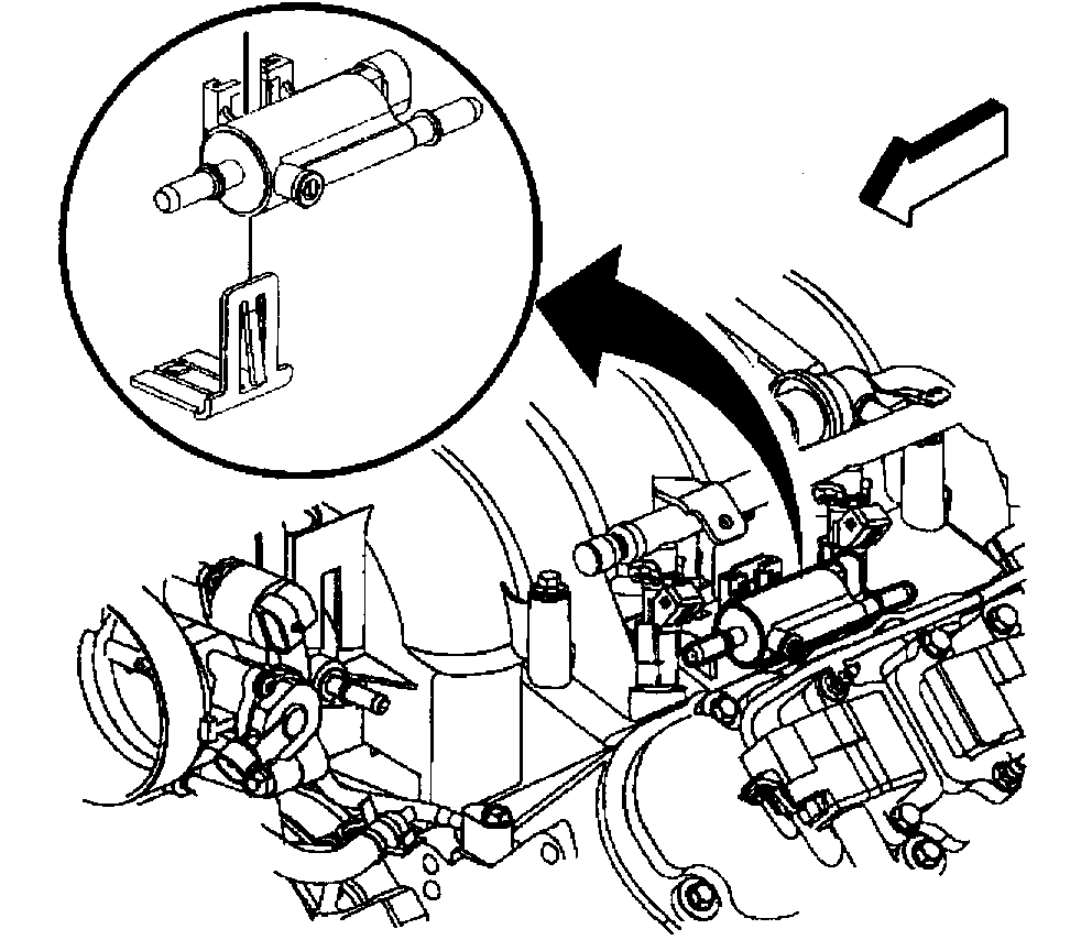
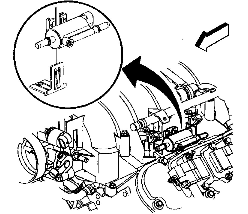
pic 3
Installation Procedure
1. Install the EVAP canister purge valve to the bracket.
2. Connect the electrical connector to the EVAP canister purge valve.
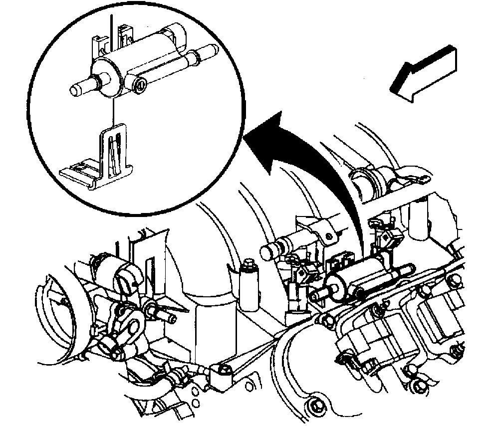
pic 4
3. Connect the engine compartment EVAP pipe at the EVAP canister purge valve.
4. Connect the engine vacuum pipe to the EVAP canister purge valve.
_________________________________
Let me know if it doesn't come off. Note there is a rubber o-ring in there that may have a bit of corrosion on it causing the problem.
Let me know.
Joe
Images (Click to enlarge)
Apr 27, 2020 at 11:00 AM