How to replace cylinder head temperature sensor?

2011 FORD FUSION
200,000 MILES • 2.5L • 4 CYL • 2WD • AUTOMATIC
Avatar
SHAWN TROBY
  • MEMBER
  • 4 POSTS
I am having a hard time locating the CHT on my fusion. Also, I’m not sure if I need a silver or gold one to replace.
Feb 25, 2023 at 3:14 PM
Advertisement
Avatar
STEVE W.
  • CERTIFIED EXPERT
  • 15,113 POSTS
The CHT on that engine is under a rubber cover between the center cylinder on the head. It is part number 8S4Z6G004A It is torqued to 106 Inch pounds. Why do you think it needs to be replaced?
Feb 25, 2023 at 10:32 PM
Avatar
SHAWN TROBY
  • MEMBER
  • 4 POSTS
Okay, this is where I thought it was. thank you! My engine light was on and the code I received was P0128 which is the CHT. I do all my own maintenance and wanted to make sure.
Feb 26, 2023 at 10:43 AM
Advertisement
Avatar
SHAWN TROBY
  • MEMBER
  • 4 POSTS
Also, the engine is running cool. Never hot just cooler than it needs.
Feb 26, 2023 at 10:46 AM
Avatar
STEVE W.
  • CERTIFIED EXPERT
  • 15,113 POSTS
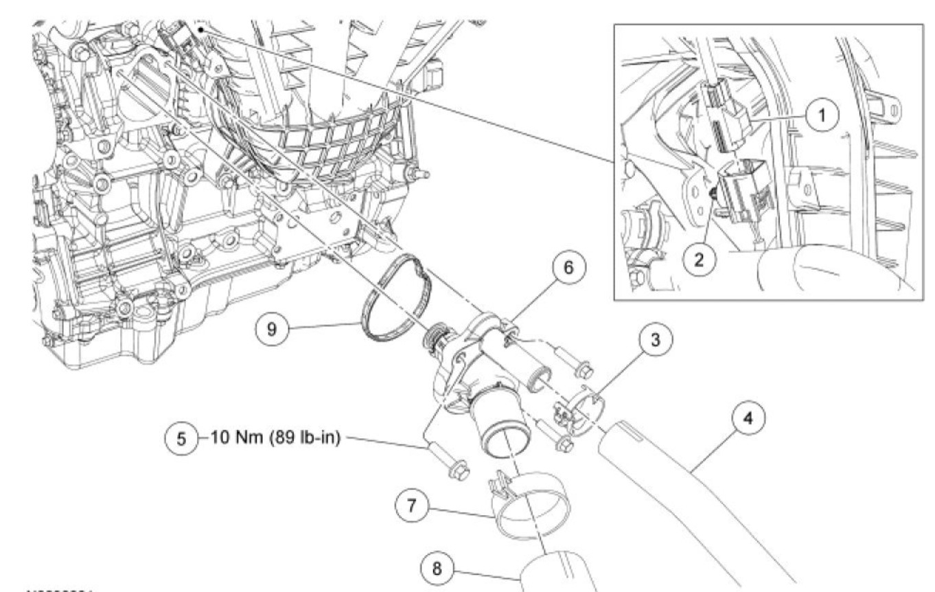
P0128 is 99% of the time a stuck open thermostat as the code means that the engine isn't reaching the thermostat's control temperature. That would fit with the cool running aspect as well. On that engine the thermostat is serviced as part of the water outlet housing as shown. Drain the cooling system, disconnect the knock sensor connector, remove the heater hose and rad hose from the outlet, then remove the three bolts. Clean the surface up and reverse the process to install the new one. Try to get an OE part 3M4Z8575B as the aftermarket ones tend to leak.
Feb 26, 2023 at 1:08 PM
Avatar
SHAWN TROBY
  • MEMBER
  • 4 POSTS
Thanks a lot!! You saved me so much time and money.
Feb 26, 2023 at 7:21 PM
Avatar
STEVE W.
  • CERTIFIED EXPERT
  • 15,113 POSTS
You are welcome. In most shops that code is called the thermostat code because it is the most common cause. The other cause is if the cooling fans stick on, but that becomes rather obvious from the sound the fans make.
Feb 26, 2023 at 7:43 PM