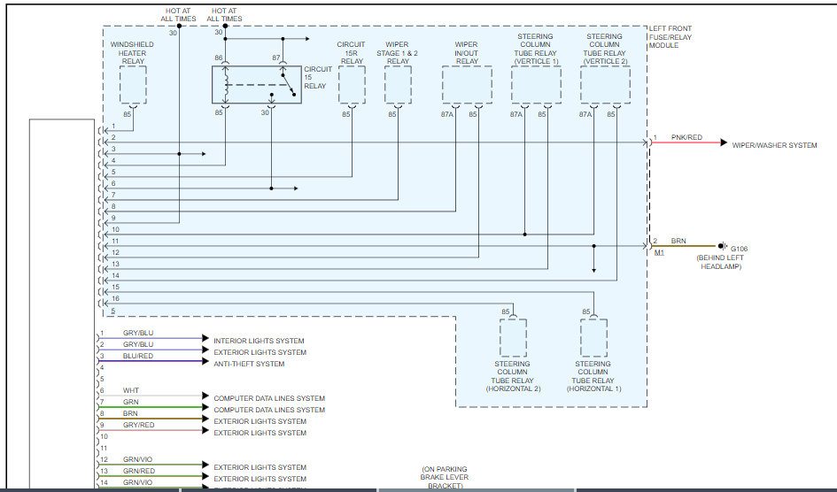
My dashboard control switches are not working and I need to check for power to the Upper Control Module.
How do i remove the wood trim around this switches so i can access the module?
How do i remove the wood trim around this switches so i can access the module?
Jun 5, 2020 at 4:23 AM









