steering wheel panel

2007 BUICK LUCERNE
50,000 MILES • 3.8L • V6 • FWD • AUTOMATIC
Avatar
ROYGOSSETT
  • MEMBER
  • 26 POSTS
I need to know how to remove the plastic dash panel underneath the steering wheel to allow me access to the brake light switch and the plugs for the airbag system.
Sep 18, 2014 at 10:02 AM
Advertisement
Avatar
HMAC300
  • CERTIFIED EXPERT
  • 48,601 POSTS
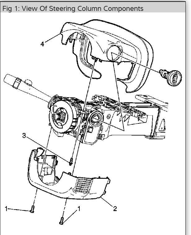
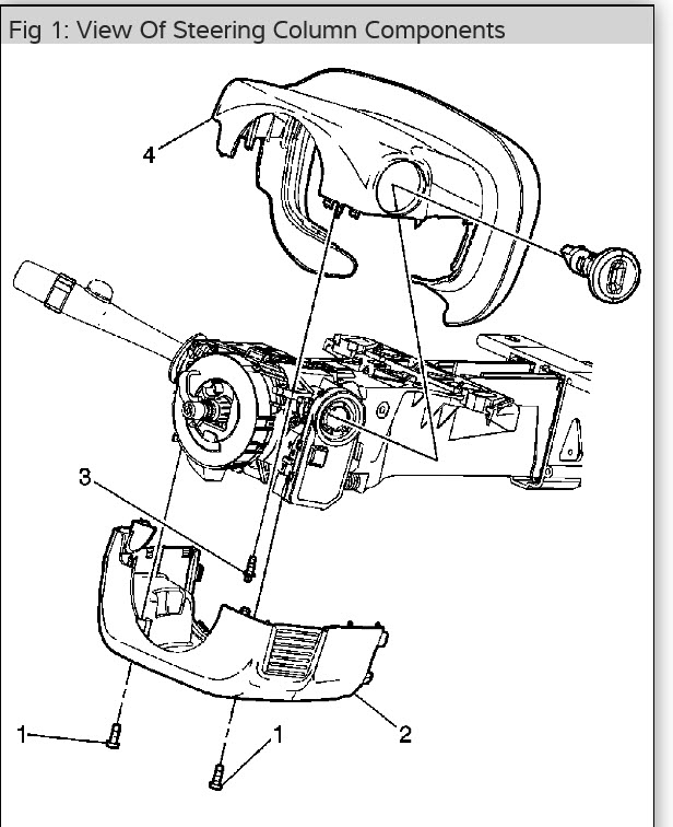
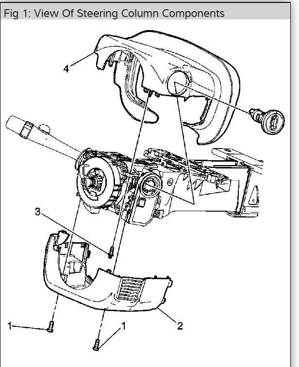
remove two screws and pulldown to get clipsto come out see pic. you may have to move toward firewall.
Sep 18, 2014 at 12:11 PM
Avatar
ROYGOSSETT
  • MEMBER
  • 26 POSTS
Thanks very much for the answer. I have used you guys on numerous occasions and you are great. I especially appreciate the picture. Again, thank you.
Roy L. Gossett
Sep 18, 2014 at 1:12 PM
Advertisement
Avatar
FRED FELIX
  • MEMBER
  • 1 POST
My Lucerne is a 2008. To remove the panel I had to pull upward toward the steering wheel as the tabs point downward.
Sep 23, 2016 at 9:24 AM
Avatar
HMAC300
  • CERTIFIED EXPERT
  • 48,601 POSTS
both are similar and it may have gone the way you had to do it........ see pics.
Sep 23, 2016 at 12:11 PM