☰
Login
Join
×
Home
Answered Questions
Repair Topics
Repair & Service Guides
Popular Questions
Warning Lights
Trouble Codes
How It Works
Testing / Diagnostics
Symptoms
Videos
Login
Become a Member
Home
Cadillac
Deville
Climate Control
Blower Fan
Replace/Remove
how to remove blower motor
2002 CADILLAC DEVILLE
103,000 MILES
LIZARDS
MEMBER
2 POSTS
FOLLOW
Can not drop blower motor. Rubber mat in the way. Can I cut the mat?
Aug 5, 2017 at 10:04 AM
Advertisement
STRAILER
CERTIFIED EXPERT
53,854 POSTS
Hello,
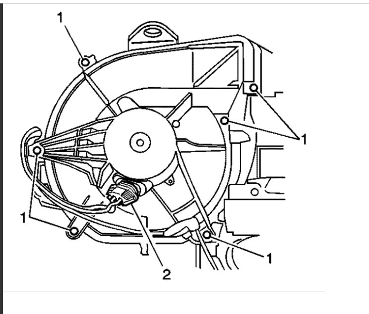
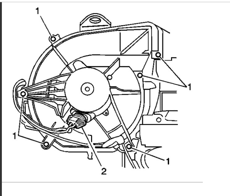
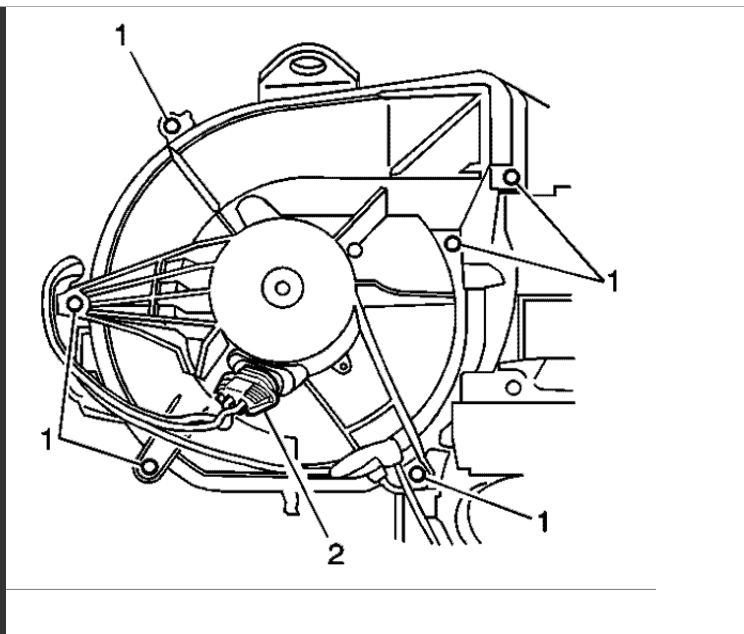
Yes, the sound mat can be tough. I have seen it both ways cut the mat or remove the insulation.
Here is a guide and some diagrams that will help you get the job done:
https://www.2carpros.com/articles/blower-fan-motor-works-on-high-speed-only
Please let us know what happens.
Cheers, Ken
Images (Click to enlarge)
Aug 7, 2017 at 11:40 AM