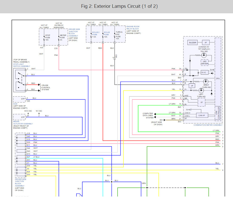
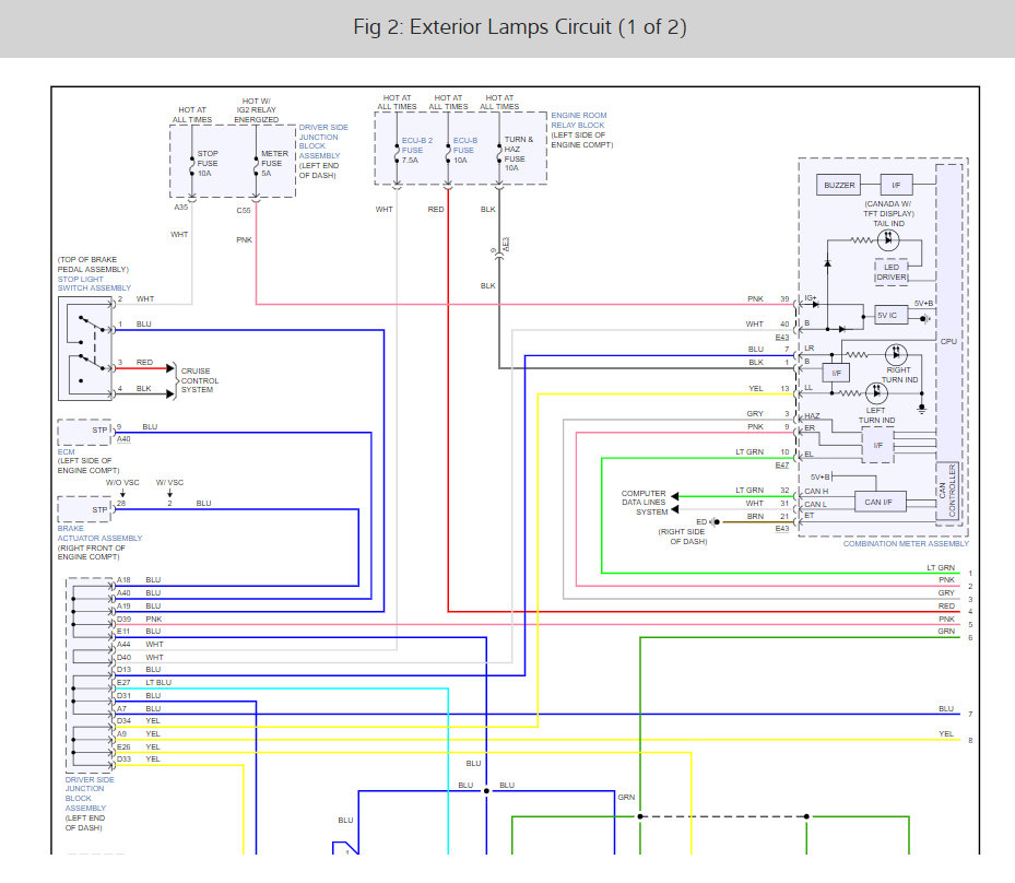
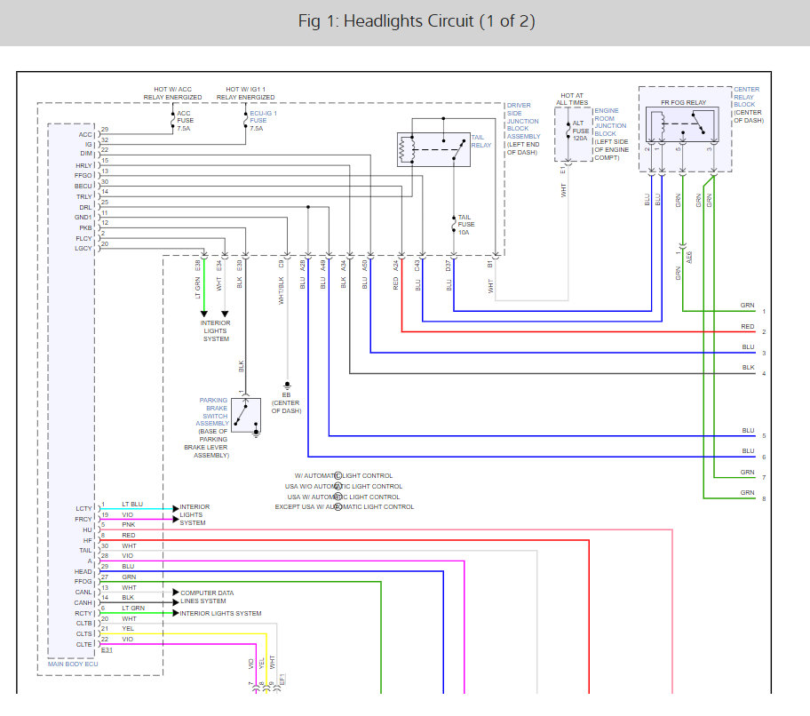
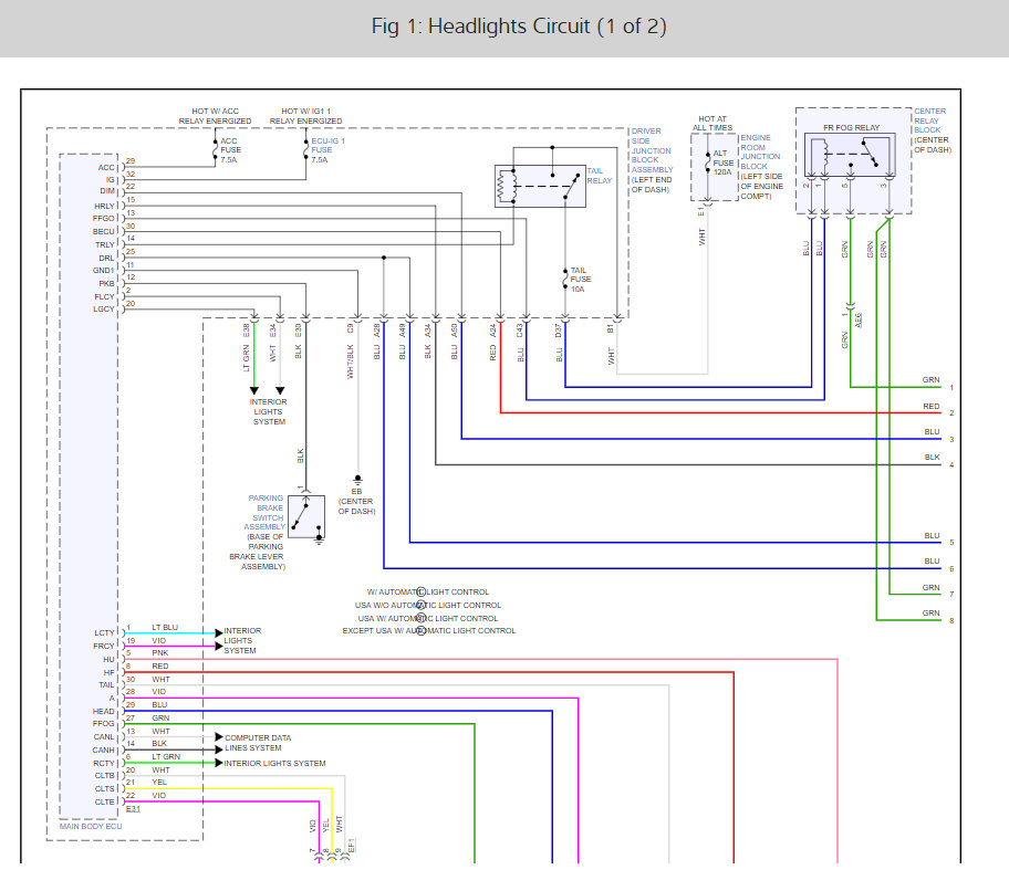
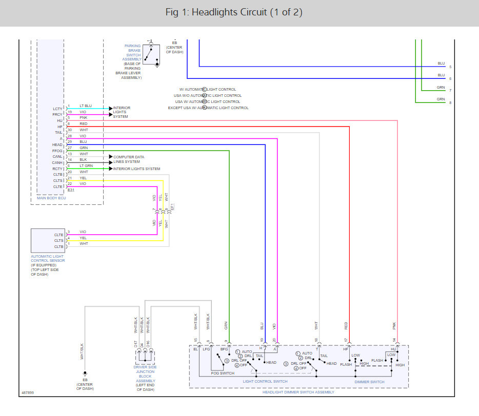
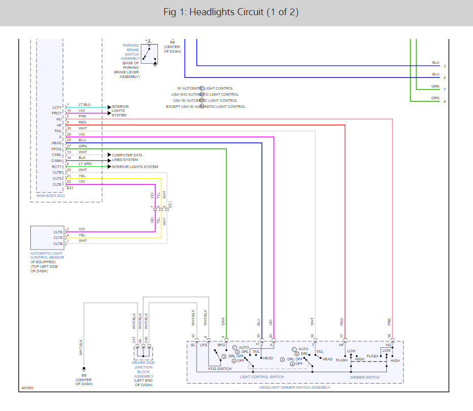
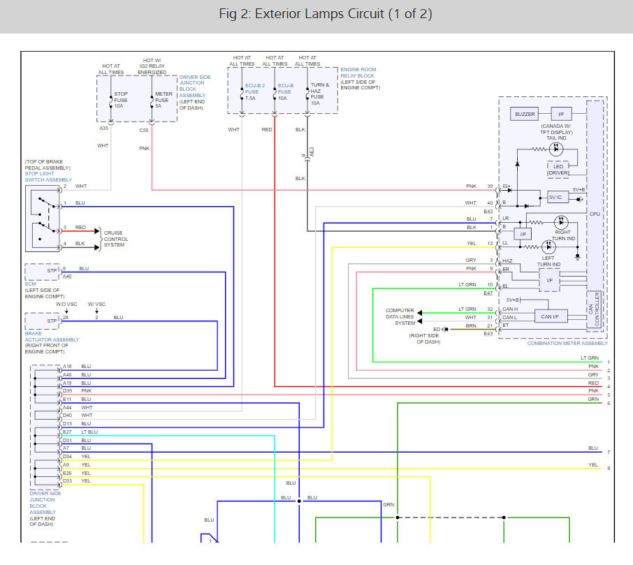
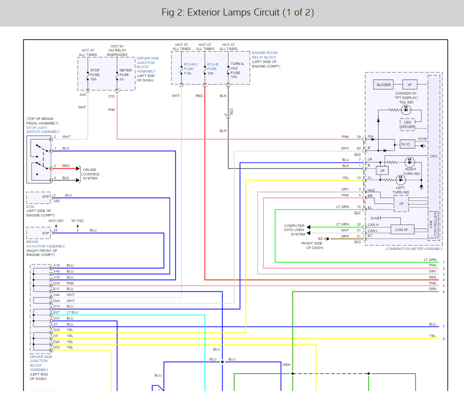
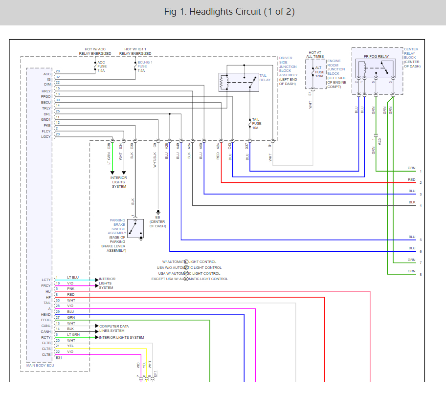
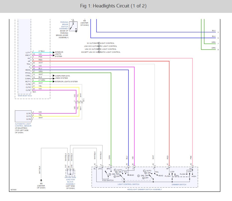
I have some problem with headlight and blinker lights. Sometimes when people help me and send to me wiring diagram is difficult to understand what the numbers, letters and some symbols mean.
Mar 23, 2020 at 7:36 PM
















