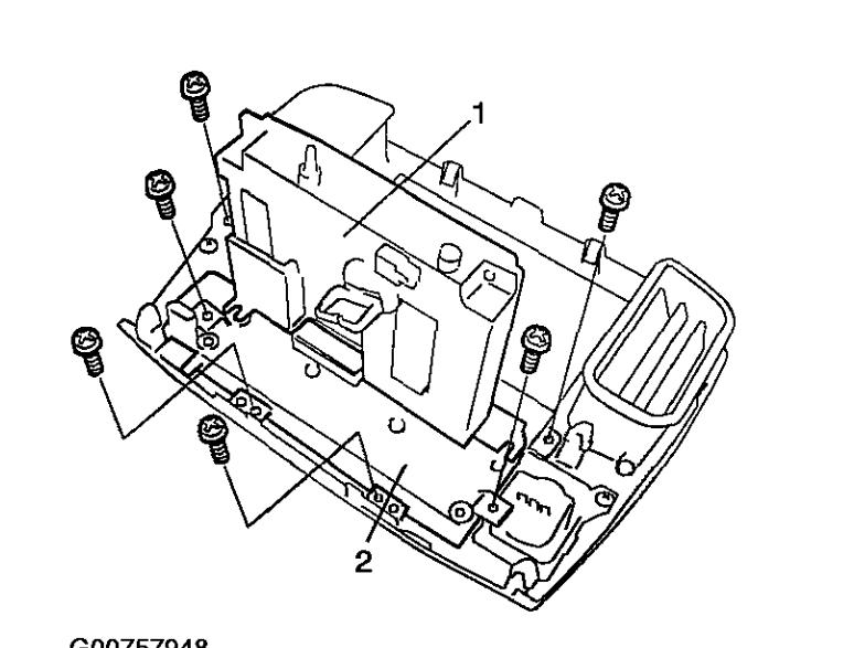
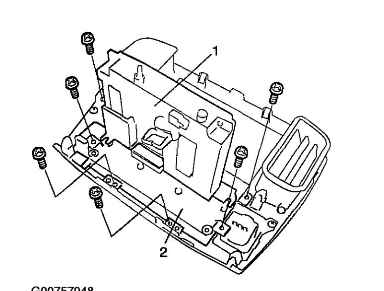
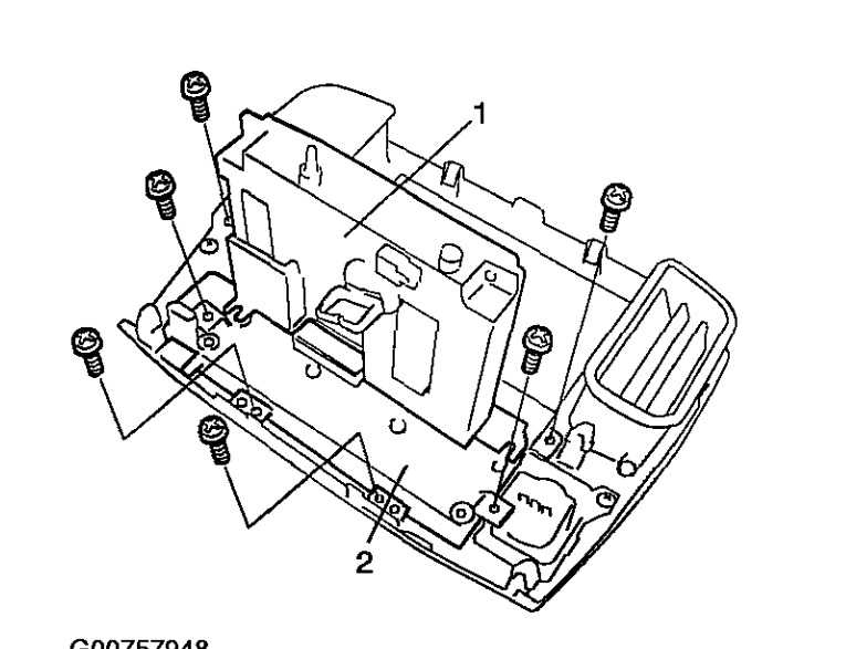
Hi...can anybody please tell me where to locate the blower resistor/fan control module... I think it's defective...if somebody can give me an hint it would be great..It's about -2 C outside and snow....It's he automatic temp. regulator on it, the big knob on the left, the AC light can be turned on/of, checked the fuses under dash, and in engine room. If anybody have an electrical diagrams and/or where located i would be very happy..
Thank you in advance..
regards from
Morten J
Thank you in advance..
regards from
Morten J
Dec 14, 2013 at 6:54 AM





