Good morning.
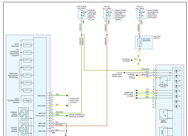
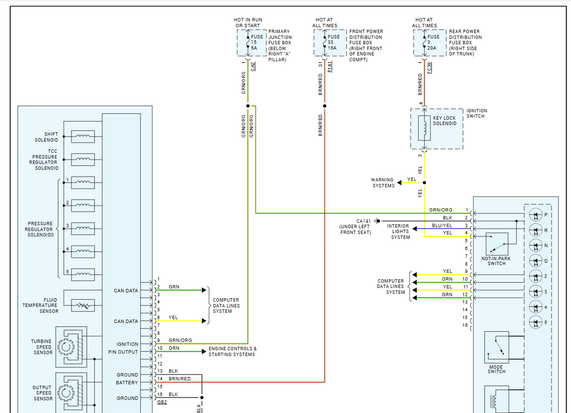
I removed the valve body from the car. Can you please tell me which color solenoid works with the torque converter?
Can you tell me how to test a solenoid to see if it is bad or good?
Thank you.
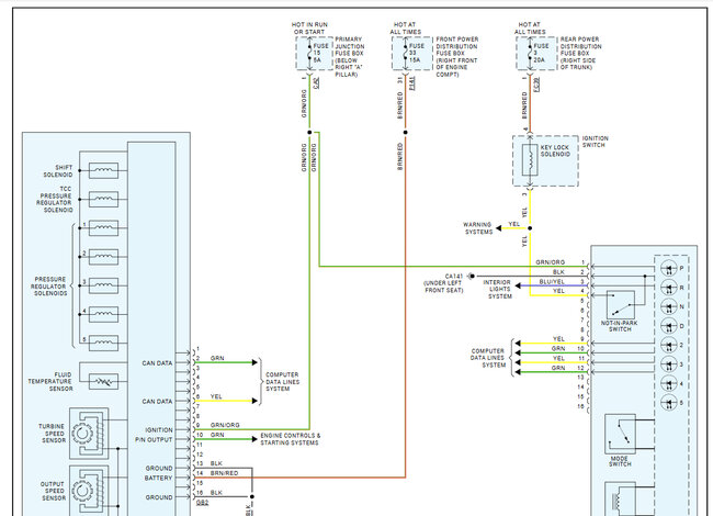
I removed the valve body from the car. Can you please tell me which color solenoid works with the torque converter?
Can you tell me how to test a solenoid to see if it is bad or good?
Thank you.
Dec 7, 2024 at 7:56 AM

