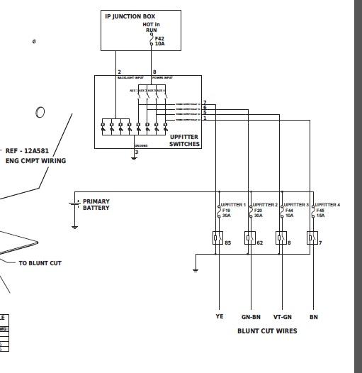
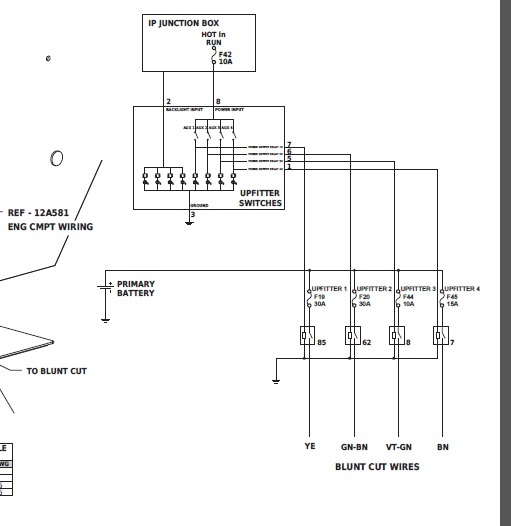
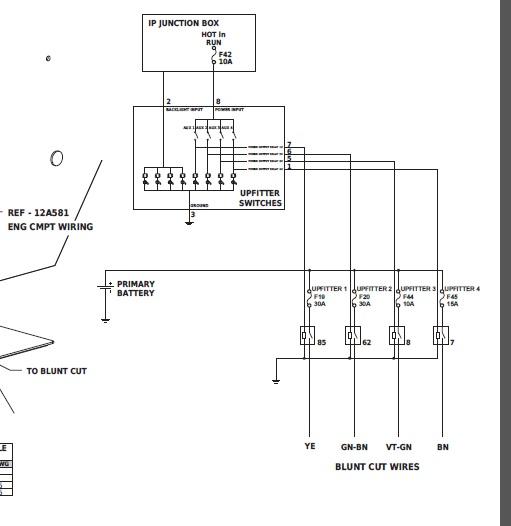
How to install a Switch SW6760 to a F-250 2013? Is there a wiring diagram for connections to the SW6760 and the WPT-998?
F-250 which did not come factory installed and I need the wiring diagram for both the switch and the wiring pigtail kit that I purchased from the dealer. Can you provide me with this information and the installation steps?
F-250 which did not come factory installed and I need the wiring diagram for both the switch and the wiring pigtail kit that I purchased from the dealer. Can you provide me with this information and the installation steps?
Oct 4, 2013 at 7:58 AM


