How to get grease out the gas tank

2009 GMC YUKON
98,990 MILES
Avatar
CARLA THOMAS-HARPER
  • MEMBER
  • 1 POST
Someone put used cooking grease in my gas tank what can I do?
Oct 18, 2018 at 11:19 AM
Advertisement
Avatar
STRAILER
  • CERTIFIED EXPERT
  • 53,854 POSTS
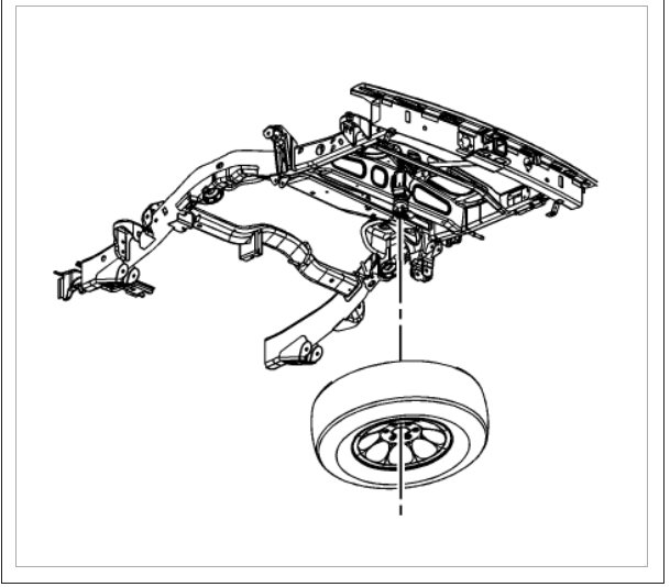
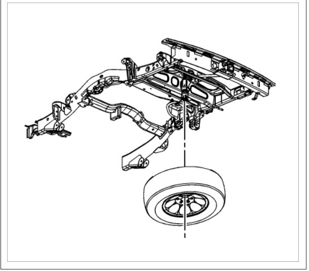
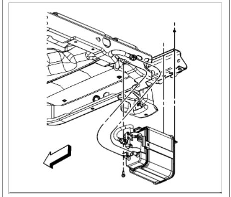
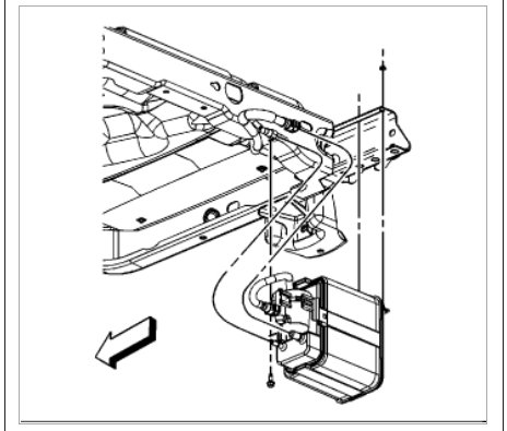
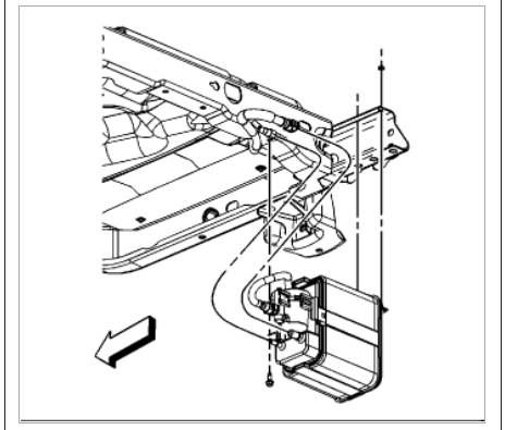
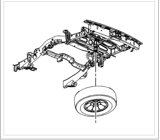
Not to nice for sure, you will need to remove the gas tank and have it cleaned or I would just replace it with a used unit. This is because the fuel pump is ruined as well. Here is a guide to show you what you are in for when doing the job step by step and diagrams below to show you how to remove the gas tank:

https://www.2carpros.com/articles/how-to-replace-an-electric-fuel-pump

Check out the diagrams (below). Please let us know what happens.

Cheers, Ken
Oct 19, 2018 at 1:05 PM