How to gain access to ABS module only?

2011 LINCOLN MKX
40,000 MILES • 3.7L • V6 • 2WD • AUTOMATIC
Avatar
GEORGE Q
  • MEMBER
  • 2 POSTS
I am having a problem with getting specific info on gaining access to the ABS module to check wiring and most likely replace just the module.

I started by going through the top, intake components, battery etc. I could probably get the whole unit out, but the pump part is okay, and I just want to get to the module.

There are no videos on remove and replace the ABS module on a Lincoln MKX or a Ford Edge.

Does this procedure require going through the left front wheel area and removal of shroud to gain access? Please advise.
Oct 11, 2022 at 9:45 AM
Advertisement
Avatar
STRAILER
  • CERTIFIED EXPERT
  • 53,855 POSTS
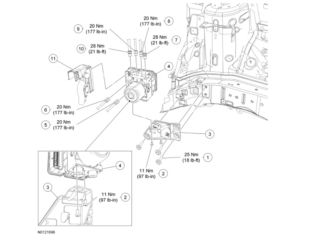
Here are the instructions on how to change out the ABS control unit with images below to help as well, also I have included the ABS wiring diagrams so you can see how it works and what to test. It looks like you need to remove the entire ABS hydraulic unit to service the module.

Removal and Installation

NOTE: On vehicles equipped with adaptive cruise control, the ABS module and Hydraulic Control Unit (HCU) are serviced as an assembly. For additional information, refer to Hydraulic Control Unit (HCU) in this section.

NOTE: This step is only necessary when installing a new component.

NOTE: The PMI process must begin with the current ABS module installed. If the current ABS module does not respond to the diagnostic scan tool, the tool may prompt for As-Built Data as part of the repair.

Using a diagnostic scan tool, begin the PMI process for the ABS module following the on-screen instructions.
Remove the Hydraulic Control Unit (HCU) . For additional information, refer to Hydraulic Control Unit (HCU) in this section.
NOTICE: Make sure the HCU and ABS module are clean and free of any brake fluid or foreign material before separating the components. Do not allow any brake fluid or foreign material to enter the mating side of the ABS module or damage to the solenoids can occur.

Remove the 4 ABS module screws and the ABS module.
To install, tighten to 2 Nm (18 lb-in).
NOTE: Visually inspect the ABS module terminals for damage before installation.

To install, reverse the removal procedure.
NOTE: This step is only necessary when installing a new component.

Using a diagnostic scan tool, complete the PMI process for the ABS module following the on-screen instructions. Check out the images (below). Let us know what happens and please upload pictures or videos of the problem.

Oct 11, 2022 at 11:16 AM
Avatar
GEORGE Q
  • MEMBER
  • 2 POSTS
Received your response to my earlier? (same car) i have already seen and read the information you sent as a response.

The request pertains to a specific? I need to know where (physically) do i start on the car listed above to gain access to the removal procedures i saw in your video on the GM vehicle.

From what area do i start? The top is not possible just to remove the ABS module on this specific car. Do you/can you access the left wheel well area by removing the fender skirt? Directly underneath does not look possible. Please advise for this specific car. Thanks in advance. George Q
Oct 12, 2022 at 11:28 AM (Merged)
Advertisement
Avatar
SQM
  • CERTIFIED EXPERT
  • 6,383 POSTS
Hello,

In order to access the ABS module, you will first have to remove the air cleaner tube and assembly as well as the battery and the battery tray.

I have attached diagrams below for your reference.

Keep in mind the new module will need to be programmed using a special scan tool.

Let me know of any questions.
Thank you.

https://www.2carpros.com/articles/how-to-replace-a-abs-controller
Oct 12, 2022 at 11:28 AM (Merged)