how to change my taillights?

2001 PONTIAC SUNFIRE
140,000 MILES
Avatar
SADANGEL
  • MEMBER
  • 1 POST
brake lights work but not the taillights. also, the dash lights don't come on. ever since my ex took the converter from car and melted harness wires now you can't shut the car off with a key, you must remove a relay. Please help me.
Oct 8, 2021 at 2:17 PM
Advertisement
Avatar
KASEKENNY
  • CERTIFIED EXPERT
  • 18,907 POSTS
Okay, so we are going to have to address one issue at a time and if it fixes the others then that is great but if not, we will need to get new posts started for each issue.

We need to keep each post to one issue so that others can find the solutions if they have the same thing.

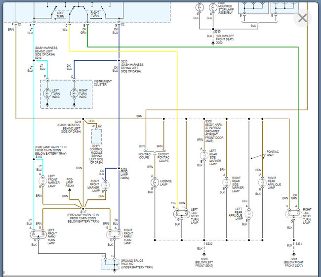
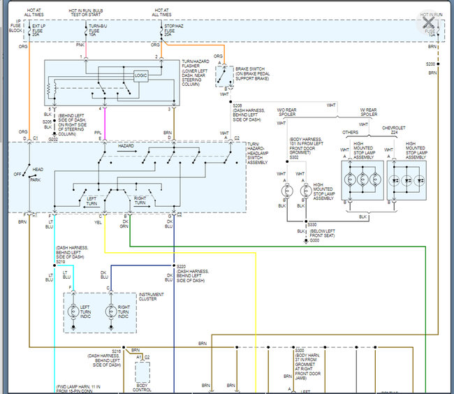
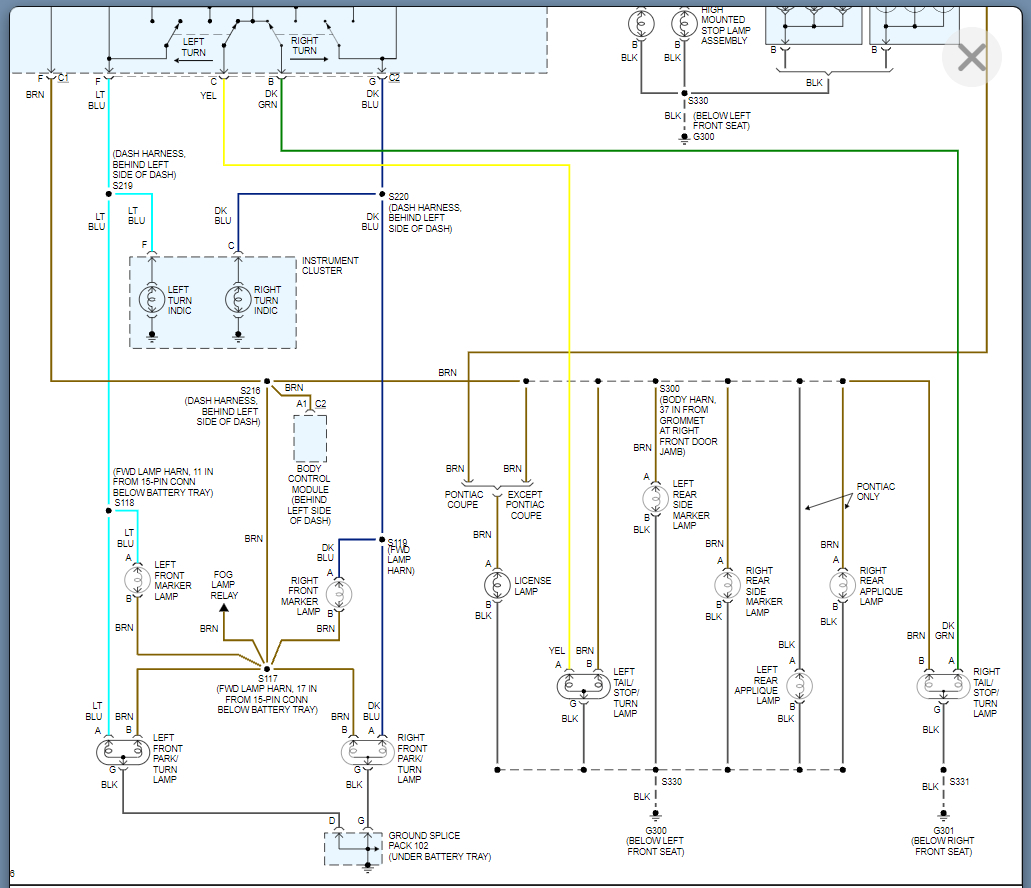
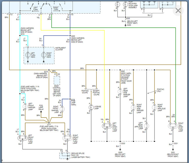
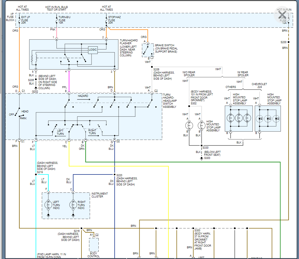
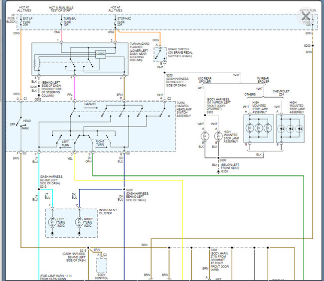
Let's start with the taillights. I am attaching the wiring diagram below because we are going to have to start with tracing wiring or just run a new wire because if you have melted wires then I suspect that is the issue.

https://www.2carpros.com/articles/how-to-check-wiring

https://www.2carpros.com/articles/how-to-use-a-voltmeter

What I would do is go to the light switch and see if you have voltage coming out of the switch on the brown wire. If your front marker lights are working, then you do but you are going to have to find the splice that you no longer have this voltage because that is where the issue is and either repair the wiring or just find where you do have voltage on this wire and create your own new splice.

Let me know what you find with this, and we can go from there. Thanks
Oct 12, 2021 at 3:56 PM