How to change EVAP canister wiring harness?

2013 CHEVROLET IMPALA
150,000 MILES • 3.6L • V6
Avatar
DAVENOOB
  • MEMBER
  • 286 POSTS
I recently changed my evap canister but not the wiring harness. Checked voltage with multimeter and nothing. I have a new harness I just can't get to the other connection. I've looked in trunk maybe you can help. I've included a pic that shows where wiring harness goes into car body.
Sep 11, 2023 at 9:31 AM
Advertisement
Avatar
AL514
  • CERTIFIED EXPERT
  • 5,465 POSTS
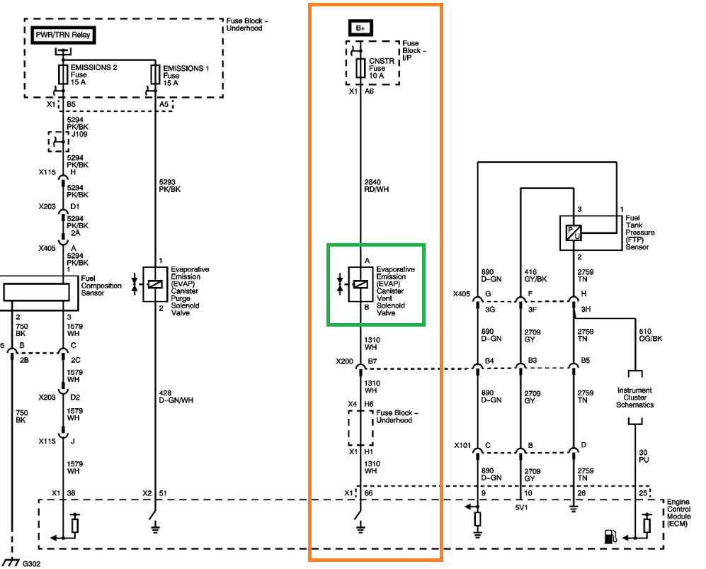
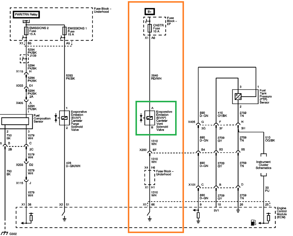
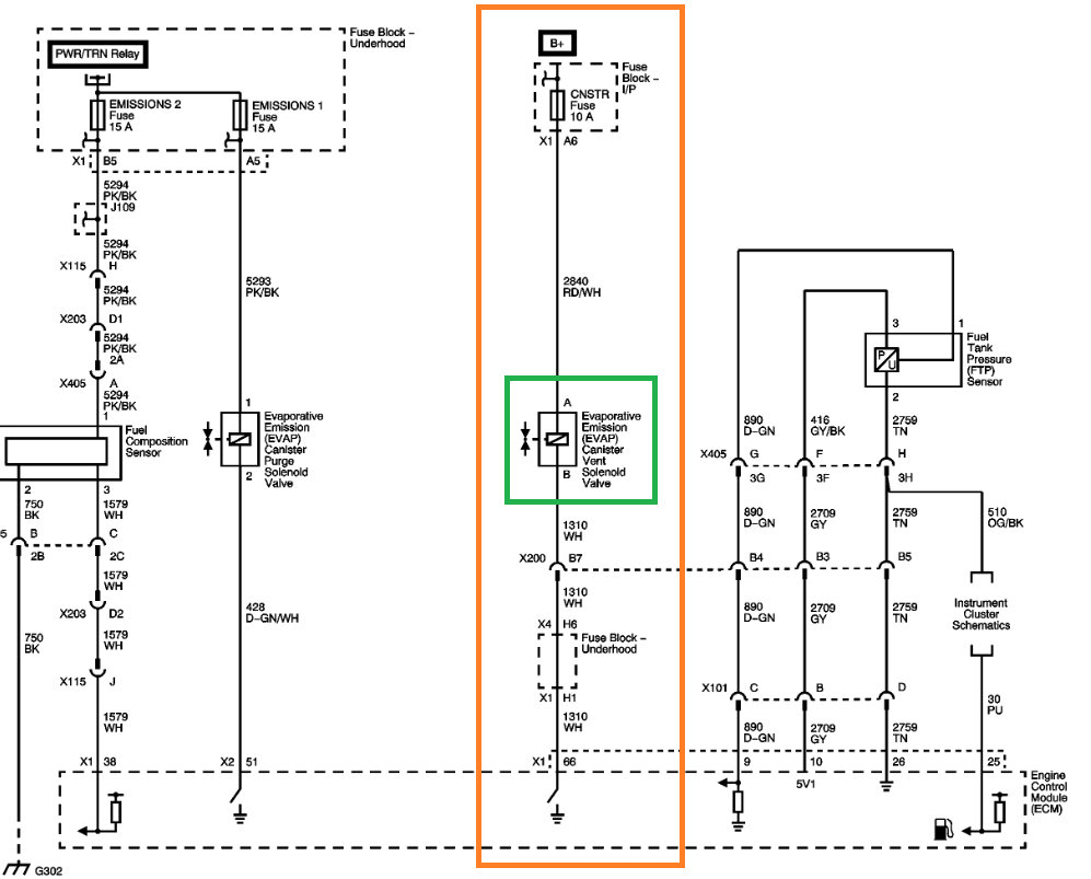
Did you even check the fuse to see if its blown (CNSTR FUSE) ? Or check the resistance of the Vent valve? Youre going to replace the entire harness that runs all the way into the engine compartment fuse panel and then back to the ECM without knowing what the issue is.
This is the circuit youre dealing with, its 1 wire, if the fuse is blown, then check for a short to ground, this harness probably runs under the carpets inside the vehicle, since it runs up into the unibody.
Sep 12, 2023 at 10:53 AM
Avatar
DAVENOOB
  • MEMBER
  • 286 POSTS
No not the entire harness. I'm going to go check these out. When I bought a new canister, it came with an 8in wiring harness just the other end of it goes into car body somewhere not all the way up.
Sep 13, 2023 at 3:06 PM
Advertisement
Avatar
AL514
  • CERTIFIED EXPERT
  • 5,465 POSTS
There should be a rubber grommet that the harness runs up into to prevent the wires from getting cut on the body, wherever that grommet is, is where you should be able to find it inside the vehicle. Are both wires in that connector? The diagram I posted is the OEM diagram. These are all the under vehicle diagrams I could find, if this vent valve is located near the filler neck such as the 6th diagram is showing, then the harness must run into the trunk area behind the trunk lining. On the side that the filler neck is.
Sep 13, 2023 at 3:35 PM
Avatar
DAVENOOB
  • MEMBER
  • 286 POSTS
Okay, thanks. I looked in the truck and under carpet and couldn't find I should be able to now.
Sep 13, 2023 at 3:50 PM
Avatar
DAVENOOB
  • MEMBER
  • 286 POSTS
Can the VCIM be removed? I have no reason for my car to send it receive anything.
Sep 13, 2023 at 3:51 PM
Avatar
AL514
  • CERTIFIED EXPERT
  • 5,465 POSTS
No, the Vehicle Interface Communications modules cannot be removed. Other modules in the vehicle will start setting communication codes. Did you put a 10amp fuse in?
Sep 13, 2023 at 5:59 PM
Avatar
DAVENOOB
  • MEMBER
  • 286 POSTS
Yes, sorry cross threads post. It shut the engine light off but still having the same issues. Any ideas where to start?
Sep 16, 2023 at 12:03 PM
Avatar
AL514
  • CERTIFIED EXPERT
  • 5,465 POSTS
I posted on your other thread, let's stay on this one. Are you referring to the shifting issues? What I posted in the other thread is if you're going to want to continue repairing your own vehicles, it would be wise to invest in a higher end scan tool so you can scan the entire vehicle for any trouble codes, there may not be any codes stored in the ECM right now, but there might be some stored in the Transmission control module or other modules that a basic OBD2 scan tool cannot access. Those cheap code readers only scan the engine computer for codes, and modern vehicles have many modules in them, so buying a decent scan tool that can read live data from any module will be a huge help. That way you can see if any sensors or data readings look out of place, the ECM will try to compensate as much as possible before setting a trouble code, this is where learned values come into play, I use multiple scan tools as well as oscilloscopes, and a range of different multimeters and testing equipment. It's impossible to tell what might be happening with the vehicle if you have no codes for one, but also no way to see what the engine data is. A sensor can be bad and not set a code all the time, right now you're having shift issues, so it can be a problem in the transmission such as line pressure not being correct or electrical issue with the shift solenoids, none of these will show up on a basic Global OBD2 scanner.

Like I posted in your other thread the Autel mx808 is a less expensive scan tool, but it can scan all the modules in the vehicle, as well as some special functions, there's too many to list, Topdon is coming out with great scan tools now, I own their lowest level scan tool and it does all kinds of bi directional controls, such as activating components on the vehicle for testing.
Back to the vehicle, you mentioned having issues at 40 and 60 MPH, which might have something to do with the torque converter clutch lockup, or not unlocking when it should. Once you're at a cruising speed and the crankshaft speed and transmission input shaft reach the same speed, the torque converter clutch will lock up so it's a 1:1 ratio to help improve gas mileage, but once the engine rpm and transmission input shaft start to differ in speed the torque converter clutch should unlock. So, it might be an issue with the torque converter or the solenoid that controls it or even just the overdrive in the transmission. Here's a couple guides on transmission hard shifts and clutch packs slipping.

Also at the bottom is a link to the Autel mx808, this version is even better than the one I have right now. And the price has gone down at least $100. But you need to be able to see what the engine computer is seeing and doing, as well as scan the transmission control module for codes. The shifting problem has nothing to do with the Vent valve, I'll take a look for any TSBs or recalls on the transmission and post them here.

https://www.2carpros.com/articles/detailed-guide-to-diagnose-and-repair-hard-shifting-in-automotive-automatic-transmissions

https://www.2carpros.com/articles/a-comprehensive-guide-to-why-your-cars-automatic-transmission-slips-and-how

https://www.amazon.com/Autel-MaxiCheck-Diagnostic-Extension-Diagnosis/dp/B08TWMTD35/ref=sr_1_5?crid=1KGTX8YL1F3EC&keywords=Autel+mx808&qid=1694963692&sprefix=autel+mx808%2Caps%2C114&sr=8-5
Sep 17, 2023 at 8:29 AM
Avatar
DAVENOOB
  • MEMBER
  • 286 POSTS
Okay, thanks man. So, the scanner is the way to go. Glad they have compact and cheaper scanners. Last one I saw had to be downloaded to a laptop and was like $5,000 for the software/hardware. So, to understand the test I had to do to see if circuit was complete with multimeter by turning key on to engage solenoid can be done with this scanner.
Thanks for the help, I have some decisions to make. Is it weird that it's fine on flat ground and when it's cooler? That just expansion and contraction due to temperature?
Sep 17, 2023 at 10:13 AM
Avatar
AL514
  • CERTIFIED EXPERT
  • 5,465 POSTS
You don't need to spend that much money on a scan tool, there are many variations in between. I have not checked to see if the mx808 will close a vent valve or not, but when the system runs its self-tests, it will set a code if the gas tank and evap system are not holding either pressure or vacuum. On most Evap self-tests the gas tank needs to be between around 15% to 80% full and it will need to be a certain temperature as well as some other conditions to run the test. During a self-test the ECM will close the Vent valve by itself and allow the Purge valve to be open for a short period so that the intake manifold vacuum can pull the gas tank into a vacuum, then the Purge valve is closed by the ECM. And it will monitor the tank pressure with the Fuel tank pressure sensor. And if there is a loss of pressure or vacuum depending on the test, it will set a code. Now the way it will set a Vent valve code is the ECM receives the 12volts from the fuse source on the control wire. So, 12 volts travel from the fuse to the Vent valve on the Red/White wire, it goes through the Vent valve and 12-volts are sensed on the White wire inside the ECM while the Vent valve is not activated. When the ECM activates the Vent valve the 12volts on the white wire are pulled to ground by the ECM internally and the White wire now will read 0volts. There are other ways the ECM can detect circuit activity as well, in some cases it can monitor current flow, or it can have a Bias voltage sent out on a certain wire and monitor that. But however, the system monitors any solenoid actuation, if there's a problem it will set a code. I haven't looked up exactly how this system monitors circuit activity, but obviously there was a fuse missing for some reason and that was why there was no power back there. But it might be a few days until it has the correct conditions to run any self-tests so just wait to see if the vent valve code comes back or not.
And I'm not sure what you are referring to as being "fine" on flat ground. Do you mean the running condition? What symptoms are you dealing with right now?
Sep 18, 2023 at 9:05 AM
Avatar
DAVENOOB
  • MEMBER
  • 286 POSTS
Flat ground means flat not going uphill. When going uphill makes symptoms worse, especially the shaking, not accelerating and/or downshifting and runs high RPMs until you feather the gas a little. The hotter the outside temperature the worse this happens. Also twice today gave it gas to go and it paused before it actually took off. Which would suck if pulled out and had to go. The hard shift stutter at 40 MPH and 60 MPH is the main issue trying to fix. This seemed to happen after running Lucas injector cleaner about 2 years ago. The code reader you suggested looks good. How important is it to get the scope with it? Thanks
Sep 19, 2023 at 12:54 PM
Avatar
AL514
  • CERTIFIED EXPERT
  • 5,465 POSTS
It sounds more like you might be having a transmission that is slipping more than an engine issue, you would have codes setting in the ECM if it's that bad, you would have misfire codes or something setting a code. Under heavier engine load, so when you are trying to jump on the throttle to get out into traffic, the transmission line pressure needs to increase as well. So, if there is low line pressure or clutch packs slipping you would have that kind of feeling like something wasn't catching. You can check the condition of the transmission fluid and see if it's brown and has a burnt smell to it. It should be nice and reddish and clear. But if you find there are no codes set in any modules, you can first check the live transmission data, it will show if certain pressures are not within range. next would be having a shop check the transmission line pressure and doing a brake torque test to see if the pressure is where it should be.
I wouldn't worry about buying any oscilloscopes. unless you are referring to the digital inspection camera. I use mine all the time, I used it yesterday to inspect a Catalytic Converter with the front oxygen sensor out of the exhaust. This is an example of that, although my borescope is a different one, it's still the same idea. They can be used to look into cylinders, there's many applications for them.
Here is a guide on transmission issues, but I would really expect to see codes setting in the ECM if this was more of an engine problem, especially on a 2013. The ECM is capable of setting codes for so many components when it comes to engine performance. If the engine rpm is jumping up but the vehicle is not moving, really sounds like transmission problems, Temperature would definitely have an effect on that as well. On flat level road you don't need to have such high transmission line pressure as you would going up a hill or trying to get out of the way in traffic. But start with checking for codes in the TCM.

https://www.2carpros.com/articles/automatic-transmission-problems
Sep 19, 2023 at 3:45 PM
Avatar
AL514
  • CERTIFIED EXPERT
  • 5,465 POSTS
The inspection cameras are good to have, that one seems to have a short lead to the camera though, so it will be limited to where you can get the camera too. The one I have had about a 15ft lead to the camera end so I can put it down the exhaust almost all the way. The brand is TESLONG digital camera. I don't remember the price but it wasn't too much. It has an SD card and can be hooked up to a PC by usb so I can transfer pictures over for customers on mobile jobs.
Are you getting any warning lights flashing on the dash at any time? any traction control or ABS lights flashing?
Sep 20, 2023 at 12:50 PM
Avatar
DAVENOOB
  • MEMBER
  • 286 POSTS
No dashboard is clear, no lights, no check engine or anything.
Sep 21, 2023 at 5:53 PM
Avatar
AL514
  • CERTIFIED EXPERT
  • 5,465 POSTS
I think you're going to have to look into the transmission at this point, if there was something effecting engine performance that much there would be codes setting, you can try AutoZone, but I don't think their scan tools can access any other modules besides the engine control module. I believe they just use a basic OBD2 code reader. Nothing fancy. You could stop at a local shop and ask them to just do a full system scan for you and see what codes show up in other modules. That will at least give you some direction.
Sep 22, 2023 at 8:32 AM
Avatar
DAVENOOB
  • MEMBER
  • 286 POSTS
Okay, thanks man. Today the speedometer has been floating a bunch. Like between 20-30 and 70-80.
Sep 22, 2023 at 8:38 AM