How to activate DTE and Average Fuel Consumption?

2011 HYUNDAI I20
53,000 MILES • 1.2L • 4 CYL • 4WD
Avatar
L TIATOM
  • MEMBER
  • 61 POSTS
Let's try activating 2 more features.

1. Distance to Empty.
2. Average Fuel Consumption.

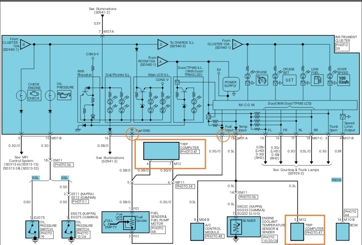
When trip switch is toggled successively, the options TRIP A, B and "running time" are displayed correspondingly. Also, when switch is hold, the selected menu value resets to zero.

Based on diagram, as trip switch is closed, it sends signal to the trip computer which in turn shows the 3 menus. It seems no resistors is involved here to identify when trip a, b, etc., should be displayed as contrast to control volumes mounted on steering wheel!

However, at the 4 toggle of the switch, the option comes back to trip A and go on.

Being said that all necessary wires, pins, etc., are intact to all the components, I'm confused why the next 2 options DTE and Average Fuel Consumption are not shown at the 4th toggle or 5th toggle???

Awaiting for your corrections on my interpretation of the diagrams and looking for solutions to activate new features. Thanks.
Mar 23, 2021 at 1:39 AM
Advertisement
Avatar
STEVE W.
  • CERTIFIED EXPERT
  • 15,113 POSTS
Those items are not on every version of that car, instead they have to be activated in the programming of the instrument panel in order to be available. If you are only seeing the items you posted above your car is not equipped with the DTE or fuel use options. The functions are in the system but without the correct option code entered during the building of the car they are locked out. The only way to unlock them would be to see if a dealership could use the correct option code and their dealer sales code to activate them. Some times they can but in many cases it has to be done during the cars build as the may tie different option packages together and the customer selects the ones they want. So it's possible that those items are only available with "Customer convenience package 2" or on the upper models of the vehicle when the car was first ordered and cannot be activated once sold. That is a common way of doing things on vehicles that have multiple option groups.
Mar 23, 2021 at 2:26 AM