Hi,
Here is a link that explains how to check wiring. I'm adding it in case you want to check what's there. Even a loose connection at the O2 sensor can be causing this.
https://www.2carpros.com/articles/how-to-check-wiring
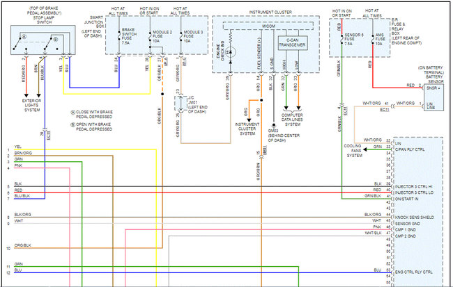
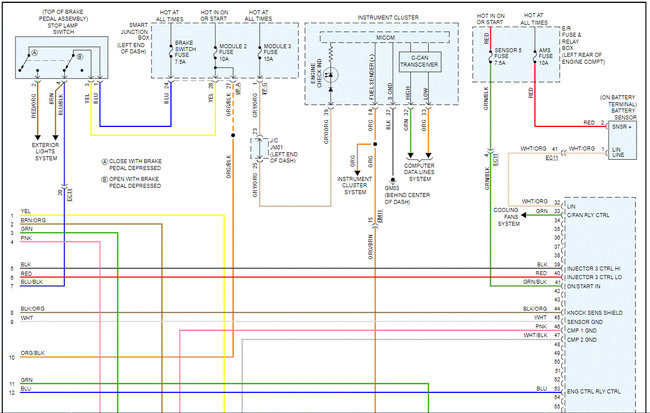
Also, I wanted to attach the powertrain management wiring schematics for you. I'm not sure how involved you got into the wiring. There are five pics below. They are in order, so hopefully, they will help. I did overlap each pic so you can follow from one to the next.
Check out the diagrams (Below). Please let us know what happens.
Images (Click to enlarge)
Mar 10, 2021 at 7:35 PM