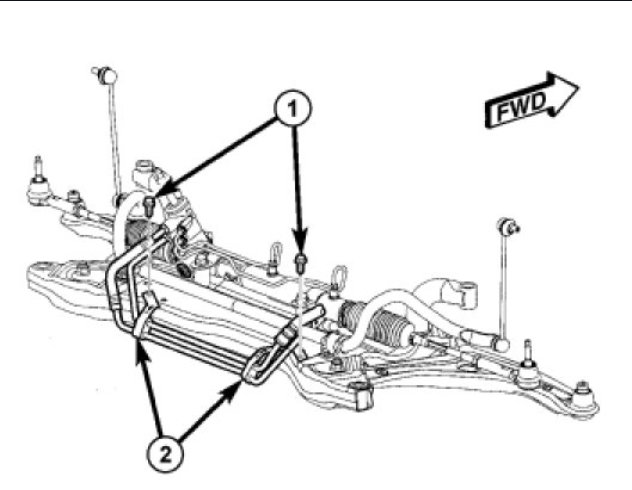
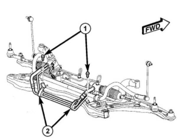
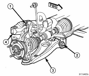
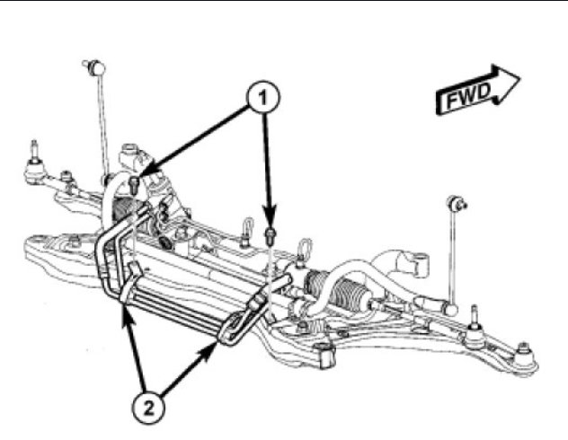
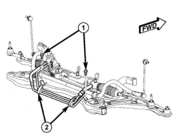
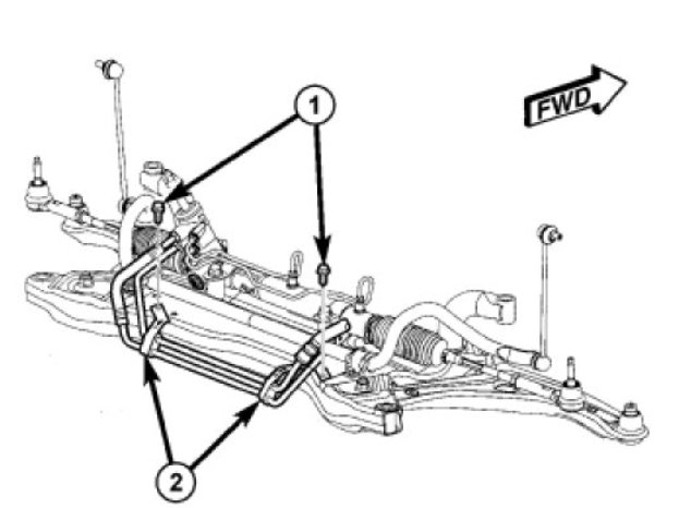
Steering rack play would normally be in the inner or outer tie rod ends. Part 7 in the first picture.
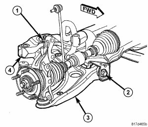
There could also be play in the lower ball joints or in the lower control arm bushings.
Part 6 in the first picture and parts 1 and 2 in the second picture.
A track rod is usually a bar in the rear of the vehicle that keeps the rear axle centered.
Images (Click to enlarge)
Jan 7, 2021 at 12:16 PM
(Merged)