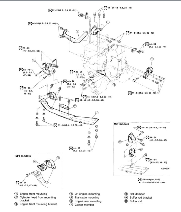
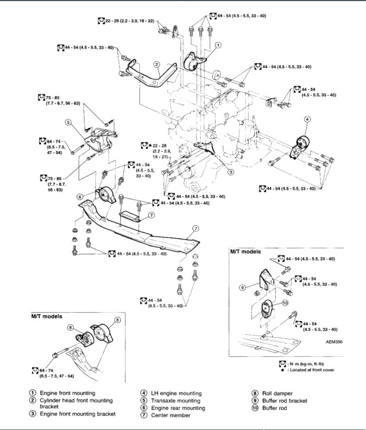
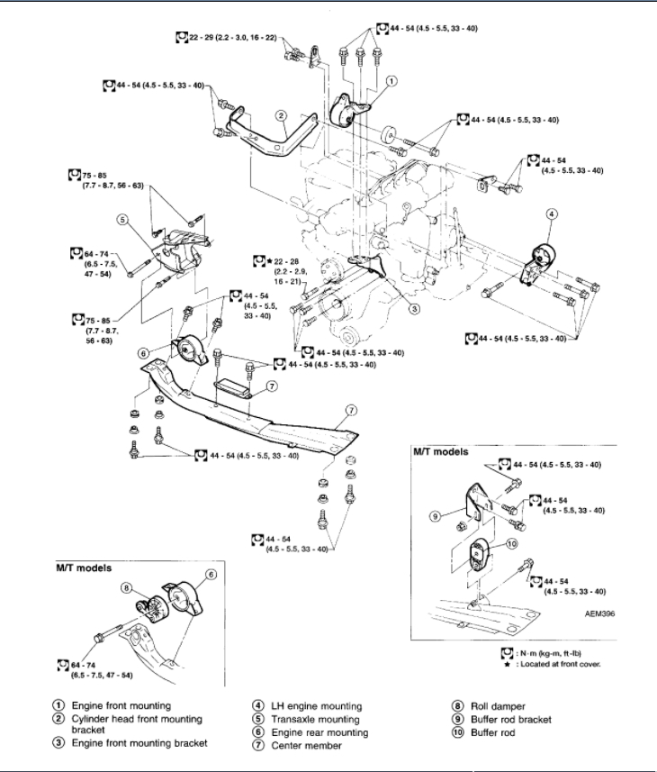
A guy is selling a 200sx Nissan but he’s taken out the engine for a project which he cancelled. he is selling it cheaper because the engine is taken out. How hard is it to install the engine for a person with limited skill?
Nov 20, 2020 at 1:13 AM





