Hello,
The parking light fuse is located under the hood in the power distribution center fuse box (see diagram below).
It should be fuse number 11, which is a 15A fuse.
https://www.2carpros.com/articles/how-to-check-a-car-fuse
If the fuse if good, then the issue is likely a bad wire. Which will require tracing of the wires to find the short or a bad ground.
Here is a helpful guide:
https://www.2carpros.com/articles/how-to-check-wiring
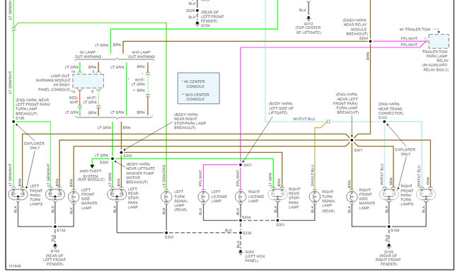
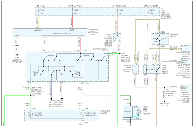
I have attached wiring schematics below.
Please let me know if you have any questions.
Thank you.
Images (Click to enlarge)
Nov 8, 2021 at 2:50 PM