How do you replace the washer reservoir? There is one bolt I cannot seem to remove as it appears the refrigerant container is in the way.
Sep 20, 2017 at 11:37 PM
Advertisement
STEVE W.
CERTIFIED EXPERT
15,113 POSTS
That is one of those times having that big box of tools makes it easier. I would probably use a 1/4" universal on a short socket to get to it. Or a box end wrench.
Without having it right in front of me I cannot say 100%.
Sep 22, 2017 at 9:32 AM
SYNAKAL
MEMBER
4 POSTS
It appears the accumulator has to be removed and it has a front facing nut that has to come out in order to remove the last bolt. So I guess how do you access the nut on the accumulator on an 03 explorer?
Sep 24, 2017 at 8:34 PM
Advertisement
SYNAKAL
MEMBER
4 POSTS
The accumulator blocks the removal of the last bolt.
Sep 24, 2017 at 8:37 PM
STEVE W.
CERTIFIED EXPERT
15,113 POSTS
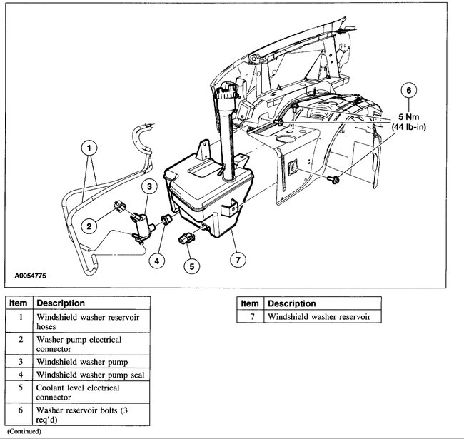
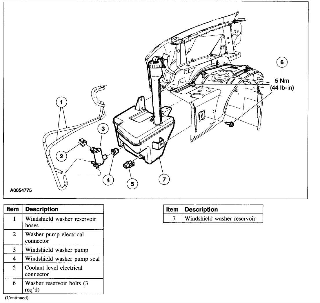
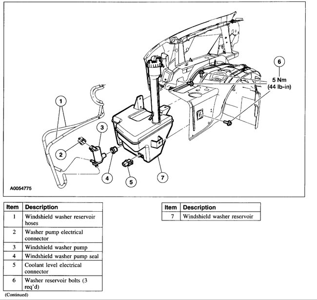
This look like what you are dealing with?
This has an accumulator that mounts to the rad support correct? Going by memory you remove the grill and can get to the nuts on the accumulator mount. Then move it out of the way.
Image (Click to enlarge)
Sep 25, 2017 at 3:12 AM
SYNAKAL
MEMBER
4 POSTS
Alright I'll see if I can access that nut on the accumulator through the grill. Thank you.
Sep 29, 2017 at 7:31 PM
STRAILER
CERTIFIED EXPERT
53,854 POSTS
Please use 2CarPros anytime, we are here to help. Please tell a friend.