How can i test for voltage on the electrical motor for 2WD and 4WD that is on the transfer case?

1997 FORD EXPEDITION
200,000 MILES • 5.4L • V8 • 4WD • AUTOMATIC
Avatar
JONATHAN CARINO
  • MEMBER
  • 3 POSTS
The dial in the instrument panel when i switch between all options whether it be 2L or 4H, or 4L nothing happens at the electrical motor, it’s stuck on 4x4 Low. i need assistance and want to get to the bottom of my concern.
Dec 16, 2022 at 5:12 PM
Advertisement
Avatar
STRAILER
  • CERTIFIED EXPERT
  • 53,854 POSTS
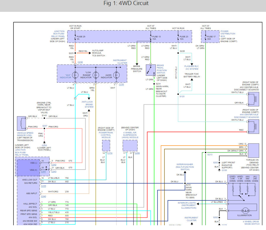
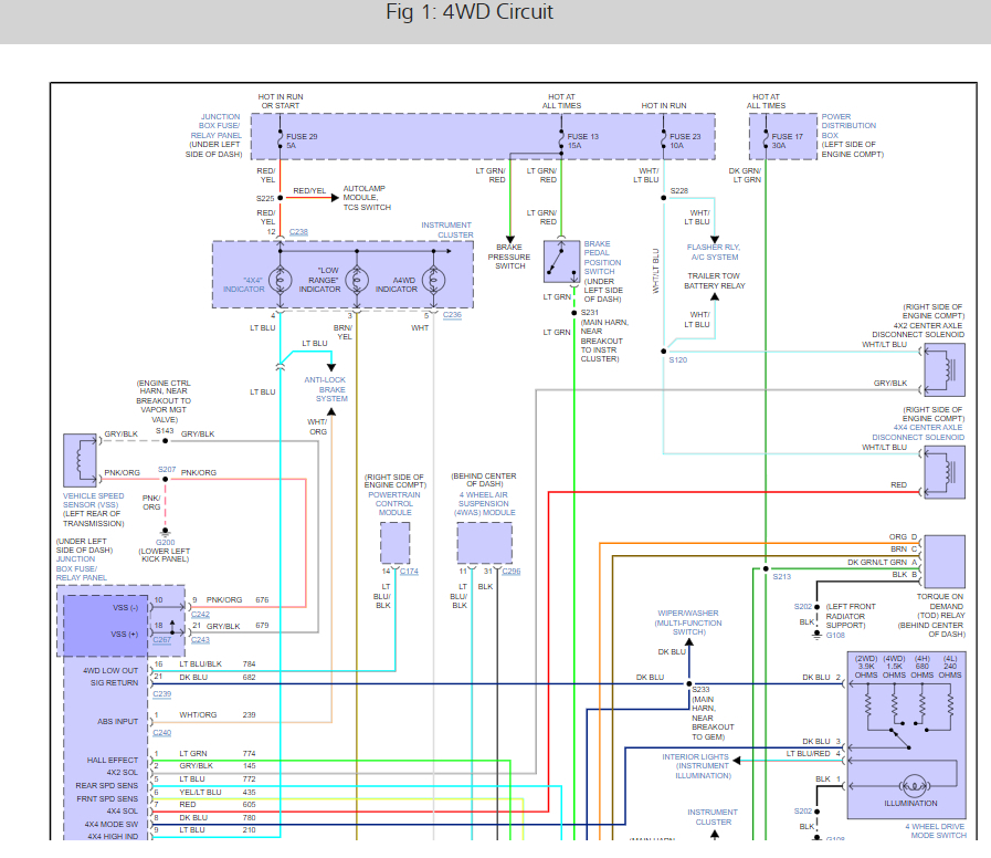
Usually, it is the transfer case motor that is bad which will cause the vehicle to stay in 4wd but here are the wiring diagrams so you can check for power and ground, and I have included the instruction on how to change the actuator out for a new one in case you need it. This guide can help you check for power and ground. Also please check the fuses before you begin.

https://www.2carpros.com/articles/how-to-use-a-test-light-circuit-tester

Check out the images (below). Let us know what happens and please upload pictures or videos of the problem.
Dec 17, 2022 at 11:15 AM