How would I hot wire or manually trigger parking brake module?

2011 BMW X5
999,999 MILES • V8 • AUTOMATIC
Avatar
JBURNETT186
  • MEMBER
  • 4 POSTS
What wire needs 12v and GND to actuate the Parking Brake Control Module?

For reference I found this wiring diagram in thread from last year:

https://www.2carpros.com/images/question_images/449637/original.jpg

Thank you!
Dec 12, 2023 at 2:07 PM
Advertisement
Avatar
JACOBANDNICKOLAS
  • CERTIFIED EXPERT
  • 110,175 POSTS
Hi,

I would be happy to provide a wiring schematic for you, but this procedure should be done using a bidirectional scanner that can actuate the park brakes. My concern is if something becomes damaged.

Let me know.

Joe
Dec 13, 2023 at 7:46 PM
Avatar
JBURNETT186
  • MEMBER
  • 4 POSTS
Thank you, any wiring schematic would be helpful.

I am trying to retrofit this actuator into a classic car not concerned about damage and don’t have supporting car to actuate with scanner.

If I break it somehow, no worries, I’ll go another direction.

Thanks again.
Dec 13, 2023 at 7:56 PM
Advertisement
Avatar
JACOBANDNICKOLAS
  • CERTIFIED EXPERT
  • 110,175 POSTS
Hi,

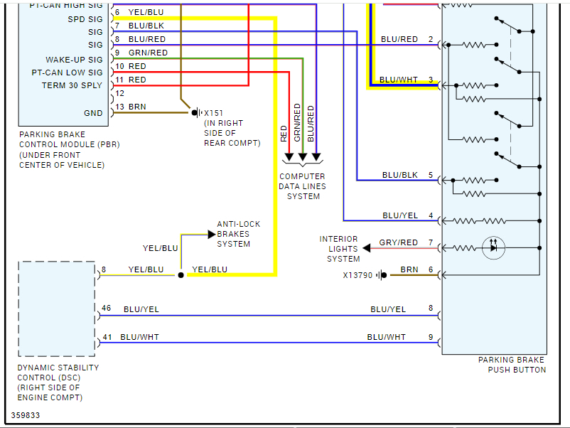
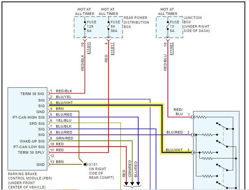
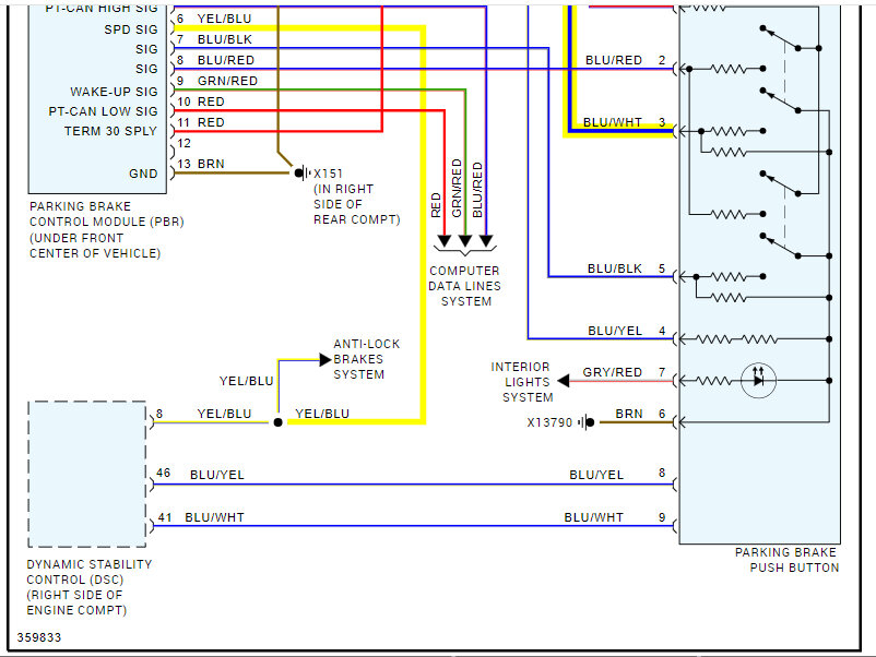
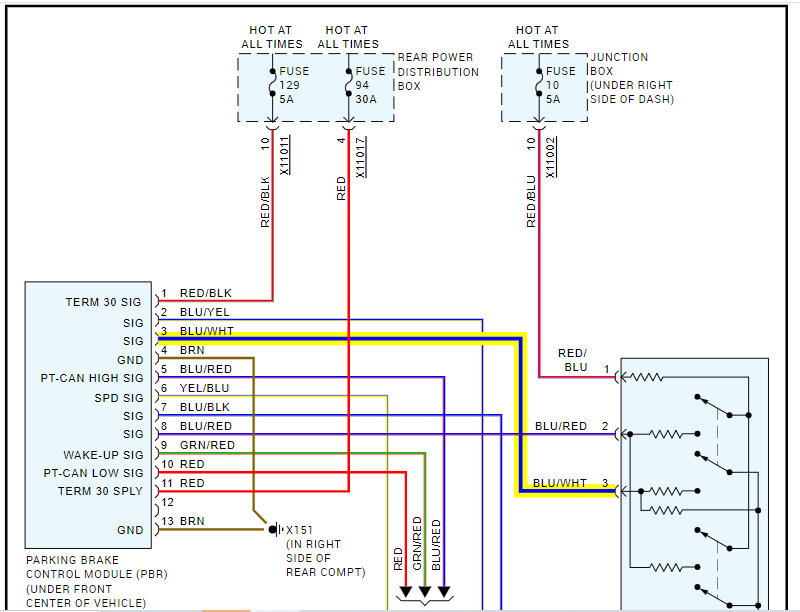
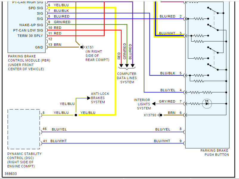
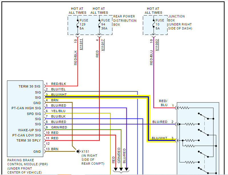
I attached what I have below. Pics two and three are non-OEM and more readable. LOL The remaining is what the manufacturer feels is what we need. Note that I cut the non-OEM pics in half to make it more readable for you. I did overlap them so you can follow from one to the next.

Let me know if this helps.

Joe

See pics below.
Dec 13, 2023 at 8:20 PM
Avatar
JBURNETT186
  • MEMBER
  • 4 POSTS
Help much appreciated!
Dec 13, 2023 at 8:40 PM
Avatar
JACOBANDNICKOLAS
  • CERTIFIED EXPERT
  • 110,175 POSTS
Hi,

I'm glad to hear it helped. Take care of yourself and feel free to come back anytime in the future.

Joe
Dec 14, 2023 at 8:08 PM
Avatar
JBURNETT186
  • MEMBER
  • 4 POSTS
Thanks again Joe. Any idea what AMP draw the motor in this actuator is?
Dec 19, 2023 at 9:39 AM
Avatar
JACOBANDNICKOLAS
  • CERTIFIED EXPERT
  • 110,175 POSTS
Hi,

That should be a 12v signal (B+). If you apply 12v and it seems to run extremely fast, cut the power and drop it to 5v. However, if I recall, it is 12v.

Let me know how things work out for you.

Take care,

Joe
Dec 19, 2023 at 9:02 PM