Horn does not work?

2001 FORD F-150
82,000 MILES • 5.4L • V8 • 2WD • AUTOMATIC
Avatar
RICHARD.ROBINSON
  • MEMBER
  • 1 POST
The horn will not work. I have already replaced the clock spring and tried another horn the other horn did the exact same thing, something else?
May 19, 2018 at 7:05 PM
Advertisement
Avatar
SQM
  • CERTIFIED EXPERT
  • 6,383 POSTS
Hello,

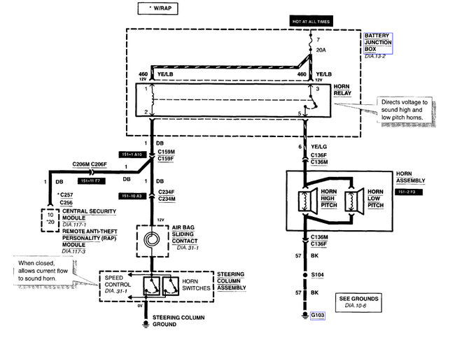
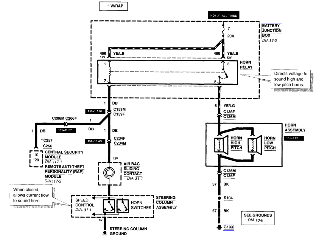
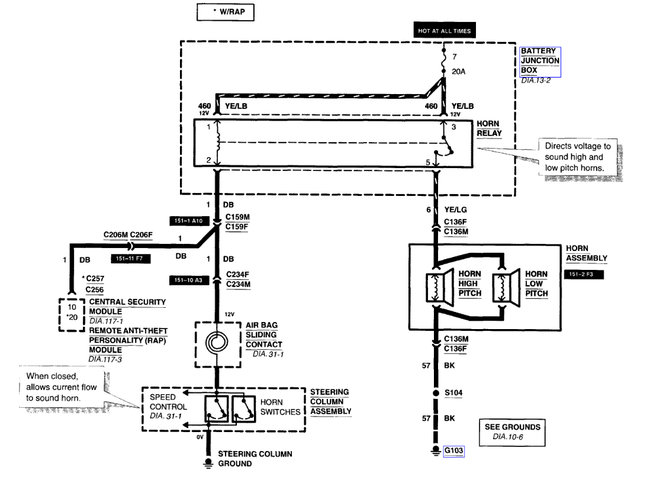
Have you checked the horn relay?
It could be a faulty relay that causing to have no horn.
The relay is located under the hood fuse block. I have attached the diagram for your reference.

Here is a helpful article on how to test relays:

https://www.2carpros.com/articles/how-to-check-an-electrical-relay-and-wiring-control-circuit

https://www.2carpros.com/articles/how-to-use-a-voltmeter

It could also be a short somewhere in the horn wiring harness. I included the wiring diagram for the horn as well.

Please let me know of any questions.

Thank you.
Aug 1, 2021 at 1:55 PM