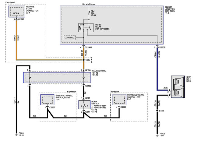
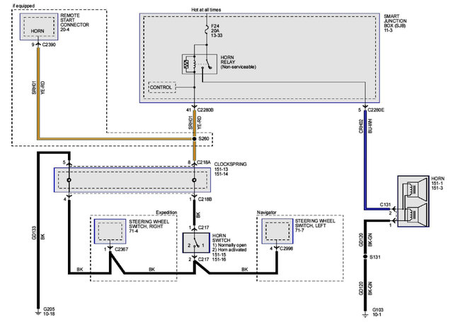
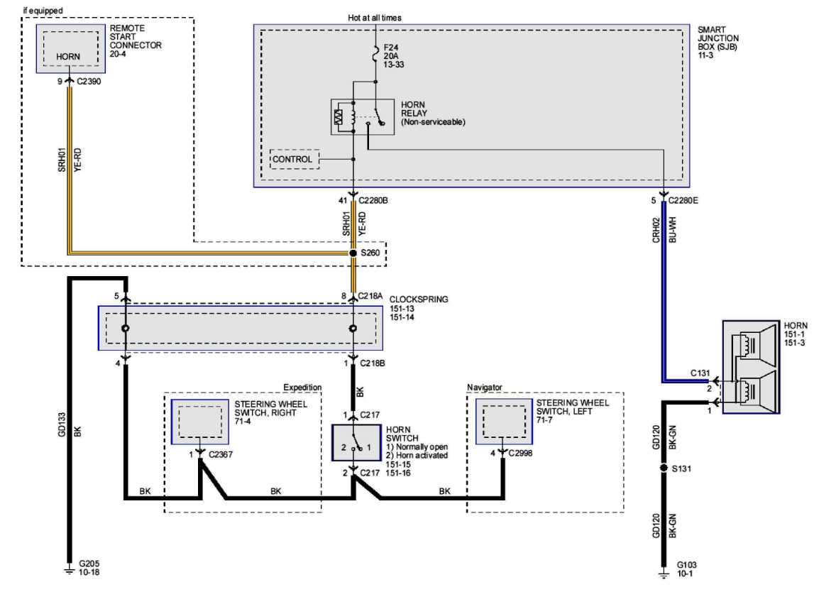
Pressing the horn on steering wheel makes no sound. The horn works via remote panic button. I took wheel apart and find there is no power to the horn switch. Fuse for horn checks fine, can't seem to find a "horn " relay.
Thoughts?
Thoughts?
Feb 18, 2019 at 1:38 PM



















