Horn relay location

2009 CHRYSLER PT CRUISER
150,000 MILES
Avatar
MARY CODY
  • MEMBER
  • 1 POST
My horn does not. work changed clock spring trying to find which one is horn relay in box under hood.
Jul 21, 2020 at 5:05 PM
Advertisement
Avatar
KASEKENNY
  • CERTIFIED EXPERT
  • 18,907 POSTS
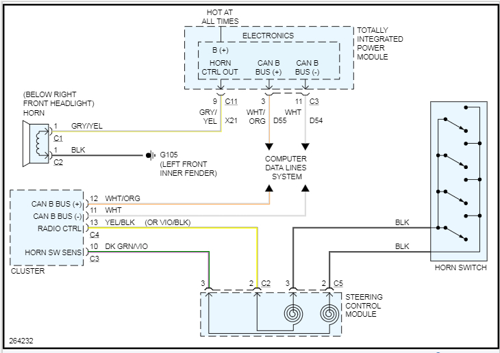
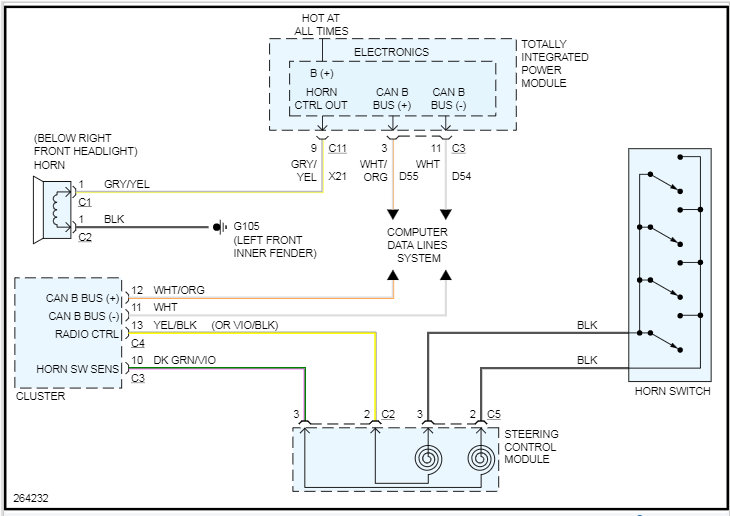
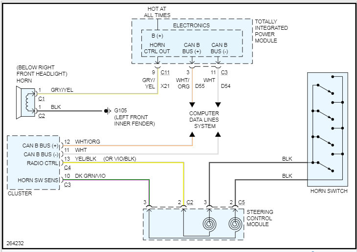
You don't have a horn relay. You have what is called a TIPM that has a circuit board which operates like a relay.

The horn operation is communicated from the steering column control module to the cluster on the horn switch sense wire. Let's test voltage on that wire and if you have it then the switch is working and the steering column (clock spring) is working. Then the most likely cause is the TIPM so we need to test for power at the horn. If you have power at the horn then the horn is the issue. If you don't have power then it is the TIPM or maybe a wiring issue to the horn.

I am attaching the process on how to replace the TIPM as that is the most common cause if you already changed the clock spring.

Let me know if you have questions. Thanks
Jul 21, 2020 at 5:17 PM