Hello and welcome to 2CarPros.
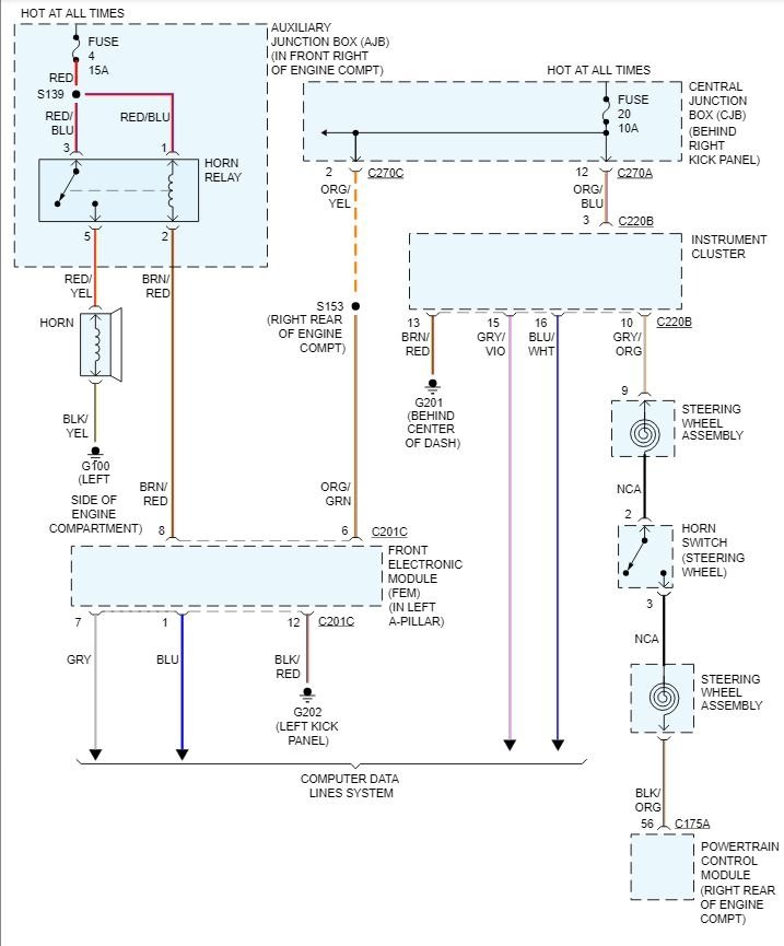
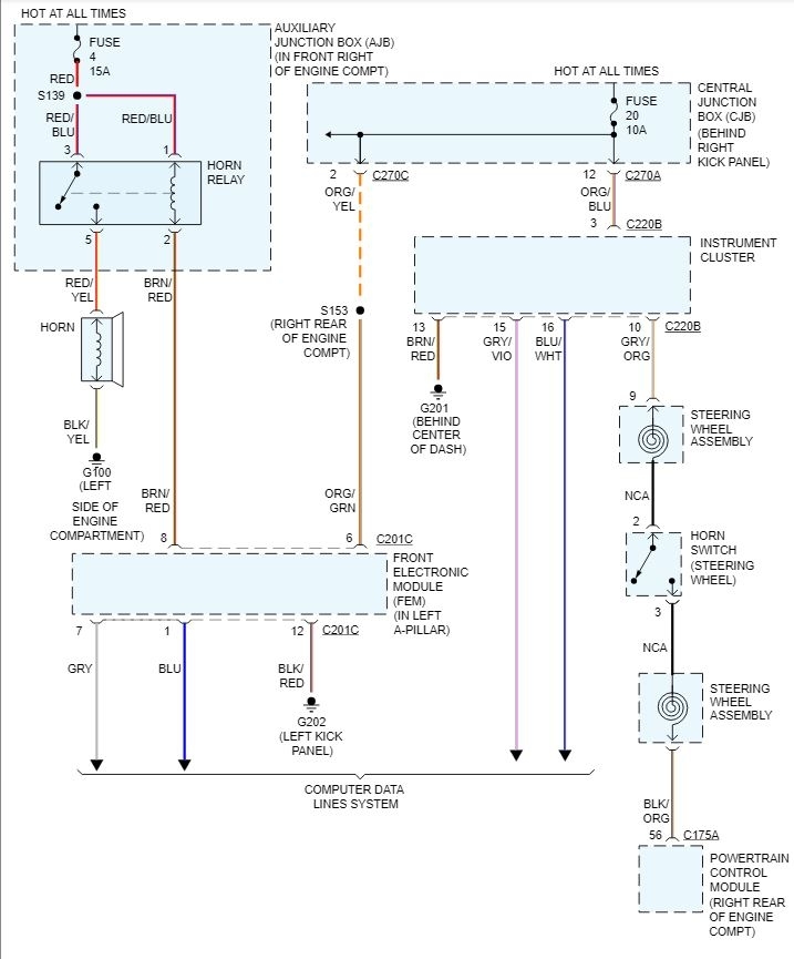
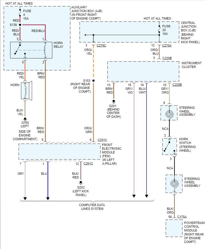
From that description the likely reason is the wire in the clock-spring/spiral cable has broken. It has to flex every time the steering wheel moves and eventually metal fatigue causes a failure. Unfortunately that car uses an integrated clock-spring and restraint module so it is more difficult to replace than many others. The first image is the entire unit. The second is the wiring for only the horn circuit. The horn switch is the part of interest.
The actual "switch" is simply two strips of metal behind the airbag module on the steering wheel. However, the wiring to it is part of the clock-spring assembly. I'll cover both so you can test it and repair as needed.
First step is to remove the battery negative connection and wait at least five minutes.
Next you need to remove the steering wheel starting with the SRS module.
Be sure the steering is as straight as possible first. Now look on the back of the steering wheel and you will find two plugs, remove them and you will see two bolts under them. Remove those bolts. Stay out of the seat area as you do this, just in case that air bag were to deploy (not likely but it can happen). With the two bolts out move the module straight out and you will see a connector behind it. release the safety tab and remove the module. Set the module out of the way and in a place where it won't be damaged.
You will see four small bolts with metal strips. The strips are the horn switch. Last image) If you connect the battery ground now and push on the strips you can test if it's a bad switch, my guess is that it will not work. If it does then remove the bolts, pay attention to the springs the two silver ones go to the top. Yellow to the bottom. Clean all the contact points and test again. If still no horn then keep going as you will end up replacing the clock-spring.
Don't forget to disconnect the battery and wait again!
Next you remove the steering wheel nut and use the correct puller to remove it from the shaft. From here you remove the lower steering column cover screws.
Then the ignition switch and trim (use a plastic pry tool and it will pull out of the dash) Now do the same with the headlamp switch and it's trim.
Next step is to lower the steering column enough to get the upper trim panel for the dash off. Remove the nuts marked as 1, loosen the ones marked 2. This will allow you to rotate the column down enough to remove the panel trim. Remove the screws and move the panel enough that you can disconnect the automatic temperature sensor from the panel by squeezing the tabs in.
Now you have enough room to remove the upper column trim cover.
Now you start removing the electrical connections.
The restraint control module snaps in place, gently pull it down to release it.
Next there are three clips that hold the multi-function switch to the steering column. Gently release them, sixteen year old plastic is brittle.
Cut the zip tie and release the connectors between the multi-function switch and the clock-spring. housing. Separate the clock-spring from the switch assembly. You are done with removal.
The installation is the reverse except you have to be sure the clock-spring is centered before you install the steering wheel. Most new ones come either taped or with a plastic key holding them in place. Because this is a critical part of the restraint system I wouldn't use a used part as you may end up with more problems.
Now with this all said, If it was my vehicle and it wasn't in mint condition and had a lot of miles but the air bag light isn't on I would probably not replace the clock spring at this time.
Instead I would wire in a simple push button that was connected between a good ground and the brown/red wire that causes the horn relay to operate and sound the horn to make it functional. The switch wouldn't need to be anything special as it only triggers the relay.
Images (Click to enlarge)
Jan 27, 2019 at 12:15 AM