Horn not working

2012 NISSAN PATHFINDER
145,285 MILES • 4.0L • 6 CYL • 2WD • AUTOMATIC
Avatar
CONRAD URRUTIA
  • MEMBER
  • 1 POST
The horn stop working
Dec 20, 2018 at 12:34 PM
Advertisement
Avatar
STRAILER
  • CERTIFIED EXPERT
  • 53,854 POSTS
Hello,

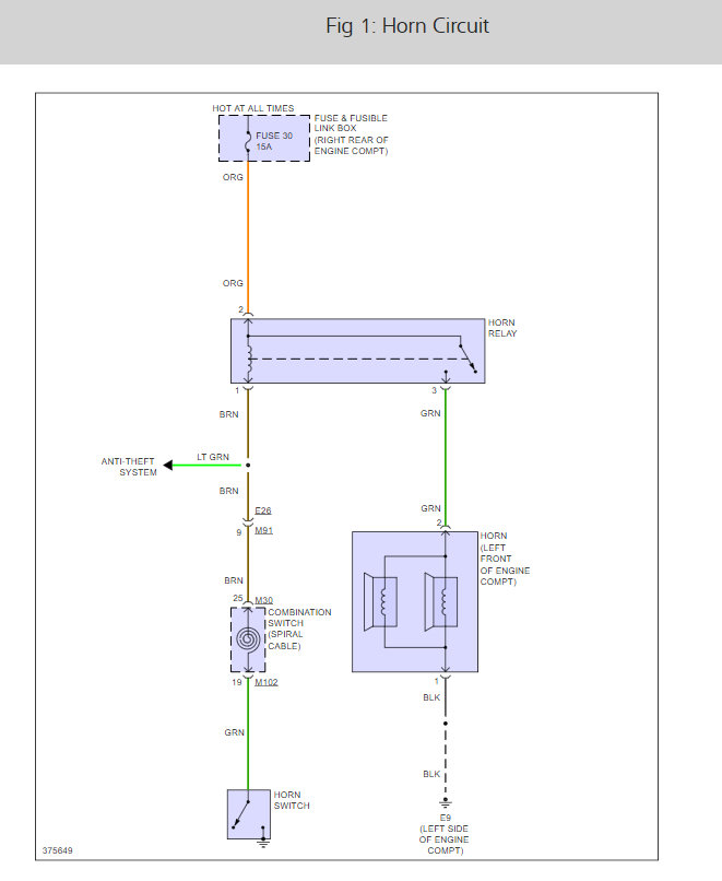
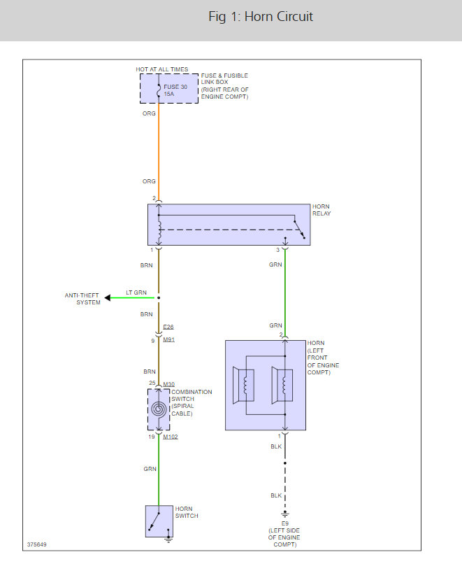
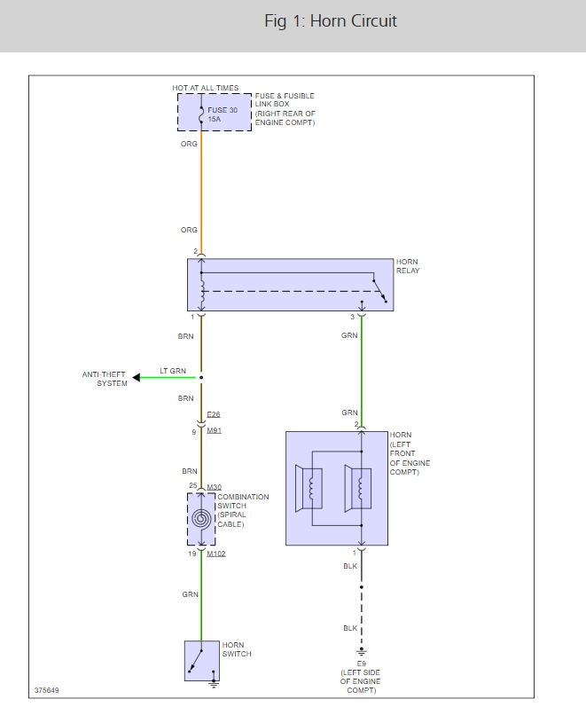
Let start by checking the fuse #30 in the under hood fuse panel. Here is guide to help check for power at the fuse and the horn wiring diagrams so you can see how the system works and the fuse locations well:

https://www.2carpros.com/articles/how-to-check-a-car-fuse

If the fuse is okay let's check the horn relay.

https://www.2carpros.com/articles/how-to-check-an-electrical-relay-and-wiring-control-circuit

Check out the diagrams (below). Please let us know what you find. We are interested to see what it is.
Dec 22, 2018 at 2:10 PM