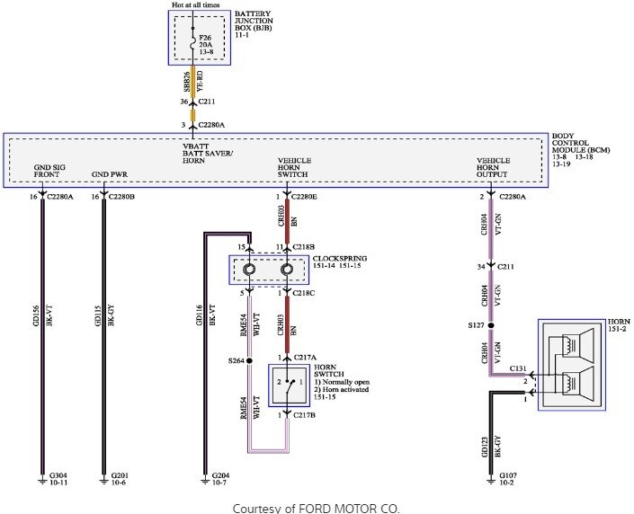
When I press the horn, it clicks. I have checked the fuse and replaced it. Still not working. When I go behind the glove box, I have checked those relays and fuses all are good. The click I hear seems to be coming from the middle of the dash. Where is the horn relay located? I can't find any info on it anywhere.
Sep 3, 2023 at 7:46 AM
