Horn not working

2004 TOYOTA HIGHLANDER
222,000 MILES • 3.3L • V6 • 4WD • AUTOMATIC
Avatar
JITHIN MATHEW
  • MEMBER
  • 71 POSTS
My horn started fading slowly a while ago and for 2 weeks it stopped working completely. I bought two horns from a junkyard and from Amazon and they both wouldn't work after pressing the steering wheel. I noticed that every time I hit the horn, I can hear the relay clicking but the horn doesn't sound. I checked the fuse, and my horn fuse was blown, and I replaced it, but it is still giving me the same results. I don't think it's my clock spring because my cruise control and the horn button itself are working. I just learned that the place where the horn bolts onto is the ground. Whenever I'm testing, I just plug it and leave it on top of the radiator. Will that prevent the horn from working? How will I need to hook up my multimeter to test if the connector is getting power?
Mar 4, 2022 at 5:06 PM
Advertisement
Avatar
JACOBANDNICKOLAS
  • CERTIFIED EXPERT
  • 110,175 POSTS
Hi,

If the horn is not bolted to the body of the vehicle, it has no ground, so it won't work.

Here is what to try. If you don't want to bolt them in place until you have confirmation if they are working, run a jumper wire from the body of the horn (where the bolts would go) direct to the battery negative terminal. With the green wire with a white tracer attached to the horn power, it should work. Try that.

Or, using a test light, probe the connector on the green wire with the white tracer and the opposite side of the test light on a known good ground or directly to the battery negative terminal. If it lights when the horn is pressed, it simply needs to be bolted to the vehicle.

Here is a link that you may find helpful:

https://www.2carpros.com/articles/how-to-check-wiring

Let me know if this helps, if you have questions, or if there is anything I can do to help.

Take care,

Joe

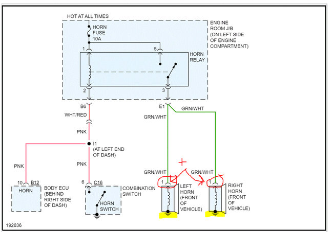
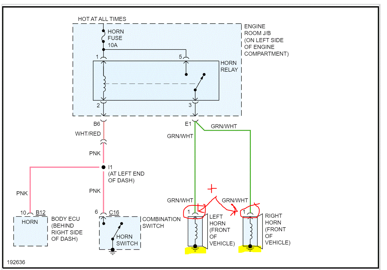
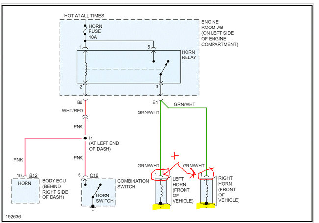
Note: I attached the wiring schematic below of the circuit. If you hear a click, it is the horn relay that indicates the clock spring is good. I circled the power wire at the horns, and I highlighted the ground which indicates it is grounded to the vehicle via its mount.


Mar 4, 2022 at 7:36 PM